|
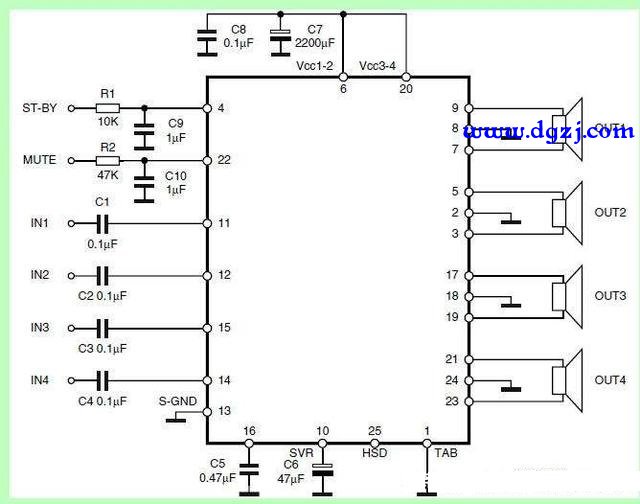
数字功放类,比如TPA3110,3116之类数字功放都属于听感偏毛燥,高频失真较大类型,真的就是听个响,用来做低音炮还差不多。就算高一个级别的TPA3244,3251类没有非常好的输出电感搭配使用听感也一般般。 ![]() 业余制作我还是建议你选用一般车载播放器上用的AB类桥式输出功放。如TDA7850,TDA7388之类。这些功放外围元件少,音质也得到阿尔派,先锋等车机大厂你一致认同。 (责任编辑:admin) |
|
数字功放类,比如TPA3110,3116之类数字功放都属于听感偏毛燥,高频失真较大类型,真的就是听个响,用来做低音炮还差不多。就算高一个级别的TPA3244,3251类没有非常好的输出电感搭配使用听感也一般般。 ![]() 业余制作我还是建议你选用一般车载播放器上用的AB类桥式输出功放。如TDA7850,TDA7388之类。这些功放外围元件少,音质也得到阿尔派,先锋等车机大厂你一致认同。 (责任编辑:admin) |
漏电保护器主要包括检测元件(零序电流互感器)、中间环节(...
近几年的继电保护事故通报中,由于漏拆、误拆有关连线或漏退...
如果用万用表来测量设备的绝缘电阻,那么测得的只是在低压下...