|
引言 很多电子设备的开发研制过程中,都需要各种各样的实验与测试用通用稳压电源。这一类电源要求有较宽的调节范围、一定的输出功率以及完善的保护功能。以往的实验与测试用电源,为了实现输出的宽范围调节,大多使用基于模拟串、并联电路的稳压方式,其效率低下已是人们的共识。PWM脉宽调制开关电源的出现,大大提高了电源的效率,可是,现在的PWM开关电源的运用,大多局限在成品电器设备的固定电压的输出模式,其电压可调范围十分有限,而开关电源在通用电源的宽范围可调应用上并不普遍,特别是在对称的正负范围输出的可调应用上,即使有这样的产品其价格也相对较高。 结合PWM开关电源的原理对D类功放的工作原理进行了分析,认为利用D类功放可以在较为经济的条件下,方便地实现宽范围可调的PWM开关电源。 1、D类功率放大器的工作原理 如图1所示,D类音频功率放大器由两部分构成。第一部分是输入比较和PWM信号形成电路,该电路中的三角波发生器产生固定频率和幅度的三角波信号作为脉宽调制的比较标准,通过比较器和输入的音频信号进行比较后输出PWM信号,该信号的脉宽是随着音频信号幅度的变化而成正比例地变化。放大器中的三角波、音频正弦信号产生的PWM波形及关系如图2所示。第二部分是H桥脉宽功率放大电路和输出大功率滤波电路,如图3所示。
第一部分电路得到的PWM信号经过整形放大,驱动H桥中与高压大功率电源相连的的4只大功率CMOS开关管轮流导通,控制末级电源向负载提供的电流,从而获得大功率的PWM信号,该信号再经过负载前的LC滤波器,利用电感电容的充放电效应在负载上获得大功率的音频信号。D类功放中H桥输出的稳定程度,决定于给H桥供电电源的稳定性,故在D类功放末级必须使用稳压电源。 2、在D类功率放大器原理基础上实现PWM调制开关电源的设计思路 从上面分析D类功率放大器的工作原理可以得出下述几点推理。 1)当在音频输入端送入的信号是一个固定的直流电压值时,将在功放的输出端得到一个固定的电压输出值。与音频功放的情况不同,是从不稳定的大功率电源获得稳定的电压输出,即在H桥上连接的不是已经稳压的电源,而是仅仅经过简单整流滤波的非稳压电源。在输入信号足够稳定的情况下,输出电压的相对稳定要依靠输出和输入之间构建合适的反馈回路来实现。 2)当在输出端接上一个电位器调节放大器的输入信号在一个正负范围内发生变化时,放大器的输出也在给H桥供电的电源的正负幅值之间发生着变化,输入的一个很小的变化就可以在输出获得较大的从负到正的电压调整范围,故实现宽范围正负电压输出调节也是可能的。 3)由于电源设计是基于D类功放的,是工作在PWM的方式下,与PWM开关电源有相同的能量利用效率。 基于上述思路,设计出电路的原理框图如图4所示。
3、在D类放大器的基础上进行可调稳压电路的设计 3.1 PWM脉冲基本频率的设定 由于D类功放的PWM信号频率基于三角波发生器的频率,而且是为音频信号服务的,所以,三角波和PWM频率一般都设计得较高,为150~500kHz,这使得开关电源的输出电压的纹波小,电源的纹波系数高。因此,这一部分仍然使用原来的三角波发生器的设计,可以不改动原来的核心电路,特别是在使用成品D类功放电路构造开关电源时可以不改动原电路。 如果不用成品D类功放电路构造开关电源,可以使用LM556等电路来构造三角波发生器,具体电路及振荡频率的计算已有很多资料介绍,不再赘述。 三角波的输出应有足够的幅度,一般选±VPP=±(3~5)V,以给比较电路足够的信号强度。 3.2 电压调整部分的设计 电压调整部分的设计就是要改造原来的D类功放的输入端,即去掉原来的输入耦合电容,把一个可调稳压电路(如图5所示)的输出连接到输入端,代替原来的音频信号,使原来的功放输入信号Vin=(VW+Vf)可以随着WR的调节在正负区间变化。
3.3 稳压部分电路的设计 作为一个开关电源,应具有足够的电压稳定度,这就要有采样电路在输出端进行电压采样,并经过反馈电路反相回送到输入端,通过对输入直流电压大小的控制完成电源的PWM脉宽调节,控制输出电压稳定在WR调节设定的电压值上,电压采样与反馈实验电路设计如图5所示。 稳压工作原理可分析如下: 在D类功放输入端送入一个直流电压,在输出端得到一个滤波后的直流电压,输入端的正负变化将在输出的正负相端得到对应的正负电压输出,从而在采样电路的Ro上获得一个电压降ΔVR,ΔVR经反相放大后再和参考电压进行叠加,形成输入端的调节电压Vin,送入D类功放的输入端。例如,当输出电压的绝对值增加,则有 │ΔVR│↑—→│Vf│↓—→│Vin│=│VW+Vf│↓—→PWM正或负相脉宽变窄—→输出滤波后电压│Uout│降低—→稳压。反之亦然。 3.4 输出滤波电路部分的设计与改造 D类功放的输出通过H桥直连滤波电路,因此,在一定条件下运用时可以省去开关变压器,降低整个电路的成本。 D类功放的输出滤波器参数(滤波电感L、滤波电容C)的大小是按照音频输出要求选定的,故其输出截止频率f较高,一般在20kHz以上。但运用到电源电路上,输出的是一个直流电压信号,所以,截止频率应该很低,故滤波电感L和滤波电容C都取得较大,这可以参照一般的PWM开关电源的参数,比如滤波电容的容量要达到1000μF以上,以尽量地滤除交流信号。这一部分的电路如图6所示。
3.5 基于D类功率放大器的开关电源整体电路设计 根据上述分析与设计构成的,基于D类功率放大器的开关电源整体电路设计如图7所示,对应的输入端的可调电压信号、三角波及PWM波形、输出PWM电压波形以及滤波输出电压波形的对应关系如图8所示。
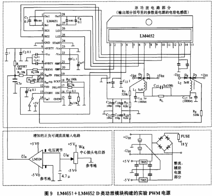
(a) 三角波发生器输出 (b) Vin》0、Vout》0,PWM波形和负载上的电压波形 (c) Vin0、Vout0,PWM波形和负载上的电压波形 图8 输入端的可调电压信号、三角波及PWM波形、输出PWM电压波形、 滤波输出电压波形的对应关系 由此可见,通过对D类功放的开关电源的改造构成了一个实用的PWM开关电源。 4、D类功率集成电路在实用宽范围可调PWM开关电源的运用实践与分析 当前的D类功率放大器集成电路(包括前端控制电路和后级H桥)种类繁多,功能完善,放大器内部已具有完善的误差反馈放大电路、保护电路、三角波发生器和比较器等。为开发经济实用、功能完善的通用开关电源提供了极大的方便。 图9就是在利用美国国家半导体公司新推出的LM4651和LM4652设计的D类超低音功率放大器电路基础上,改造成的一款通用开关电源的实验电路(其中的括号内的元件参数是按电源运用而使用的)。
图9 用LM4651+LM4652D类功放模块构建的实验PWM开关电源 LM4651是PWM控制/驱动器IC,内置振荡器、PWM比较器、误差放大器、反馈放大器、电平移位与高端驱动器、低端驱动器及欠压、过热、短路和过调制保护电路。 LM4652是采用15脚(其中脚6、8、9、11、12未连接)TO-220封装的半桥功率MOSFETIC,4只MOSFET的击穿电压V(BR)DSS=50V,漏极电流ID=10A,通态电阻RDS(ON)=200mΩ(典型值),开启电压VGS(th)=0.85V(典型值)。 LM4651中振荡器频率fosc=1×109/(4000+Rosc),其中Rosc=R6=3.9kΩ,于是PWM频率fosc=125kHz。 输入的直流调整信号Vin经C1及R1和脚10输入到增益为17.5dB的误差放大器。 LM4652的脚7和脚15上的H桥开关输出通过RC滤波器滤波,由R7~R10的采样电路取样后,反馈至LM4651的脚14、脚19经内部反馈测量放大器,再从脚9输出到脚10,为误差放大器提供一个单端反馈信号Vf,反馈电压Vf和Vin叠加形成开关电源的脉宽调制与电压控制信号(Vc)。Vc=Vin+Vf与振荡器产生的三角波进行比较,在PWM比较器输出端产生一个占空比与输入电平成正比的方波脉冲,以驱动IC2中的功率MOSFET。 LM4652脚7和脚15的开关输出,经L1、C16和L2、C17低通滤波,向负载输出直流电压、电流。 这款实验电路的输出电压随输入端WR的调节,可以在接近电源±VEE的幅度实现随意的调节和稳定的输出。但其功率受LM4652的限制,最大输出在100W左右,略小于它在音频功放时的输出,同时,由于LM4652本身耐压和功耗的限制,而没有用220V的交流直接整流供电给末级,而是通过变压器降压到音频运用时的电压范围(±24V/18V交流)。在实际开关电源运用时,可以通过使用分立器件的大功率高耐压开关器件来替代LM4652,从而构成实用的开关电源输出电路。 5、结语 通过上面实验电路的设计与制作说明,基于D类功?放大器集成电路的开关电源是完全可以实现的。利用现成的D类功放成品器件制作PWM开关电源,避免了在开发通用宽范围可调开关电源的核心控制电路上的设计花费与制作,同时构成的电源电路又相对简单,配以各种功率的H桥可以获得各种功率的输出,以适用于更为广泛的应用场合。 责任编辑:gt (责任编辑:admin) |









