|
很多朋友苦恼,分立的电子元器件都认识,电阻电容都会,但是就是看不懂电路图。可能是因为基本的模块电路,还没有掌握,今天给大家分享一下,希望您有所收获! 几个模块电路图
上图,TDA2030电路图。
上图,34063电路图。
上图,555电路。
上图,TDA2030电路图。
上图,三极管分立元件电路。 好了,看完以上这些电路图,大家能够看得明白,每一个电路图,到底是怎样运行的吗?如果你能够看懂,那恭喜你,你已经入门电子设计了,如果你还没看懂,请你不要失去信心,接下来,我们开始学习,基础模块电路。 电源电路 直流稳压电源是电子设备的能源电路,关系到整个电路设计的稳定性和可靠性,是电路设计中非常关键的一个环节。本节重点介绍三端固定式(正、负压)集成稳压器、三端可调式(正、负压)集成稳压器以及 DC-DC 电路等组成的典型电路设计。
上图,电源处理框图。 整流电路的作用是将交流电压 U1变换成脉动的直流 U2,它主要有半波整流、全波整流方式,可以由整流二极管构成整流桥堆来执行,常见的整流二极管有 IN4007、 IN5148 等,桥堆有 RS210 等。滤波电路作用是将脉动直流 U2滤除纹波,变成纹波小的 U3,常见的电路2有 RC 滤波、 KL 滤波、∏型滤波等,常用的选 RC 滤波电路。
上图,集中整流形式。 实际应用电路中,芯片输入端和输出端与地之间除分别接大容量滤波电容外,通常还需在芯片引出脚根部接小容量( 0.1µF~10µF)电容 Ci、 Co 到地。Ci 用于抑制芯片自激振荡, Co 用于压窄芯片的高频带宽,减小高频噪声。Ci 和 Co 的具体取值应随芯片输出电压高低及应用电路的方式不同而异。
上图,78 系列三端稳压器基本应用电路。 运算放大器电路 运算放大器一般可分为通用型、精密型、低噪声型、高速型、低电压低功率型、单电源型等几种。表示运算放大器性能的参数有:单/双电源工作电压、电源电流、输入失调电压、输入失调电流、输入电阻、转换速率、差模输入电阻、失调电流温漂、输入偏置电流、偏置电流温漂、差模电压增益、共模电压增益、单位增益带宽、电源电压抑制、差模输入电压范围、共模输入电压范围、输入噪声电压、输入噪声电流、失调电压温漂、建立时间、长时间漂移等。
上图,同相输入比例运算电路。
上图,反相输入比例求和电路。
上图,差动放大电路。 信号产生电路 在各种电子设计制作过程中,需要产生各种波形,如矩形波,正弦波,三角波,单脉冲波等。产生的方法主要利用运算放大器或专用模拟集成电路,配以少量的外接元件可以构成各种类型的信号发生器。
上图,分立模拟电路构成矩形波产生电路。
上图,自激式的等效电感振荡器。 信号处理电路 信号处理电路主要利用集成运算放大器或专用模拟集成电路, 配以少量的外接元件可以构成各种功能的处理电路。主要功能有信号放大、信号滤波、阻抗匹配、电平变换、非线性补偿、电流/电压转换、电压/频率转换等。
上图,运放组成的有源低通滤波器。
上图,声音报警电路。 传感器及其应用电路 传感器是能感受(或响应)规定的被测物理量,并按照一定规律转换成可用信号输出的器件或装置。传感器通常由直接响应于被测量的敏感元件和产生可用信号输出的转换元件以及相应的电子电路所组成。
上图,霍尔传感器基本应用。
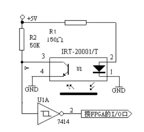
上图,光电检测电路。 显示电路 LED( Light Emitting Diode 发光二极管)显示器是由发光二极管构成的最为常用的显示器件。数字 LED 显示器利用7个发光二极管显示数字,通常被称为七段 LED 显示器、或者数码管。另外, 数码管中还有一个圆点型发光二极管, 用于显示小数点。
上图,LED 显示器内部结构。 LCD现实原理,在外加电场的作用下, 液晶显示器件的具有偶极矩的液晶棒状分子在排列状态上发生变化,使得通过液晶显示器件的光被调制,从而呈现明与暗或透过与不透过的显示效果。下面介绍 FPGA 驱动点阵字符型液晶显示模块(MDLS)的方法与程序。
编辑:黄飞 (责任编辑:admin) |



















