|
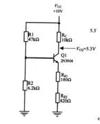
这一期是三极管放大器的分析和设计,共射极放大器的特点是发射极通过电阻连接到共地端,因此称为“共射极”,并且以集电极作为输出端,共射极放大器具有较高的电压和电流增益,同时,在实际分析中根据经验可以简化输入电阻和三极管内阻。 关键词:共射极放大器; 01共射极放大器的直流分析 如图1-1是共射极放大器的基本电路图:
图1-1 共射极放大器电路图 图1-1就是共射极放大器的典型电路,其中电容C1、C3分别作为输入、输出耦合电容,电容C2与射极电阻RE2并联,称为旁路电容(bypass 为了确定图1-1所示共射极放大器的静态工作点,先把直流等效电路画出来,由于电容C1、C2、C3在直流分析中相当于断开,所以输入信号Vs、输出负载RL、旁路电容C2自身都被排除在直流等效电路之外,如图1-2所示:
图1-2 共射极放大器的直流等效电路 首先需要判断并计算分压器提供的基极电压VB:
根据经验得输入电阻为:
如果并联的两个电阻中有一个阻值是另一个的10倍或者以上,则并联总电阻狠接近阻值很小的那个电阻,所以,如果三极管的输入阻抗Rin>=10R2,那么式(1.1)可简化为:
所以式(1.2)可为:
所以可得分压器偏置的静态工作点电压VBQ为:
那么三极管射极的静态工作点为:
那么根据欧姆定律可得三极管发射极、集电极静态工作点电流IEQ、ICQ为:
所以,可计算三极管集电极静态工作点VCQ为:
VCQ=5.3V说明,没有交流信号输出时,三极管的集电极上的静态工作电压为5.3V,一旦有交流信号输入放大器,将会在集电极输出上形成一个5.3V上、下变化的输出信号,如图1-3所示:
图1-3 输出交流信号波形图 02共射极放大器的交流分析 放大器的电压增益需要在交流环境中考虑,所以在进行交流分析之前,需要了解以下3条法则: 1、假设在交流信号下,耦合电容和旁路电容的容抗都为0,在交流分析中,电容可以视为短路; 2、假设电源Vcc内阻为0,仅在交流分析中,Vcc视为与地短路; 3、仅在交流分析中,需要考虑三极管的内阻re’.根据以上三条法则就可以得到共射极放大器的交流等效电路,如图1-4所示:
图1-4 共射极放大器的交流等效电路 图1-4对比图1-1,由于耦合电容C1和C3视为短路,所以输入信号Vs直接进入放大器的b极、输出信号Vout直接进入负载RL,又因为旁路电容C2也视为短路,所以射极上的电阻RE2被短路,只剩下了RE1.由于Vcc视为与地短路,原来与Vcc相连的电阻R1和Rc的一端接地。另外,三极管的呢组re’出现在等效电路中。 由图1-4可以计算电压增益为:
式(1.9)中Rc||RL代表的是电阻Rc与负载电阻RL并联的总电阻,re’为三极管的内阻,RE1为射极串联的电阻。 在直流环境中,三极管并存在阻抗,而到了交流环境中,情况略有不同,在射极和基极之间出现了一个三极管内阻re’,如图1-5所示:
图1-5 三极管内阻re’ re’在分析放大器的增益、输入阻抗时都会涉及,是一个比较重要的物理量,re’的阻值并不固定,而是由射极电流IE决定,近似计算为:
在直流分析中算的IEQ=0.47mA,所以可以计算:
所以代入式(1.9)可以求得增益为:
即图1-1所示的共射极放大器电压增益为35,就是说,如果输入10mV的正弦信号,则从输出端就可以获得一个10mV×35=350mV的正弦信号,且输入、输出信号之间有180°的相位差。 03仿真电路验证 如图3-1是根据图1-1搭建的仿真电路模型:
图3-1 仿真电路模型 如图3-1是输入信号10mV(有效值)、1KHz,经过放大电路并使用示波器测量的电压波形如图3-2所示:
图3-2 测量波形图 如图3-2所示,输入信号幅值约为28mV,输出信号为971mV,放大倍数为:
同时通过观察波形,发现输入信号经过放大的同时还产生了180°的相差,即输入、输出信号之间反相,同时验证了电路的正确性。 (责任编辑:admin) |




















