[电工基础] 常见模拟电路基础知识总结 日期:2023-09-04 11:34:29 点击:49 好评:0
01 基尔霍夫定理的内容是什么? 基尔霍夫 电流 定律:在电路任一节点,流入、流出该节点电流的代数和为零。 基尔霍夫电压定律:在电路中的任一闭合电路,电压的代数和为零。 0...
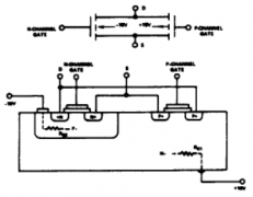
[电工基础] N沟道场效应管栅极(G极)电压是否可以大于漏极 日期:2023-09-04 11:34:28 点击:78 好评:0
根据提问者的意思,N沟道场效应管栅极(G极)电压是否可以大于漏极(D极)电压?为什么? 先上答案:完全是可以的!场效应管完全导通时其G极电压就比D极电压高。 N沟道场效应管...
[电工基础] 运放是否需要专门的接地端子? 日期:2023-09-04 11:34:28 点击:57 好评:0
从这一篇开始我们讨论 运算放大器 ,也会涉及反馈 网络 的内容。今天先从简单的开始:运算放大器的接地。 两个问题 照例先抛出来一个问题: ①运算放大器是否需要 端子 接地?...
[电工基础] 运放平衡电阻的理解 日期:2023-09-04 11:34:27 点击:65 好评:0
平衡 电阻 的目的是为了减小运放输入偏置 电流 在电阻上形成的静态输入电压而带来误差详细看书。(减少失调电压) 当运放的输入偏置电流较小,或 信号 较大,其影响可以忽略时,可...
[电工基础] 一文解析GBT激光退火技术 日期:2023-09-04 11:34:26 点击:60 好评:0
激光退火是绝缘栅双极型 晶体管 ( IGBT )背面工艺的重要步骤。对离子注入后的硅基IGBT 圆片背面进行激光快速退火,实现激活深度,有效修复离子注入破坏的晶格结构。随着IGBT技术发展...
[电工基础] 如何选择优质的IGBT单管协助Heric后极逆变电路的 日期:2023-09-04 11:34:26 点击:42 好评:0
单相组串式逆变器里面会有Heric后极逆变是需要使用 IGBT 单管的,目前我们看到单相组串式逆变器正朝采用多层次拓扑结构的逆变器发展方向。我们可以如何选择优质的IGBT单管协助Her...
[电工基础] 什么是共集、共基、共射放大器? 日期:2023-09-04 11:34:26 点击:36 好评:0
我们在学习和生活中都会用到许多三极管放大电路,但是也有好多人傻傻分不清 放大器 的类型。今天对放大器类型做一个简单总结。 应用情况 3种放大器中,共发射极放大器应用最...
[电工基础] CMOS静电和过压问题解析 日期:2023-09-04 11:34:23 点击:36 好评:0
对于 模拟 CMOS(互补对称金属氧化物 半导体 )而言,两大主要危害是静电和过压( 信号 电压超过 电源 电压)。了解这两大危害,用户便可以有效应对。 静电 由静电荷积累(V...
[电工基础] 纳微半导体携尖端GaN/SiC功率产品亮相PCIM 2023 日期:2023-09-04 11:34:23 点击:35 好评:0
来欧洲最负盛名的 电力电子 展会体验 全新电动汽车、太阳能、家用电器和 工业 应用的解决方案 美国加利福尼亚州托伦斯,2023年4月12日讯 —— 唯一全面专注的下一代功率半导体公司...
[电工基础] MOS管G极与S极之间的电阻作用 日期:2023-09-04 11:34:23 点击:44 好评:0
MOS管具有三个内在的寄生 电容 :Cgs、Cgd、Cds。这一点在MOS管的规格书中可以体现(规格书常用Ciss、Coss、C rs s这三个参数代替)。MOS管之所以存在米勒效应,以及GS之间要并 电阻 ,...
一、职业定义 使用电工工具和仪器仪表,对设备电气部分(含机...
1 真空断路器的发展趋势与存在的问题 真空断路器的优越性不仅...
关于电工技术服务聘用合同 甲方:徐州市科锦通用设备制造有限...
甲 方 乙 方 文化程度 性 别 法定代表人 出生日期----年--月--日...
市电失电,柴油发电机组自动启动,发电供电;市电来电,恢复...
自动转换开关电器(ATSE),它由1个(或几个)转换开关...