[电工基础] CTSD精密ADC — 第3部分:实现固有混叠抑制 日期:2023-02-22 11:27:02 点击:46 好评:0
作者: ADI 公司 Smita Choudhury 和 Abhilasha Kawle 在CTSD精密 ADC 系列文章的第3部分,我们将重点阐述CTSD AD C的无混叠特性,它可在不增加任何外围设计的情况下提高抗干扰能力。第1部分 展示...
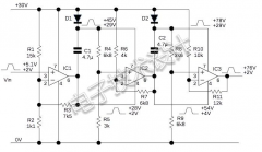
[电工基础] 差分运放和仪表放大器应用科普贴 ——模拟小信 日期:2023-02-22 11:27:02 点击:46 好评:0
前言 围绕如何处理小 信号 前端这一 话题 ,近期引起了一波讨论热潮。技术型分销商Excelpoint世健的FAE Wolfe Yu就小信号前端、确定测量范围、抑制噪声、提高信噪比等问题进行了介绍和...
[电工基础] 贸泽备货Analog Devices ADAQ23875,16位15 MSPS µModule数据 日期:2023-02-21 11:27:03 点击:48 好评:0
2021年4月8日 – 专注于引入新品并提供海量库存的 电子元器件 分销商 贸泽电子 (Mouser Electronics) 即日起备货 Analog Devices的 AD AQ23875 µModule®数据采集解决方案 (DAQ)。ADAQ23875采用系统...
[电工基础] 如何充分利用半导体开关技术提高功率转换器? 日期:2023-02-21 11:27:02 点击:57 好评:0
迫在眉睫问题:降低耗能生热 目前,全球对电能需求处于惊人的高水平,根据国际能源署(Interna ti onal Energy Agency)预测,2020年全球电能需求将接近30皮瓦(petawatt)。对于我们这些只...
[电工基础] 华中数控发布全球首台智能数控系统,助力机床 日期:2023-02-21 11:27:01 点击:44 好评:0
4月13日消息 在昨日的北京第十七届国际机床展举行期间,华中 数控 “华中 9 型 智能 数控系统”产品正式发布,这也是世界首台具备自主学习、自主优化补偿能力的 iNC 智能数控系统。...
[电工基础] DAS混合模拟电子系统能达到什么样的效率? 日期:2023-02-21 11:27:01 点击:54 好评:0
我们使用的传感和计算设备无处不在,而且会不断增多,设备始终处于工作状态,因此功率变得越来越重要。最好的例子就是放在办公桌上、口袋里以及散布家中各处的声控设备。关键...
[电工基础] 用模拟电荷泵产生高频高压脉冲 日期:2023-02-21 11:27:00 点击:51 好评:0
最近有一个项目评估了 5G 动态负载调制(DLM) 射频 功率放大器 的可行性。DLM 放大器 通常会在其输出 网络 使用 高压 变容 二极管 ,从而需要用高速大线性电压脉冲来驱动。 脉冲需要...
[电工基础] ADI公司发布用于参考设计集成的16通道混合信号前 日期:2023-02-21 11:27:00 点击:38 好评:0
中国,北京 – Analog Devices, Inc. ( ADI )今天推出一款16通道混合 信号 前端(MxFE)数字转换器,可用于航空航天和防务应用,包括相控阵雷达和地面卫星 通信 (SATCOM)。这款新型的数...
[电工基础] 为什么直流电能计量很重要? 日期:2023-02-21 11:26:58 点击:87 好评:0
为什么直流电能计量很重要? 21世纪,世界各国政府都在制定行动计划,以应对长期复杂的减少CO2排放的挑战。CO2排放已证实是造成气候变化严重后果的原因,同时对新型高效能源转换...
[电工基础] 降低EMI的常规方法 日期:2023-02-21 11:26:58 点击:145 好评:0
鉴于EMI可能在后期严重阻碍设计进度,浪费大量时间和资金,因此必须在设计之初就考虑EMI问题。开关模式 电源 (S MPS )是现代技术中普遍使用的电路之一,在大多数应用中,该电路...
一、职业定义 使用电工工具和仪器仪表,对设备电气部分(含机...
1 真空断路器的发展趋势与存在的问题 真空断路器的优越性不仅...
关于电工技术服务聘用合同 甲方:徐州市科锦通用设备制造有限...
甲 方 乙 方 文化程度 性 别 法定代表人 出生日期----年--月--日...
市电失电,柴油发电机组自动启动,发电供电;市电来电,恢复...
自动转换开关电器(ATSE),它由1个(或几个)转换开关...