[电工基础] 新型光耦合集成隔离放大器的工作原理和应用分 日期:2023-01-18 11:26:23 点击:55 好评:0
1、 概述 3650和3652是B-B公司生产的新型 光耦 合集成 隔离放大器 ,性能优于已有的采用 变压器 耦合 和调制解调技术做成的隔离放大器模块。 与以往的隔离放大器相比,3650和3652的优点...
[电工基础] 会议音响系统设备之功率放大器的主要作用 日期:2023-01-18 11:26:23 点击:67 好评:0
会议音响系统设备中的 功率放大器 的作用是把电信号放大后输出给音箱的设备,是会议音响系统中必不可少的设备。 功率放大器分类为定压功放、定阻功放、前级功放、后级功放、单...
[电工基础] 功率放大器配合信号源在超声导波激励测试中的 日期:2023-01-18 11:26:23 点击:60 好评:0
超声导波检测技术与常规的无损检测方法相比,具有检测距离长,检测速度快等突出优点。超声波所用的激励源采用大功率信号源驱动激励的方法,放大并传播在管道中接收到的超声导...
[电工基础] 高带宽运算放大器的过压保护设计,有哪些解决 日期:2023-01-18 11:26:20 点击:100 好评:0
概述 对于要求过压保护和低失真,低噪声,高带宽的 放大器 应用,必须特别注意过压保护(OVP)的设计。导致过压可能是人为的错误,例如把放大器的输入端对高压 电源 短路 ,也可...
[电工基础] 水声功率放大器驱动水声换能器测试系统 日期:2023-01-18 11:26:20 点击:73 好评:0
声波是已知的唯一能够在水中远距离传播的波动,在这方面远比电磁波(如无线电波、光波等)好,因此声波是目前水下通信的主要手段。水声通信中的一个关键设备就是水声换能器,...
[电工基础] 前置运算放大器的噪音分析及利用CMOS工艺实现电 日期:2023-01-18 11:26:20 点击:93 好评:0
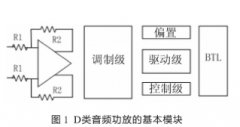
D类 音频 功率放大器 中,前置 运算放大器 是一个比较重要的模块,它位于整个拓扑结构中的前面,完成输入信号源的加工处理,或者实现放大增益的设置,或者实现 阻抗 变换的目的...
[电工基础] 利用ADC、全差分放大器和时钟调整电路设计模拟 日期:2023-01-17 11:26:27 点击:169 好评:0
传统上,模拟IC设计工程师都是通过提升 电源 电压和工作 电流 来提高设备的运行速度和动态范围,但在能源效率意识愈强的今天这一方法已很难达到最佳的效果。现今,设计者不仅追...
[电工基础] 高性能DDS芯片AD9959的工作原理、特性及在步进频 日期:2023-01-17 11:26:25 点击:1085 好评:0
引 言 探地雷达是近10年迅速发展起来的一种无损探测新技术,它具有探测速度快、高空间分辨率、对目标的三维电磁特征敏感、可实现连续透视扫描以及二维彩色图像实时显示等优点。...
[电工基础] 多通道24位工业模数转换器的工作原理、性能特点 日期:2023-01-17 11:26:25 点击:97 好评:0
1、 概述 AD S1274/ADS1278是德州仪器( TI )推出的多通道24位工业 模数转换器 ( ADC ),内部集成有多个独立的高阶斩波稳定调制器和FIR数字 滤波器 ,可实现4/8通道同步采样,支持高...
[电工基础] 开关电容有源滤波器的时域法特性和频域法特性 日期:2023-01-17 11:26:25 点击:68 好评:0
最基本的 开关 电容 电路 是由 电子 开关和电容组成的,主要应用是构成各种低通、 高通 、带通、带阻等开关电容 滤波器 (Switched-Capacitor Filter,SCF)。将开关电容电路与 运算放大器...
一、职业定义 使用电工工具和仪器仪表,对设备电气部分(含机...
1 真空断路器的发展趋势与存在的问题 真空断路器的优越性不仅...
关于电工技术服务聘用合同 甲方:徐州市科锦通用设备制造有限...
甲 方 乙 方 文化程度 性 别 法定代表人 出生日期----年--月--日...
市电失电,柴油发电机组自动启动,发电供电;市电来电,恢复...
自动转换开关电器(ATSE),它由1个(或几个)转换开关...