[电工基础] 简单电路断开负载 日期:2023-10-02 11:26:32 点击:44 好评:0
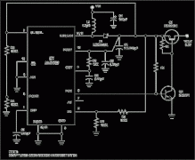
本应用笔记展示了外部功率 MOSFET 如何充当负载断开开关,并允许 开关稳压器 在重负载和低输入电压下启动。负载断开电路将单个NiMH电池输出升压至3.3V,并提供600mA输出 电流 。设计采...
[电工基础] 半导体芯片工艺节点演变路径 日期:2023-10-02 11:26:32 点击:32 好评:0
摘要: 晶体管 的缩小过程中涉及到三个问题。第一是为什么要把晶体管的尺寸缩小,以及是按照怎样的比例缩小的,这个问题是缩小有什么好处。第二是为什么技术节点的数字不能等...
[电工基础] MOS管封装分析报告 日期:2023-10-02 11:26:32 点击:43 好评:0
在完成MOS管 芯片 在制作之后,需要给MOS管芯片加上一个外壳,这就是MOS管封装。 该封装外壳主要起着支撑、保护和冷却的作用,同时还可为芯片提 供电 气连接和隔离,从而将MOS管器...
[电工基础] 2023年中国新型功率半导体器件(IGBT)产业链上中 日期:2023-09-30 11:26:13 点击:43 好评:0
IGBT 作为一种新型功率半导体器件,是工业控制及自动化领域的核心 元器件 ,其作用类似于人类的心脏,能够根据装置中的 信号 指令来调节电路中的电压、 电流 、频率、相位等,以...
[电工基础] 中国渴望使用第三代芯片 日期:2023-09-29 11:26:29 点击:46 好评:0
一段时间内,中国大陆 芯片 企业将不得不依靠外国技术来制造新一代芯片。 一些技术专家表示,预计未来几年中国大陆将对第三代 半导体 产生强劲需求,这些半导体 产品 主要用于电...
[电工基础] 了解网络滤波器 EMI滤波器 EMC滤波器 在电子元器 日期:2023-09-29 11:26:29 点击:52 好评:0
Hqst盈盛(华强盛) 电子 导读:说说 网络 滤波器 EMI滤波器 EMC 滤波器 三者之间的关系 探讨网络变压器在 电子元器件 中的分类关系,给在浩如烟海的电子元器件中寻找网络变压器的广...
[电工基础] LTspice电路图层次化设计 日期:2023-09-29 11:26:28 点击:64 好评:0
绘制分层电路的方法 使用 Voltage-control led Voltage Source 放大器 电路图为例,开始绘制分层 (组件) 电路。首先,在新的原理图创建如下图 (图1) 所示的电路。 图1 创建的放大器电路图 (Id...
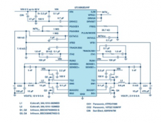
[电工基础] 高电压LTC3892系列控制器缩减了DC/DC转换器成本和 日期:2023-09-29 11:26:25 点击:41 好评:0
LTC3892 是一款通用 控制器 ,广泛应用于汽车和 工业 应用领域。该控制器的主要优点是能够通过调节开关 MOSFET 的栅极电压降低功耗,并且在关断时具有极低的静态 电流 ,仅为 3.6 μA。...
[电工基础] Multisim仿真—液面位置检测及分离 日期:2023-09-29 11:26:25 点击:45 好评:0
液面 检测 方案论述 为了能够准确的完成对不同成分的液体进行分离,准确地检测到液面的位置是否必要的一个环节。只有快速准确地检测到液面的位置这样才能够精确的完成不同成分...
[电工基础] 对于电路保护:模拟输出多少才足够? 日期:2023-09-29 11:26:24 点击:47 好评:0
模拟 输出驱动工厂和工厂中的 电机 和执行器。它们是可 编程 逻辑 控制器 ( PLC ) 中的最后一个控制步骤。输出 放大器 通常驱动0至10V和4至20mA电路。它们需要针对 高压 电机故障、...
一、职业定义 使用电工工具和仪器仪表,对设备电气部分(含机...
1 真空断路器的发展趋势与存在的问题 真空断路器的优越性不仅...
关于电工技术服务聘用合同 甲方:徐州市科锦通用设备制造有限...
甲 方 乙 方 文化程度 性 别 法定代表人 出生日期----年--月--日...
市电失电,柴油发电机组自动启动,发电供电;市电来电,恢复...
自动转换开关电器(ATSE),它由1个(或几个)转换开关...