[电工基础] 二极管在电路设计中的应用 日期:2023-09-04 11:35:50 点击:52 好评:0
摘要: 二极管 是非常常用的基础 元器件 ,本文主要聊一聊其在 电路设计 中的应用,我大概总结了二极管的如下作用防反、整流、稳压、续流、检波、倍压、钳位、包络线检测。 1、...
[电工基础] 运放的噪声评估简单办法及举例 日期:2023-09-04 11:35:49 点击:39 好评:0
上一期《运放的噪声评估的来龙去脉》详细说明了运放噪声评估的基本原理和方法,但是如果按照那一套办法的话,有点太复杂了,这一节就来说一下简单的办法,或是说是一些常规经...
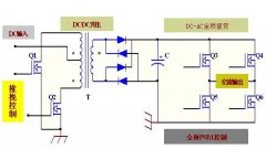
[电工基础] 浅谈600W的高频车载逆变器的IGBT应用 日期:2023-09-04 11:35:48 点击:44 好评:0
当今社会,人们注重户外生活,短途旅行、露营、野炊已成为常态,此时车载逆变器的需求也不断增加。在这种情况下,作为厂家,如何在保证质量的前提下提高自身 产品 竞争力就成...
[电工基础] 分享几个常用的电平转换电路 日期:2023-09-04 11:35:47 点击:48 好评:0
一、什么是电平转换 比如两个 芯片 之间的 供电 电压不一样,一个是5V,另一个是3.3V,那么在两者之间进行通讯建立连接关系时,就需要进行电平转换。 以TTL 5V和CMOS 3.3V为例,他们的...
[电工基础] 国产24位生物电测量前端模拟芯片 日期:2023-09-04 11:35:47 点击:53 好评:0
全芯时代,国产好芯不定期 推荐 。今日为大家介绍一款国产24位生物电测量前端 模拟 芯片 。 一、概述 该芯片集成了便携式低功率心电图应用的所有特性,内置单通道 24 位 Delta-Sigm...
[电工基础] 专为分布式光伏测试而生--ITECH艾德克斯IT-N2100系 日期:2023-09-04 11:35:45 点击:41 好评:0
5月26日,艾德克斯针对分布式光伏组件的测试,如微逆变器、功率优化器的测试,正式发布了高速太阳能阵列 模拟 器IT-N2100系列。从此,一台模拟器既可高速 高精度 模拟百瓦内的光伏...
[电工基础] 你还不了解三极管推挽电路吗? 日期:2023-09-04 11:35:45 点击:49 好评:0
什么是三极管推挽电路 推挽电路,有人也叫图腾柱电路。图腾柱我没理解这个名字是怎么来的,但是“推挽”就比较形象了。 英文里叫push-push。这里先说这里...
[电工基础] 功率器件IGBT用到的导热材料机理和作用 日期:2023-09-04 11:35:45 点击:46 好评:0
随着现代 电子 技术的进步与发展, 电子产品 的发展趋向于微型化和密集化,电子器件的功率计散热要求也随之增加。电子器件工作时散发的热量如不能及时导出,会严重影响电子器件...
[电工基础] 碳化硅MOSFET助力新能源汽车实现更出色的能源效 日期:2023-09-04 11:35:43 点击:44 好评:0
碳化硅 MOSFET 具有优秀的高频、 高压 、高温性能,是目前 电力电子 领域最受关注的宽禁带功率半导体器件。在电力电子系统中应用碳化硅MOSFET器件替代传统硅 IGBT 器件,可提高功率回...
[电工基础] 是时候从Si切换到SiC了吗? 日期:2023-09-04 11:35:43 点击:42 好评:0
在过去的几年里,碳化硅(SiC)开关器件,特别是SiC MOSFET ,已经从一个研究课题演变成一个重要的商业化 产品 。最初是在光伏(PV)逆变器和电池电动车(BEV)驱动系统中采用,但现在...
一、职业定义 使用电工工具和仪器仪表,对设备电气部分(含机...
1 真空断路器的发展趋势与存在的问题 真空断路器的优越性不仅...
关于电工技术服务聘用合同 甲方:徐州市科锦通用设备制造有限...
甲 方 乙 方 文化程度 性 别 法定代表人 出生日期----年--月--日...
市电失电,柴油发电机组自动启动,发电供电;市电来电,恢复...
自动转换开关电器(ATSE),它由1个(或几个)转换开关...