让我们学习如何在电路中使用电感器。为此,让我们看一下它的应用程序。电感的应用是本教程中最令人兴奋的部分。本节讨论使用电感器的最重要应用/电路。如果您在任何地方的电路中找到电感器,则很有可能属于电感器的以下用途之一。
振荡器/调谐电路:

这些电路用于无线电发射器、接收器、振荡器和频率选择很重要的应用。在这里,电感器与电容器一起工作。如果您了解电容器的工作,您就会知道它对低频信号表现出高电抗,而电感器对高频信号具有高电抗。在本电路中,电感和电容值的选择应使其在给定的输入频率下提供相等的电抗。这种状态被称为推理频率,相关的频率被称为推理频率。在Reasonance,该电路能够产生相关频率的信号,以充当振荡器或从复数信号接收该频率的信号。
当该电路中的电容器充电时,它会在其极板之间存储电荷。一旦电源被切断,来自电容器的电流就会通过电感器,导致在其周围产生磁场。此时,存储在电容器中的电荷将耗尽,电流停止流向电感器。众所周知,电感器喜欢稳定的电流,因此它将试图通过折叠其磁性区域来保持电流稳定,并使电流流回电容器。电容器将再次充满电。电荷在电容器和电感之间来回流动,产生固定推理频率的信号。
推理频率由公式 f0 = 1 / 2π√(LC) 给出
浪涌电流限制器:

浪涌电流也称为浪涌电流或输入浪涌电流,几乎能够破坏电路。这些是负载或电气设备在打开后立即吸收的瞬时电流。
令人惊讶的是,这种浪涌电流可能比稳态电流高40至50倍,并且可能破坏设备。浪涌电流通常是由于高值电容器所需的瞬时高电流而发生的,变压器运行并且必须防止到达设备。
电感器是被广泛接受的防止浪涌电流损坏电路的方法。当电路接通时,瞬时高电流随时间流动而变化。电感器通过在它周围产生磁场来对抗电流的这种变化,该磁场会形成一个自感电压,该电压与来自电源的高电流相反。片刻后,当电流恢复到稳定状态时,磁场坍缩并以电流的形式将存储的能量释放到电路中。一旦电流变为稳定的直流,电感将不再反对它,并提供流过它的电流的自由路径。
过滤 器:
这些是特殊类型的电路,用于过滤或消除不需要频率的信号,并且只允许信号在所需的限值内通过。使用电感器以及电阻器和电容器等无源元件,我们可以构建三种不同类型的滤波器,以满足我们的信号滤波目的。
低通滤波器:

顾名思义,该滤波器用于需要从输入信号中滤除频率高于截止频率的信号的电路。术语截止频率是指由该滤波器中使用的组件值设置的频率限制。因此,电感和电阻的值决定了截止频率。此滤波器允许频率低于此截止限值的信号,高于此限值的信号将被此滤波器阻挡。
该滤波器中发生的情况是,当输入信号为高频时,电感器表现出的电抗将非常高。电抗由电感值和频率决定,正如我们在公式 XL = 2πFL
中看到的那样。电感器与电阻器一起形成分压器,频率越高,电感电抗(电阻)越高。较高的电抗使电感器能够有效地衰减信号,因此输出端的电压将为零或接近零。
该低通滤波器的截止频率可以使用fc = R / 2πL计算
高通滤波器:

在此高通滤波器中,电感器和电阻的位置已互换。与低通滤波器相比,该滤波器仅允许高频信号通过。这里允许频率高于截止频率的信号。频率低于该频率的信号将被衰减/阻塞。当低频信号通过电路时,电感器的电抗与电阻的电阻相比非常低,因此电阻两端的压降将非常高,输出信号将为零或接近零。
当高频信号通过电路时,与电阻R1相比,电感表现出高电抗。因此,电阻器对输入信号的衰减非常小,使高频信号以非常小或零的衰减到达输出。通过这种方式,允许高频信号通过,而低频信号被阻挡。
该滤波器的截止频率可以使用fc = R / 2πL计算
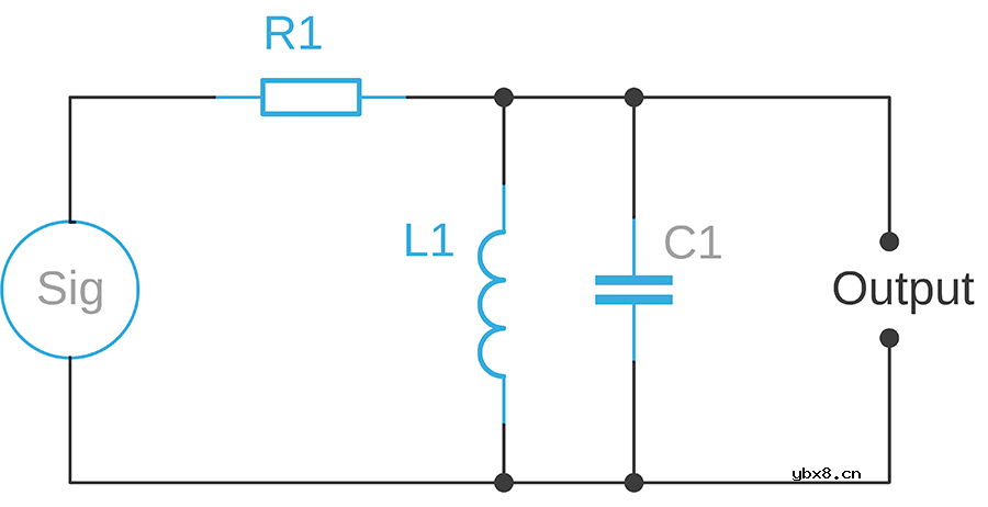
带通滤波器:

在此滤波器中,只允许一个频带通过它们,并且超出该频率的任何内容都将被拒绝。与低通和高通滤波器不同,带通有两个截止频率。上限和下限截止频率以及这些频率之间的频率信号将只允许通过。
该滤波器的工作主要取决于并联连接的电感器和电容器。正如我们之前在调谐电路中看到的那样,它是一个坦克电路。如果您还记得从调谐电路部分看到的内容,推理频率是电感器和电容器对输入信号的电抗相等的频率。当输入信号接近或接近推理频率时,电感和电容对给出的电抗将高于电阻电阻。因此,接近推理频率的频率带将通过滤波器。此频段之外的频率将被阻止。
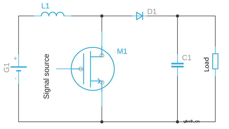
升压器:

升压器是用于将输入电压提升到一定水平的电路。它在输出中的电压高于输入电压。电感器在升压电路中是最重要的,因为它们的特性是在交流性质的电流流过时产生自感电动势。上图为典型的升压电路,其中直流电源提供给电感器。另一方面,MOSFET连接到它。MOSFET
将通过信号源以稳定的间隔打开和关闭。
当 MOSFET 导通时,电流从电源流向电感器,然后流过
MOSFET。这会产生磁通量以及电感器两端的自感电压。当MOSFET通过信号源关闭时,会导致电流减少。电感器现在将尝试保持该电流稳定。因此,自感电压切换极性,迫使其像与电源G1串联的电压一样工作。
这种组合电压(来自电源G1的电压和L1两端的自感电压)将强制电流通过二极管并将电容器充电至该电压电平。当MOSFET足够快地打开和关闭时,电容器将保持该电压并在输出中显示此电压电平。因此,使用这些电路,您将在输出端获得升压电压。
抑制变压器励磁涌流的新方法
时间:2026-03-06
电力变压器有载分接开关维护问题浅析
时间:2026-03-06
变压器渗漏油对策分析
时间:2026-03-06
组合电器对10kV变压器控制及保护功能探讨
时间:2026-03-06
变压器的运行事故及维护知识
时间:2026-03-06
平面变压器在开关电源中的技术优势
时间:2026-03-06
变压器并列运行的条件浅析
时间:2026-03-06
变压器套管的故障及维护
时间:2026-03-06
提高变压器严重故障时差动保护动作速度的方...
时间:2026-03-06
电力系统中变压器抗短路能力提高的措施
时间:2026-03-06
玻璃釉电容器的结构与特点
时间:2026-03-05
关于STM32WL LSE 添加反馈电阻后无法起振的...
时间:2026-03-05
电阻的标称阻值和允许偏差
时间:2026-03-05
浅谈高压贴片电容分类与性能参数
时间:2026-03-05
聚四氟乙烯电容器的结构与特点
时间:2026-03-05
漆膜电容器的结构与特点
时间:2026-03-05
复合介质电容器的结构与特点
时间:2026-03-05
瓷介电容器的结构与特点
时间:2026-03-05
电解电容器的结构与特点
时间:2026-03-05
电解电容的型号
时间:2026-03-05