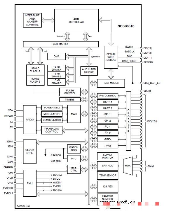
On Semi的NCS36510是低智能全集成系统级芯片公司(SoC),集成了2.4Arm IEEE80GHz2.2.15.1.44的智能接收器-M3 MCU,RAM和智能,真随机数字符号以及外设置,以最少的声音支持完整和安全无线网络的设计。NCS36150提供功率管理技术,工作电压可低至1V,最小化电流消耗。因此吸收了最大电池寿命和最小的成本。器件集成了业界先进的32位Arm Cortex−M3 MCU核和AES 128/256智能引擎,具有低功耗和存储的工艺。设备还集成了用于程序存储的640kB存储和48KB RAM。存储设备外包括DMA,UART2),SPI2),I2C (2)、RTC、三个可编事件、WDT、18个GPIO和有四个外部输入和集成了和电压传感器的10位ADC。接收器输出功率高达+8dBm,接收器可以为-99dBm.主要用在物联网、计算机和工业自动化、以及ZigBee/6LoWPAN/WirelessHART/Thread.本文介绍了NCS36510主要特性、多种和系统应用程序、以及评估板STR-NCS36510-ZB-EH-x- GEVK 主要特性、电路、电路图和材料清单。
NCS36510 是一款低功耗、完全集成的片上系统,集成了 2.4 GHz IEEE 802.15.4 兼容收发器、ArmCortex-M3 微处理器、RAM 和闪存、真随机数发生器和多个外设,以支持完整和安全的设计具有最少外部组件的无线网络。
NCS36510 提供先进的电源管理技术,允许在低至 1 V 的电源电压下运行,同时最大限度地降低电流消耗。NCS36510 专为需要最长电池寿命的应用而设计,同时
最小化成本。
NCS36510 集成了行业领先的 32 位 Arm Cortex-M3,可实现高性能、低功耗和低成本处理。NCS36510 包括用于程序存储的 640 kB 嵌入式闪存以及用于数据存储的 48 kB RAM。
NCS36510 使用硬件加速 MAC 来最小化处理器开销,同时最大化运行应用软件的可用处理器能力。
外设包括 DMA、UART(2)、SPI(2)、I2C(2)、PWM、RTC、三个可编程定时器、WDT、18 个 GPIO、具有四个外部输入和集成温度和电压传感器的 10 位 ADC。
NCS36510主要特性:
• 低至 1.0 V 的低电压操作
• 0.65 _A 昏迷模式睡眠电流
• 6.6 mW 接收功耗
• −99 dBm 接收器灵敏度
• 6.9 mW 发射功耗
• 可编程输出功率至 _8 dBm
• 2.4 GHz IEEE 802.15.4 收发器
• Arm Cortex - M3 处理器
• AES 128/256 加密引擎
• 真随机数生成器
• 640 kB 嵌入式闪存
• 48 kB 内部 RAM 存储器
NCS36510应用:
• 物联网
• 楼宇和工业自动化
• ZigBee/6LoWPAN/WirelessHART/Thread_

图 1.NCS36510 灯

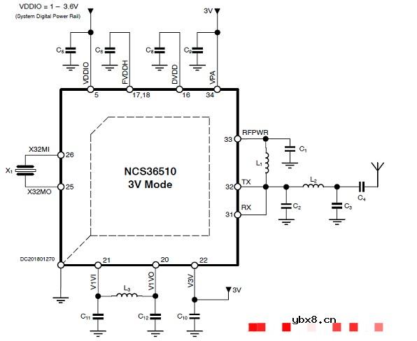
图2.NCS36510 3V系统应用

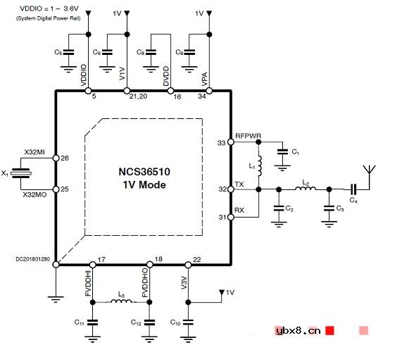
图3.NCS365101V系统应用黑色
评估板STR-NCS36510-ZB-EH-x-GEVK
启用 Strata 的 Zigbee Green Power 能量收集套件
STR-NCS36510-ZB-EH-x-GEVK 是一款支持 Strata 的套件,演示了 NCS36510 在无电池 Zigbee 绿色电源应用中的使用。该套件包括一个 USB 设备,即 Zigbee 协调器 (ZC) 和与 Strata 的接口,以及两个能量收集节点,用作 Zigbee 绿色电源设备 (ZGPD)。通过按下每个设备上的开关,就会产生能量并用于为 NCS36510 模块供电。启动时,模块发出 Zigbee Green Power 帧来控制 Strata PC 应用程序中渲染的智能家居场景。一个开关用作无电池灯开关,按下时可控制场景中的照明。另一个开关代表门传感器,按下时将打开和关闭场景中的门。
该套件由三块板组成:一个 USB 加密狗和两个能量收集开关。USB Dongle (NCS36510-ZB-USB-GEVB) 使用使用 DSR ZBOSS Zigbee 3.0 库的固件进行编程,并配置为 Zigbee 协调器 (ZC)。该设备还通过 JSON API 与 Strata PC 应用程序连接,该 API 可通过 FTDI USB-UART 适配器访问。能量收集开关 (NCS36510-ZB-EH-SWITCH-GEVB) 使用固件进行编程,以用作 Zigbee 绿色电源设备 (ZGPD)。它使用 ZF AFIG-0007 发电机通过整流器和稳压器为 NCS36510 模块供电。每次按下开关,ZGPD 都会向 ZC 发送 Zigbee Green Power“Toggle”命令。框图如下图 5 所示。
设备特点
· 2.4 GHz IEEE 802.15.4 模块通过 FCC 和 Zigbee PRO R21 预认证
· 基于 DSR ZBOSS Zigbee 3.0 & Zigbee Green Power Stacks 的固件
· 32 位 ARM Cortex-M3 处理器
· 超低传输功耗(低至 6.9 mW)
· 超低接收功耗(低至 6.6 mW)
· 多种睡眠模式(包括0.65 μA昏迷模式睡眠电流,0.18 μA昏迷模式漏电流)
· 嵌入式存储器配置(640 kB FLASH 和 48kB RAM)
· -99 dBm 的出色接收器灵敏度
· 可编程输出功率高达 ~8 dBm
应用
· IEEE 802.15.4 Zigbee / 6LoWPAN / Thread 无线应用
· 智能家居——安全、自动化和照明
· 楼宇和工业自动化

图5.评估板STR-NCS36510-ZB-EH-x-GEVK灯管

图6.评估板STR-NCS36510-ZB-EH-x-GEVK电路图(1)

图7.评估板STR-NCS36510-ZB-EH-x-GEVK电路图(2)

图8.评估板STR-NCS36510-ZB-EH-x-GEVK电路图(3)

图9.评估板STR-NCS36510-ZB-EH-x-GEVK电路图(4)

图10.评估板STR-NCS36510-ZB-EH-x-GEVK电路图(5)

图11.评估板STR-NCS36510-ZB-EH-x-GEVK电路图(6)
评估板STR-NCS36510-ZB-EH-x-GEVK材料清单:

责任编辑:pj
相关热词:#物联网
平面变压器在开关电源中的技术优势
时间:2026-03-06
变压器并列运行的条件浅析
时间:2026-03-06
变压器套管的故障及维护
时间:2026-03-06
提高变压器严重故障时差动保护动作速度的方...
时间:2026-03-06
电力系统中变压器抗短路能力提高的措施
时间:2026-03-06
关于变压器差动保护的几个观点
时间:2026-03-06
变压器的参数
时间:2026-03-06
变压器将列入能效标识实施目录
时间:2026-03-06
变压器中性点不接地的优缺点
时间:2026-03-06
关于电力机车主变压器故障处理的探讨
时间:2026-03-06
配电变压器的工作原理和作用
时间:2026-03-05
太阳能逆变器作用
时间:2026-03-05
低压配电方式有三种 低压配电的作用
时间:2026-03-05
电力系统中性点常用接地方式特点及适用范围
时间:2026-03-05
智能电网存储建设体系构建方案解析
时间:2026-03-05
中线安防保护器对电网中三次谐波的治理
时间:2026-03-05
什么是单母线接线?主接线的普遍规律
时间:2026-03-05
智能电网包括什么?它的先进性和优势是?
时间:2026-03-05
浅谈智能电网的安全设计
时间:2026-03-05
智慧工厂能耗在线监控平台开发能源管控系统...
时间:2026-03-05