数字电位器(DigitalPotenTIometer)亦称数控可编程电阻器,是一种代替传统机械电位器(模拟电位器)的新型CMOS数字、模拟混合信号处理的集成电路。数字电位器由数字输入控制,产生一个模拟量的输出。依据数字电位器的不同,抽头电流最大值可以从几百微安到几个毫安。
数字电位器采用数控方式调节电阻值的,具有使用灵活、调节精度高、无触点、低噪声、不易污损、抗振动、抗干扰、体积小、寿命长等显著优点,可在许多领域取代机械电位器。下面介绍了几种常用数字电位器芯片。
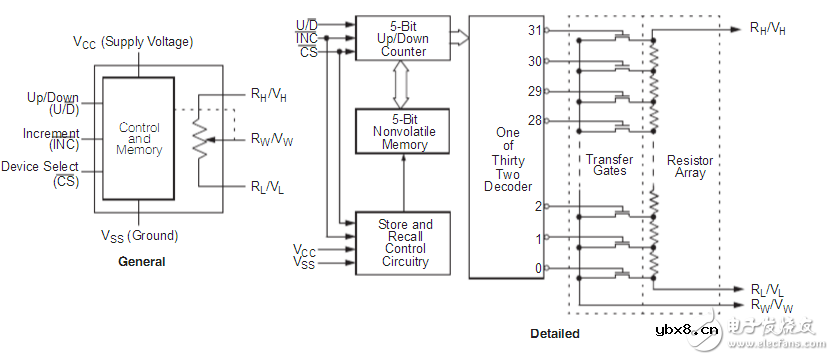
MAX5432/5433是美国美信公司推出的具有32个可选抽头的非易失、线性变化数字电位器,芯片采用I2C串行总线接口,通过最高400kbps的数据通信速率,进行片选和电位器抽头位置选择。电可擦除的可编程只读存储器(EEPROM),可在上电时将滑动端恢复到上次停电时存储的位置。
MAX5432/5433的端到端电阻分别为50kΩ及100kΩ,端到端的电阻温度系数标称值为35ppm/℃,比例温度系数只有5ppm/℃,可应用于需要低温度系数可变电阻的电路中,例如低漂移、可编程增益放大器电路。芯片采用8引脚TDFN封装,具有一个散热功能的接地焊接点EP,将该点焊接在具有适当面积的印板铜皮上,使芯片可工作在-40℃:至+85℃扩展级温度范围。

MAX5438是MAXIM公司生产的7位128阶数字电位器。内部结构图如图,它由1个7位移位寄存器,1个7位数据锁存器,*模块,电位器和控制时钟逻辑组成。MAX5438的控制信号包括3个输入信号:芯片选择(/CS),数据输入(DIN)和串行时钟(SCLK),数字逻辑由一个2.7V~5.25V的电压驱动。其内部电阻两端的电压由外部通过VDD及VSS提供,VDD与VSS之间的电压必须大于9V小于31.5V。这使得MAX5838在输入电压的选择上具有很大的灵活性。同时,MAX5438的外部电路非常简单,几乎不需要任何外接元件就可实现对输入电压的调节输出。



选择数字电位器应考虑的方面很多,电位器的个数,滑片的数目即有多少级,电阻的阻值,有没有缓冲触头,能否记忆掉电时的位置,封装等。相似于3386电位器的封装及特点,总的来说数字电位器选型主要还是从以下三点进行考虑。
1、数字电位器抽头的变化形式:系统重新通电时,阻值能够恢复上一次掉电时的阻值,则要选择非易失性的数字电位器。
2、数字电位器电压:带缓冲器输出的电位器,输出是一个电压值,而不是一个电阻值,这时应该选择不带缓冲器的。
3、数字电位器分辨率:如果系统对分辨率要求比较高,可选择滑片数目多一些的电位器,或者使用两个数字电位器串联达到其目的。
一文简析变压器原理及接线组别
时间:2026-03-06
电脑辐射消除器
时间:2026-03-06
液晶显示器的液晶板类型
时间:2026-03-06
液晶显示器的屏幕尺寸
时间:2026-03-06
液晶显示器的接口类型
时间:2026-03-06
液晶显示器的灰阶响应时间
时间:2026-03-06
液晶显示器点距
时间:2026-03-06
液晶显示器的亮度
时间:2026-03-06
液晶显示器色彩数
时间:2026-03-06
液晶显示器的对比度
时间:2026-03-06
玻璃釉电容器的结构与特点
时间:2026-03-05
关于STM32WL LSE 添加反馈电阻后无法起振的...
时间:2026-03-05
电阻的标称阻值和允许偏差
时间:2026-03-05
使用过滤器电容器和诱导器来抑制受辐射的EM...
时间:2026-03-05
瓷片电容的意义以及电容抗扰电路设计与分析
时间:2026-03-05
电容电感区别在哪里?特性差异是什么?可编...
时间:2026-03-05
浅谈高压贴片电容分类与性能参数
时间:2026-03-05
聚四氟乙烯电容器的结构与特点
时间:2026-03-05
漆膜电容器的结构与特点
时间:2026-03-05
复合介质电容器的结构与特点
时间:2026-03-05