三垦高压变频器
1、SUPERDRIVE A7系列高压变频器产品概述
SUPERDRIVE A7系列高压变频器是根据中国国内高压变频器市场需求,结合日本三垦电气株式会社在变频器方面雄厚的技术力量和丰富的经验而研发的高性能变频调速装置。采用32位高速数字信号处理器DSP进行全数字控制,结合FPGA和最新的IGBT功率器件,产生频率连续可调的高压交流系统,产品性能指标达到国际领先水平。
SUPERDRIVE A7系列高压变频器为6KV、10KV等级电压源型高压变频器,采用单元串联多电平结构和多重化脉宽调制策略,输入采用多重化隔离移相变压器实现谐波抵消,输出对电网谐波污染小,无输出变压器,不需滤波装置,对电机无特殊要求,效率达96%以上。
SUPERDRIVE A7系列高压变频器中文触摸屏操作界面简单,运行稳定可靠,维护方便,节能效果明显,实现了控制系统的自动化,并采用多种工业标准通信协议,可以远程监控。同时还可以达到改善运行环境,平滑加减速,延长电机使用寿命,减少对电网的冲击和投资,提高加工工艺等目的。
SUPERDRIVE A7系列高压变频器集现代电力电子技术、电力拖动技术、计算机控制技术、高电压技术以及网络通信技术于一体的高新技术产品,可应用于多种领域,在各种复杂场合均能满足高压电机的变频调速及节能的要求。
SUPERDRIVE A7高压变频调速系统的主要应用对象为风机、泵类等通过调速控制大量节能的负载场合,具体应用如下:
火力发电:引风机、送风机、吸尘风机、压缩机、给水泵/风机、灰浆泵等。
冶金采矿:引风机、通风风机、吸尘风机、泥浆泵、除垢泵、离心进料泵等。
石油化工:引风机、气体压缩机、注水泵/风机、潜油泵、主管道泵、锅炉给水泵/风机、卤水泵/风机、混合器、挤压器等。
水泥制造:窑头风机、窑尾风机、高温风机、生料研磨风机、水泥磨研磨风机、煤粉磨研磨风机等。
供水、污水处理:污水泵/风机、清水泵/风机、净化泵、生物粗处理塔泵、送氧鼓风机等。
其他:传动机械装置、风力涡轮机、风洞等。
2、SUPERDRIVE A7高压变频器功能介绍
2.1、高质量输入输出波形、完美无谐波
输入多重化对电网无谐波污染, 满足IEEE Std 519-1992及GB/T 14549-93标准。


输出采用载波移相PWM,输出谐波满足GB及IEEE标准,dv/dt小,对电机无特殊要求。

产品原理
SUPERDRIVE A7 系列变频器采用级联式多电平拓扑结构。输入侧隔离变
压器副边采用延边三角形移相方式,目的是提高输入电流的谐波性能。输出采用
PWM 移相方式,一方面降低dv/dt,同时提高输出谐波性能。图2-1 给出6kV 系
统主电路拓扑结构原理图。

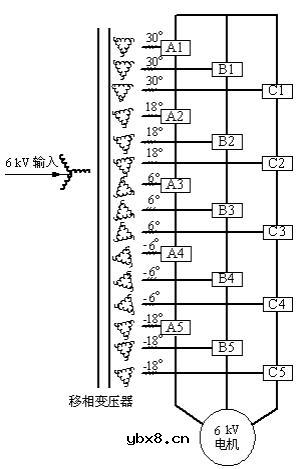
图2-1 级联式变频器系统拓扑结构原理图
2 移相变压器
移相变压器电气原理图如图2-1所示,以6kV系统5个功率单元串联为例,变
压器原边侧输入6kV,副边侧分为15个绕组,功率单元输出同相的5个绕组的相
位角互差12°,这样可以消除输入侧电流中29次以下的谐波,并使得输入电流的
谐波性能满足国际和国内相关标准的要求。
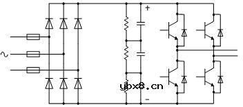
3 功率单元电路原理
功率单元由以下几个部分组成:输入熔断器、输入整流桥、直流滤波电容、
输出逆变桥,同时包括驱动、保护、检测、通信、辅助电源等部分。图2-2 为功
率单元的原理图,系统中所有的功率单元完全相同,可以互换和实现模块化。

图2-2 功率单元主电路原理图
4 功率单元级联原理
每个功率单元等效成一个单相的交流电源,以 6kV 系统5 级串联为例,每个
功率单元为 690V 单相交流电源,5 个单元组成一相为 3450V,线电压为6kV。
图2-3 给出6kV 系统5 级串联的示意图。
A
690V
690V
3450V
6000V
相电压 690V
线电压
690V
690V
690V 690V
690V 690V
690V 690V
690V 690V
690V 690V
B C
图2-3 功率单元级联原理
5 输出PWM 移相
通过控制功率单元输出 PWM 的相互角度,采用载波移相技术,使得输出
PWM 波形的 dv/dt 低,通过谐波相互消除效应,可以在低载波频率的情况下获
得优异的输出谐波性能。图2-4 为5 级串联输出PWM 组和波形示意图。通过图
2-4 可以看出,对于 5 级串联结构,相电压为 11 电平。
6 控制系统工作原理

图2-4 PWM 输出组和波形示意图
控制系统包括主控制部分,模拟量处理部分,开关量处理部分,单元控制部
分,辅助部分。
SUPERDRIVE A7 系列变频器采用双 32 位 DSP(数字信号处理器)作为主
控制部分的核心,配合大容量FPGA (现场可编程门列阵)器件,为优异的控制
性能的实现提供了坚实的硬件基础。
模拟量处理部分对系统中的模拟量进行处理,包括滤波、缩放处理、叠加偏
置等。为了提高系统可靠性,SUPERDRIVE A7 系列变频器的所有模拟量都作了
光电隔离处理。
开关量处理部分对系统中的开关量进行处理,SUPERDRIVE A7 系列变频器
的开关量处理部分类型丰富,包括:干节点输入、输出,OC(开路集电极)输
出,高速脉冲输入。同时,输入开关量类型兼容亚洲习惯(标准)和欧洲习惯(标
准)。
单元控制部分负责功率单元的驱动,检测、保护、与主控制部分的通信功能。
单元控制部分的驱动电路提供IGBT 的驱动和保护功能,保证功率器件可靠的工
作。检测部分包括直流母线电压检测、散热器温度检测。每个功率单元的状态、
直流母线电压、温度情况等信息都通过光纤被送到各控制部分。同样,主控制部
分产生的控制信号,包括:PWM 控制信号、旁路信号、使能信号等通过光纤传
送给单元控制部分。
辅助部分的作用是为控制部分提供电源、隔离、抗干扰等功能,包括开关电
源、隔离变压器、滤波电路等。
7 功率单元自动旁路原理
功率单元自动旁路功能是级联式多电平结构特有的优势,能显著的提高可靠
性。其基础为具有独立、等同、串联的功率单元结构。
当某个功率单元出现故障时,这个功率单元会被旁路,同时采用输出线电压
平衡技术,保证其他所有的功率单元参与运行。SUPERDRIVE A7 系列变频器支
持最多3 个功率单元,每相最多2 个功率单元被故障旁路,并且保证在每种旁路
情况下都可以充分利用剩余功率单元。
图2-5 功率单元自动旁路原理图
一文简析变压器原理及接线组别
时间:2026-03-06
电脑辐射消除器
时间:2026-03-06
液晶显示器的液晶板类型
时间:2026-03-06
液晶显示器的屏幕尺寸
时间:2026-03-06
液晶显示器的接口类型
时间:2026-03-06
液晶显示器的灰阶响应时间
时间:2026-03-06
液晶显示器点距
时间:2026-03-06
液晶显示器的亮度
时间:2026-03-06
液晶显示器色彩数
时间:2026-03-06
液晶显示器的对比度
时间:2026-03-06
玻璃釉电容器的结构与特点
时间:2026-03-05
关于STM32WL LSE 添加反馈电阻后无法起振的...
时间:2026-03-05
电阻的标称阻值和允许偏差
时间:2026-03-05
使用过滤器电容器和诱导器来抑制受辐射的EM...
时间:2026-03-05
瓷片电容的意义以及电容抗扰电路设计与分析
时间:2026-03-05
电容电感区别在哪里?特性差异是什么?可编...
时间:2026-03-05
浅谈高压贴片电容分类与性能参数
时间:2026-03-05
聚四氟乙烯电容器的结构与特点
时间:2026-03-05
漆膜电容器的结构与特点
时间:2026-03-05
复合介质电容器的结构与特点
时间:2026-03-05