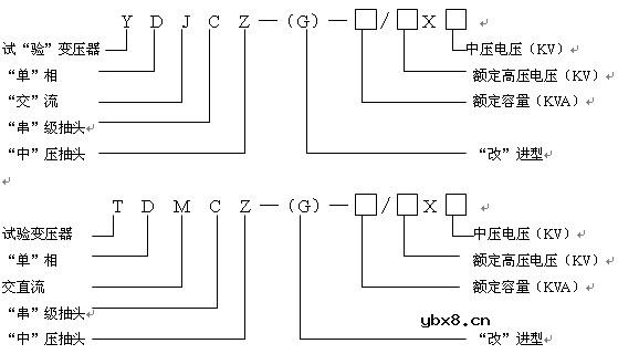
YDJ-5KVA/50KV油浸式轻型高压试验变压器
产品描述:
-5KVA/50KV油浸式轻型高压试验变压器TDM交直流试验变压器- MLXC-5KVA试验变压器控制箱 异形直流高压试验变压器,变压器耐压试验变压器,TDM交直流高压试验变压器是华电美伦电力技术生产的轻型试验变压器的专用配套设备,该控制箱、台具有使用维修方便、性能优越使用安全可靠、外型结构美观、坚固耐用、移动方便等特点。是供电企业、大型工厂、冶金、发电厂、铁路等需要电力维修部门的必备设备。霍利韦尔HONEYWELL特别设计了自动数字式过电流保护装置。声光报警,过流过压保护装置,时间计算功能。标准编号:DL/T 848.2-2004,高压试验装置通用技术条件:工频高压试验装置
YDJ-100KV高压试验变压器,TDM交直流高压试验变压器,TDM交直流试验变压器,试验变压器,交流试验变压器,工频试验变压器,耐压试验仪,油浸式试验变压器,程控超低频高压发生器,轻型高压试验变压器,变频谐振耐压试验装置,耐压测试仪,
技术参数:1KVA-200KVA无级可调。精度:1级
一、 概述:
本系列控制箱(台)是根据高压试验变压器独特的使用范围而设计生产的,其功能有:
A、 合闸声光报警;
B、 计时声光报警;
C、 电子式低压电流保护(箱式);
D、 高压电压直读;
E、 耐压试验时间自由设定(数显);
F、 移动式结构(台式)
二、 工作原理:
本系列控制箱(台)是由接触式调压器(50kVA以上为电动柱式调压器)及其控制、保护、测量、信号电路组成。它是通过接入220V或380V工频电源,调节调压器(即试验变压器的输入电压),以获得所需要的试验高压电压值。美伦其工作原理见图1:

图2:轻型试验变压器铭牌信号含义


1—电源插座 2—数显时间继电器
3—数显电流整定器 4—启动、停止、计时按钮
5—高压电压指示表 6—低压电流指示表
7—信号灯、报警闪光灯 8—接线柱

图2:控制台面板布置
1—信号灯、报警闪光灯 2—报警器出音孔
3—数字电流保护继电器 4—高压电压指示表
5数显时间继电器 6—启动、停止、计时按钮
7—低压电流表
四、 技术参数、规格及选用配套
该控制箱(台)的容量是与调压器是与调压器的容量而标称,如果和试验变压器(短时30min以内工作制)配套工作,可根据中华人民共和国电力行业标准“DL474.4-92”之规定:P0=0.75P选配。式中P0—试验变压器容量;P—调压器容量。如用于电器专业工厂产品作批量试验,调压器容量应等于试验变压器容量,即:P0=P。
控制箱(台)的技术参数如表1
五、 操作指南
在操作之前应根据不同被试品的容量、电压等级,先计算好最大工作电流,并调整电流保护器。其试验接线应参考本说明书中图1或试验变压器中相关的连接示意图,接地端应良好接地(以下视耐压试验为例)。
5—1、连接电源(箱式为插座式电源,台式为接线柱式电源),并将调压器手柄旋至零位处,零位开关闭合,零位指示灯(黄灯)亮,(也称调压器零位输出状态指示);
5—2、按下启动按钮(绿色),接触器吸合,调压器受电,同时工作指示灯(红灯)亮,并发出警报声(警报声随调压器离开零位后,报警声光才能停止);
5—3、顺时针缓慢均匀地旋转调压器手柄,并密切注视仪表读数,当升到所需高压电压值时,应停止旋转手炳,并及时按下计时按钮(黄色),此时,数显时间继电器顺计时显示时间(计时单位为“s”,秒),当到达设定的时间,控制箱(台)内发出声光报警,及时将调压器手柄反方向旋转,直至调压器回零为止,解除计时按钮,;
5—4、在升压或耐压试验过程中,如出现短路、闪络、击穿等过电流时,电流继电器保护跳闸,调压器自动断电,表示被试品不合格,此时应将调压器回零,切断电源,检查被试品。
六、 使用与维护
6—1、美伦开箱验收时,应检查主控回路接线是否松动,调压器电刷是否接触良好;
6—2、长期不用时,使用前应用500V兆欧表测量绝缘电阻,其阻值不低于0.5MΩ;
6—3、电源电压应符合箱(台)铭牌上的输入电压值;
6—4、本箱(台)设有过电流保护,出厂已调整为额定电流的80%。用于小负载时,应根据被试品的额定容量电流重新设定;
6—5、使用完毕后,应关好箱(台)门盖,以保持箱(台)内部清洁。
七、 使用条件
7—1、环境温度:0—40℃;
7—2、海拔高度:<4200m;
7—3、相对湿度:<85%;
7—4、工作场所应无严重影响绝缘的气体、蒸汽、化学性尘埃及其它爆炸性和腐蚀性介质。
一文简析变压器原理及接线组别
时间:2026-03-06
电脑辐射消除器
时间:2026-03-06
液晶显示器的液晶板类型
时间:2026-03-06
液晶显示器的屏幕尺寸
时间:2026-03-06
液晶显示器的接口类型
时间:2026-03-06
液晶显示器的灰阶响应时间
时间:2026-03-06
液晶显示器点距
时间:2026-03-06
液晶显示器的亮度
时间:2026-03-06
液晶显示器色彩数
时间:2026-03-06
液晶显示器的对比度
时间:2026-03-06
玻璃釉电容器的结构与特点
时间:2026-03-05
关于STM32WL LSE 添加反馈电阻后无法起振的...
时间:2026-03-05
电阻的标称阻值和允许偏差
时间:2026-03-05
使用过滤器电容器和诱导器来抑制受辐射的EM...
时间:2026-03-05
瓷片电容的意义以及电容抗扰电路设计与分析
时间:2026-03-05
电容电感区别在哪里?特性差异是什么?可编...
时间:2026-03-05
浅谈高压贴片电容分类与性能参数
时间:2026-03-05
聚四氟乙烯电容器的结构与特点
时间:2026-03-05
漆膜电容器的结构与特点
时间:2026-03-05
复合介质电容器的结构与特点
时间:2026-03-05