如下图的行灯变压器能给电瓶充电吗?
上图的变压器简直太强大了,抽头多功率足完全可以。具体可以使用6.3伏与12伏两个绕组串联合计18伏左右然后接一个200安培的低压整流二极管再串联一个2000瓦电炉丝制作的滑动变阻器作为调节充电电流大小的手段,就可以同时给5-10个汽车电瓶充电。
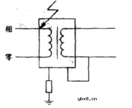
当电源变压器为专用变压器时,行灯变压器的外壳应采用保护接零(当专用变压器采用保护接零时),如下图a、b两种接法,其二次侧可以接地或不接地。

如果二次侧与行灯变压器的外壳连接,如下图所示。则双绕组的行灯变压器将变成绕组相通的自耦变压器,这是不允许的。因为一次侧零线对地电位升高时,二次侧零线对地也会出现危险电压。

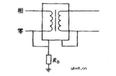
当电源变压器为公用变压器时(公用变压器一般都采用保护接地),行灯变压器的外壳应采用保护接地,如下图所示,其二次侧也可以接地(但必须与行灯变压器外壳的保护接地分开两个接地体)或不接地。

如果二次侧与外壳同用一个接地体,如下图所示,一旦发生相线碰壳,则接地体上有电流通过,接地线和二次侧对地的电位将升高,因而影响 行灯的安全。

一文简析变压器原理及接线组别
时间:2026-03-06
TIL601~TIL604 LS600 LS602 LS61
时间:2026-03-06
TIL601~TIL604 LS600 LS602 LS61
时间:2026-03-06
TIL601~TIL604 LS600 LS602 LS61
时间:2026-03-06
TIL601~TIL604 LS600 LS602 LS61
时间:2026-03-06
TIL3009~TIL3012参数测量电路图
时间:2026-03-06
TIL3009~TIL3012管脚电路图
时间:2026-03-06
TIL3009~TIL3012管教封装尺寸电路图
时间:2026-03-06
TIL3009~TIL3012逻辑电路图
时间:2026-03-06
TIL3009-TIL3012电阻负载电路图
时间:2026-03-06
玻璃釉电容器的结构与特点
时间:2026-03-05
关于STM32WL LSE 添加反馈电阻后无法起振的...
时间:2026-03-05
绝缘电阻用什么来测量_绝缘电阻测量方法
时间:2026-03-05
电阻的标称阻值和允许偏差
时间:2026-03-05
使用过滤器电容器和诱导器来抑制受辐射的EM...
时间:2026-03-05
安规电容资料整理(定义/作用/分类)
时间:2026-03-05
如何区分电容的正负极
时间:2026-03-05
耦合电容器的概念、结构及应用
时间:2026-03-05
瓷片电容的意义以及电容抗扰电路设计与分析
时间:2026-03-05
电容电感区别在哪里?特性差异是什么?可编...
时间:2026-03-05