光电隔离应用设计电路图
时间:2026-03-07
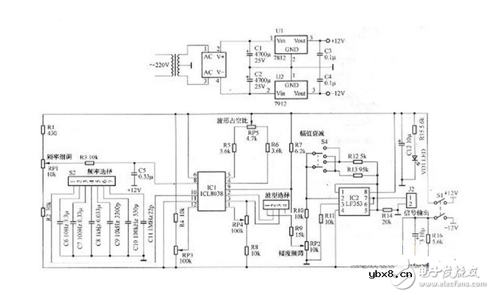
多功能信号发生器电子电路设计图
时间:2026-03-07
前置放大器的电路设计图
时间:2026-03-07
LC正弦波振荡器电路设计图
时间:2026-03-07
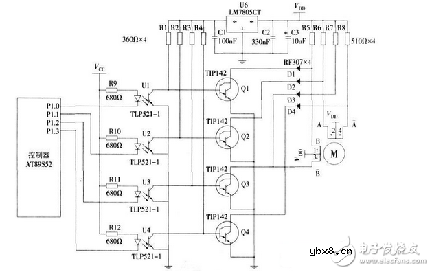
二相步进电机驱动电路设计图
时间:2026-03-07
智能家居系统网关无线收发模块电路设计
时间:2026-03-07
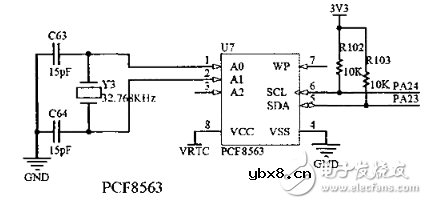
电路图天天读(5):智能网关系统日历电路图...
时间:2026-03-07
基于ZigBee协议的无线通讯硬件电路设计图
时间:2026-03-07
扩展存储器电路图设计
时间:2026-03-07
光电隔离RS485典型电路图
时间:2026-03-07
彩灯电路
时间:2026-03-05
三相异步电动机原理
时间:2026-03-04
三相异步电动机的七种调速方式
时间:2026-03-04
转角测量电路
时间:2026-03-05
经典的正弦波发生电路
时间:2026-03-05
电动机单线远程正反转控制电路图
时间:2026-03-04
USB转232电路图
时间:2026-03-04
电度表的工作原理
时间:2026-03-04
电风扇红外遥控器2
时间:2026-03-04
三相异步电动机的拆装详讲
时间:2026-03-04