我们都知道继电器吸合电流是比吸合之后的维持电流要大,如果设计电路时考虑到继电器的这一特性,即在继电器吸合后减小其工作电流,只要能够可靠维持吸合状态,就能达到降低继电器功耗的目的。

图1
如图1所示,在继电器的驱动三极管基极接有电阻R1和电容C,当控制电平从A点注入时,电容C两端电压不能突变,相当于A点注入的控制电平没有损耗的提供给了三极管基极,从而驱动继电器吸合。当电容C上的电压充满时,控制电平经R1限流后提供给三极管基极,驱动继电器的电流相应变小使之能够维持吸合,达到降低功耗的目的。

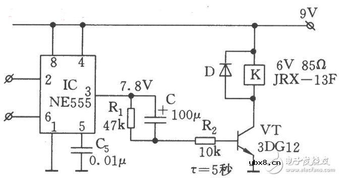
图2
再来看图2,这是一个由555时基电路提供控制电平的电路。当555电路的3 脚由低电平翻转为高电平时,由于电容C两端电压不能突变,则三极管VT获得的注入电流为(VA-0.7V)/R2。之后,C通过R2和三极管eb结充电,VB电压下降,当C充满时,VB=VA-VC,由于三极管基极电流Ib的减小,使流过继电器的电流Ic减低至接近释放电流,继电器完成低功耗维持状态的转换。
相序继电器工作原理的全面介绍
时间:2026-03-06
热保护器的工作原理解析
时间:2026-03-06
热敏干簧继电器是什么
时间:2026-03-06
电动机保护元件:热继电器的三种过载保护形...
时间:2026-03-06
电磁型电流继电器的动作条件
时间:2026-03-06
继电器PLC和晶体管PLC区别
时间:2026-03-06
场效应管时间继电器是怎样工作的?
时间:2026-03-06
电路板式继电器
时间:2026-03-06
继电器电路故障
时间:2026-03-06
继电器的作用及触点故障处理方法
时间:2026-03-06
玻璃釉电容器的结构与特点
时间:2026-03-05
关于STM32WL LSE 添加反馈电阻后无法起振的...
时间:2026-03-05
电阻的标称阻值和允许偏差
时间:2026-03-05
LED固晶机龙头直面“寒冬”
时间:2026-03-05
浅谈高压贴片电容分类与性能参数
时间:2026-03-05
聚四氟乙烯电容器的结构与特点
时间:2026-03-05
漆膜电容器的结构与特点
时间:2026-03-05
复合介质电容器的结构与特点
时间:2026-03-05
瓷介电容器的结构与特点
时间:2026-03-05
电解电容器的结构与特点
时间:2026-03-05