由于固态继电器是由固体元件组成的无触点开关元件,所以与电磁继电器相比具有工作可靠、无噪声、无火花、寿命长,对外界干扰小,能与逻辑电路兼容、抗干扰能力强、灵敏度高、开关速度快和使用方便等- 。系列优点,因而具有很宽的应用领域,有逐步取代传统电磁继电器之势,另外,SSR成功地实现了弱信号(Vsr)对强电(输出端负载电压)的控制。由于光耦合器的应用,使控制信号所需的功率极低(约十余毫瓦就可正常工作),而且Vsr所需的工作电平与tl、HTL、CMOS等常用集成电路兼容,可以实现直接联接。这使SSR在数控和自控设备等方面得到广泛应用。交流型SSR由于采用过零触发技术,因而可以使SSR安全地用在计算机输出接口上,不必为在接口上采用MER而产生的一系列对计算机的干扰而烦恼。因此可进-。步扩展到传统电磁继电器无法应用的计算机等领域。此外,SSR还有能承受在数值上可达额定电流十倍左右的浪涌电流的特点。
我们使用的工频交流电每秒要有100次经过零点(正负极性交替时),若任一个周期的此时(电压过零时)使固态继电器导通,那么流过固态继电器主回路的电流就会随电压从零开始逐渐增大,而不会出现瞬间的冲击电流,从而延长了设备使用寿命,同时不会产生高次谐波,避免了谐波对电网和其他设备造成的危害。所以“零电压”指的是主回路(相当于接触器的主触点)上的电压,而不是控制回路(触发回路)的电压。
过零触发意思是在零电压和零电流状态下导通可控硅,可以承受大的电流,同时触发完后免除了电流和电压的冲击,对可控硅的使用寿命有很好的保护作用,有这样的触发模块,移相/过零都可以用。。
简单的说:
过零很简单,就是用的过零导通光耦MOC3083做触发元件,就可以实现过零触发导通功能了。
稍微复杂一点:
光耦触发是最常用的,但其并不是真正的过零,离零点约有三十伏的电压偏差,对于380V的电压,可以忽略了。还有好一点的固态,有过零检测电路,触发用的是变压器脉冲触发,这种电路可靠性高,成本也高。
交流固态继电器SSR就是以双向可控硅来作为开关器件,用于来控制交流负载的通断。
上述的是交流固态继电器,而交流型固态继电器又分过零触发型和非过零触发型。而题目说的,可能是交流固态继电器中的过零触发型固态继电器。
过零触发型固态继电器内部有过零检测电路,当施加输入信号vin时,只有当交流电源电压达到过零区,SSR才导通,但有可能造成电源的半个周期最大延时。当撤掉输入信号vin时,SSR要等交流电的正半周期和负半周期的交界点即零电位时才断开。因此,这种过零触发型固态继电器,只有交流电源电压过零点(Ut=0)时,负载电源才能接通。如果是非过零触发型固态继电器,只要施加输入信号vin,无论交流负载电源电压处于何状态,都立马接通负载电源。
但过零触发型固态继电器的好处,一是防止高次谐波干扰,二是防止对电网的污染。下图分别是直流固态继电器、过零触发型固态继电器、非过零触发型固态继电器的工作波形图。

固态继电器是无触点开关器件,具有驱动功率小、噪声低、可靠性好、抗干扰性能好等优点,又因为其耐腐蚀及耐潮湿,所以它能适应于环境恶劣和易燃易爆场合的应用。可是并非要用过零触发型固态继电器,非过零触发型固态继电器也可以应用的,如何用得根据实际具体要求而定夺。

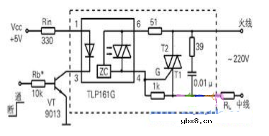
采用内部有交流电过零时触发电路(图7中的“ZC”部分)的ILP161G光耦,可以做成过零触发交流固态继电器电路,如图7所示。它能在交流电过零附近触发双向可控硅,使交流波形完整,不会造成对电网的干扰。其工作原理与图6相同。图中的39Ω及0.01μF RC电路是一种浪涌电压吸收回路,它用来保护双向可控硅免于瞬态的过压而损坏。外接的三端双向可控硅选择方法与图6电路相同。
实用电子元器件检测电路
时间:2026-03-07
实用线圈匝间短路测试器电路
时间:2026-03-07
简易电动三轮车电路
时间:2026-03-07
tvs二极管应用电路
时间:2026-03-07
一种电动车电气线路图
时间:2026-03-07
分析电动车喇叭接线图
时间:2026-03-07
tvs管单向和双向的区别
时间:2026-03-07
两个典型电动车闪光器电路
时间:2026-03-07
tvs管和稳压管的区别
时间:2026-03-07
瞬态抑制二极管好坏判断方法
时间:2026-03-07
玻璃釉电容器的结构与特点
时间:2026-03-05
电容器入门教程
时间:2026-03-05
关于STM32WL LSE 添加反馈电阻后无法起振的...
时间:2026-03-05
暑期买元器件下单立减还送华为P30pro
时间:2026-03-05
电阻的标称阻值和允许偏差
时间:2026-03-05
使用过滤器电容器和诱导器来抑制受辐射的EM...
时间:2026-03-05
LED固晶机龙头直面“寒冬”
时间:2026-03-05
浅谈高压贴片电容分类与性能参数
时间:2026-03-05
聚四氟乙烯电容器的结构与特点
时间:2026-03-05
漆膜电容器的结构与特点
时间:2026-03-05