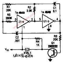
采用4049的CMOS压电激励器

该电路采用一个4049去激励一个2N2222开关晶体管,该晶体管激励一个压电变化器的晶体1.
相关热词:
相近又有所区别,解析射频和数字电路设计的...
时间:2026-03-07
全面解读电动汽车电机基础知识
时间:2026-03-07
电机的星形接法和三角形接法有何不同?来看...
时间:2026-03-07
隔离RSM232的应用
时间:2026-03-07
热得快电路图解析
时间:2026-03-07
你所不知道的数字电路识图技巧
时间:2026-03-07
电路分享:声光控节电开关电路设计
时间:2026-03-07
电路分享:用微处理器如何设计洗碗机电路
时间:2026-03-07
555定时器引脚图及功能表
时间:2026-03-07
几个555定时器应用电路图
时间:2026-03-07
彩灯电路
时间:2026-03-05
三相异步电动机原理
时间:2026-03-04
三相异步电动机的七种调速方式
时间:2026-03-04
转角测量电路
时间:2026-03-05
经典的正弦波发生电路
时间:2026-03-05
电动机单线远程正反转控制电路图
时间:2026-03-04
USB转232电路图
时间:2026-03-04
电度表的工作原理
时间:2026-03-04
电风扇红外遥控器2
时间:2026-03-04
三相异步电动机的拆装详讲
时间:2026-03-04