多敏固态控制器光电输入的电路应用原理
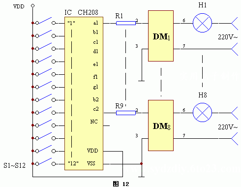
该装置作光电输入的应用电路工作原理如下图所示。这是一只巨型数字显示屏。IC CH208是一块数字译码驱动集成电路。按下联接在CH208输入端“1”-“12”的按键,就可以显示相应的数字。一块CH208可以显示1-12的数字,如果用三块CH208集成块联合起来应用,就可以显示百位数了。具体应用时,可以不用b2、c2笔段,作“0”显示时,就按动S10键,便可显示“0”,同是示必设置K11、K12两个键。每位数共需10只这种固态控制器DM,每笔段可由上千瓦的灯泡群组成。

相关热词:#光电
单声道调频发射器电路
时间:2026-03-07
三运放V/I转换电路
时间:2026-03-07
发光二极管的伏安特性及测试
时间:2026-03-07
间歇式蟑螂捕灭器电路
时间:2026-03-07
tvs管是什么?tvs管的作用介绍
时间:2026-03-07
袖珍型助昕器电路
时间:2026-03-07
一种电子式脉搏仪电路
时间:2026-03-07
动物驱赶器电路
时间:2026-03-07
实用电子元器件检测电路
时间:2026-03-07
实用线圈匝间短路测试器电路
时间:2026-03-07
彩灯电路
时间:2026-03-05
三相异步电动机原理
时间:2026-03-04
三相异步电动机的七种调速方式
时间:2026-03-04
转角测量电路
时间:2026-03-05
经典的正弦波发生电路
时间:2026-03-05
电动机单线远程正反转控制电路图
时间:2026-03-04
USB转232电路图
时间:2026-03-04
电度表的工作原理
时间:2026-03-04
电风扇红外遥控器2
时间:2026-03-04
三相异步电动机的拆装详讲
时间:2026-03-04