盒式放音机的自动断电电路图
有声音出现时,VU表的LED发光,光敏电阻LDR收到LED发出的光后,送出高电位脉冲到T1,T1对电容C1进行充电。

相关热词:#放音
双控开关的连接方法分享
时间:2026-03-07
一键开关机电路图解析
时间:2026-03-07
实用的光控延时开关电路图
时间:2026-03-07
一个典型的光暗接通光控开关电路
时间:2026-03-07
简单的亮通开关电路图解析
时间:2026-03-07
稳幅低频信号发射器电路图
时间:2026-03-07
三款ttp223触摸开关电路图分享
时间:2026-03-07
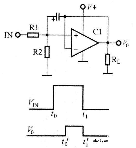
运放组成的脉冲压缩电路图
时间:2026-03-07
电压和电流反馈放大电路图
时间:2026-03-07
串联和并联反馈放大电路图
时间:2026-03-07
彩灯电路
时间:2026-03-05
三相异步电动机原理
时间:2026-03-04
三相异步电动机的七种调速方式
时间:2026-03-04
转角测量电路
时间:2026-03-05
经典的正弦波发生电路
时间:2026-03-05
电动机单线远程正反转控制电路图
时间:2026-03-04
三相异步电动机的拆装详讲
时间:2026-03-04
USB转232电路图
时间:2026-03-04
电度表的工作原理
时间:2026-03-04
电风扇红外遥控器2
时间:2026-03-04