时标电路
序列信号发生器:
设计步骤: 第一步 构成一个模P计数器;第二步 选择适当的数据选择器,把欲产生的序列按规定的顺序加在数据选择器的数据输入端,把地址端与计数器的输出端适当地连接起来,数据选择器的输出端将产生所需的序列信号.

相关热词:#时标电路
欧莱特SBS-15全自动干手器电路
时间:2026-03-07
工业用电子点火器电路
时间:2026-03-07
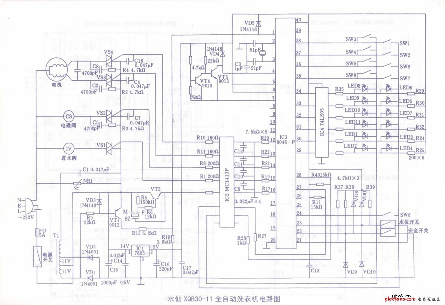
水仙XQB30-11全自动洗衣机原理图
时间:2026-03-07
低压电器过流保护电子开关电路
时间:2026-03-07
DT9205型万用表电路
时间:2026-03-07
生物取毒器电路
时间:2026-03-07
普通键盘电路原理图
时间:2026-03-07
滚动式按摩器原理电路
时间:2026-03-07
三和松石振动式按摩棒电路
时间:2026-03-07
多功能呼救原理电路
时间:2026-03-07
彩灯电路
时间:2026-03-05
三相异步电动机原理
时间:2026-03-04
三相异步电动机的七种调速方式
时间:2026-03-04
转角测量电路
时间:2026-03-05
经典的正弦波发生电路
时间:2026-03-05
电动机单线远程正反转控制电路图
时间:2026-03-04
USB转232电路图
时间:2026-03-04
电度表的工作原理
时间:2026-03-04
电风扇红外遥控器2
时间:2026-03-04
三相异步电动机的拆装详讲
时间:2026-03-04