功率达300mw的调频发射机电路
时间:2026-03-07
二极管工作原理知识讲解
时间:2026-03-07
遥控玩具车发射电路
时间:2026-03-07
二极管分类、用途及正负引脚的判断
时间:2026-03-07
最全面的二极管知识分享珍藏版
时间:2026-03-07
最全面的二极管知识解读
时间:2026-03-07
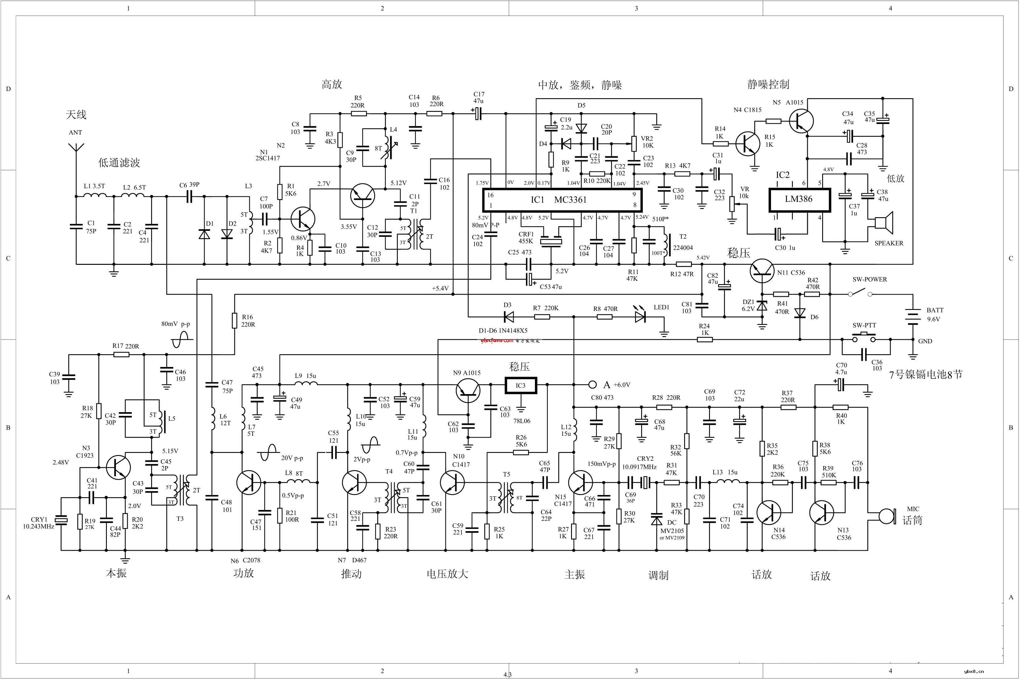
调频无线电对讲机电路
时间:2026-03-07
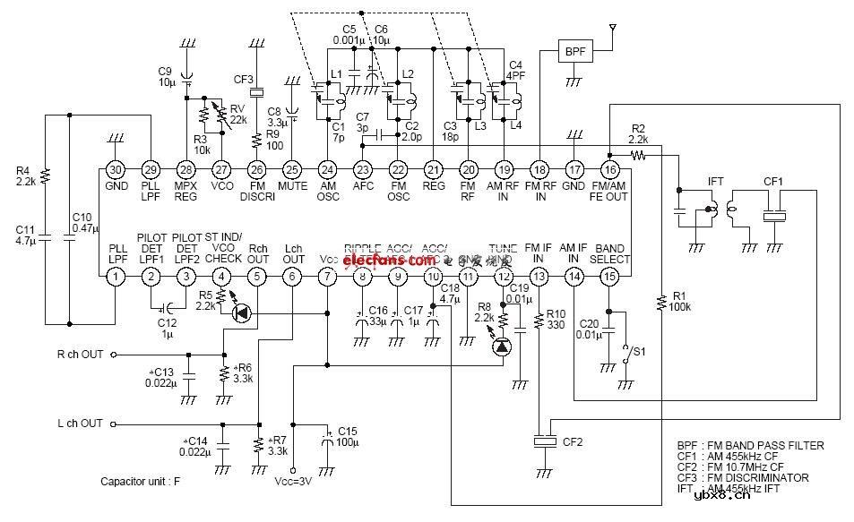
CXA1238M接收端电路图
时间:2026-03-07
较简单二极管更灵敏的AM检波器设计
时间:2026-03-07
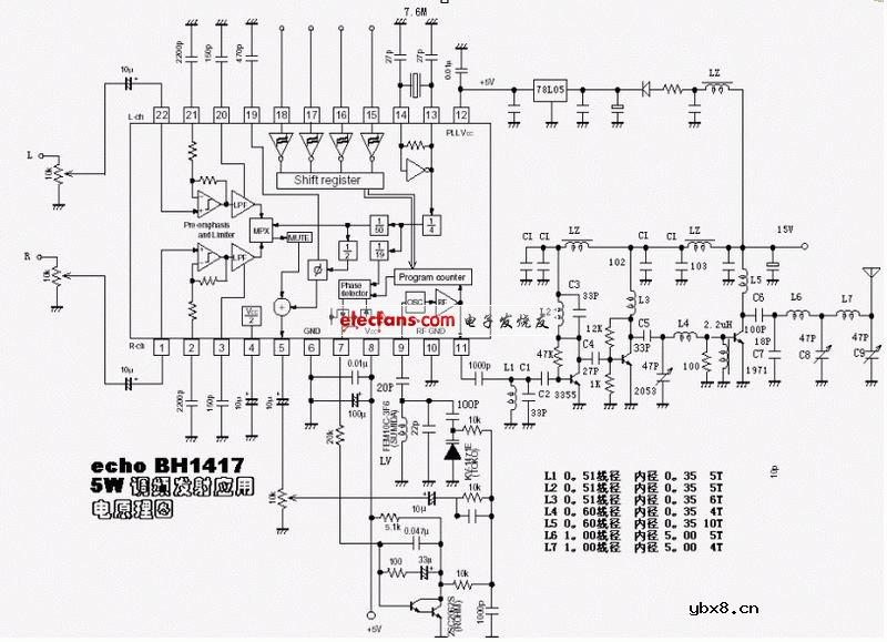
BH1417调频发射电路
时间:2026-03-07
彩灯电路
时间:2026-03-05
三相异步电动机原理
时间:2026-03-04
三相异步电动机的七种调速方式
时间:2026-03-04
转角测量电路
时间:2026-03-05
经典的正弦波发生电路
时间:2026-03-05
电动机单线远程正反转控制电路图
时间:2026-03-04
USB转232电路图
时间:2026-03-04
电度表的工作原理
时间:2026-03-04
电风扇红外遥控器2
时间:2026-03-04
三相异步电动机的拆装详讲
时间:2026-03-04