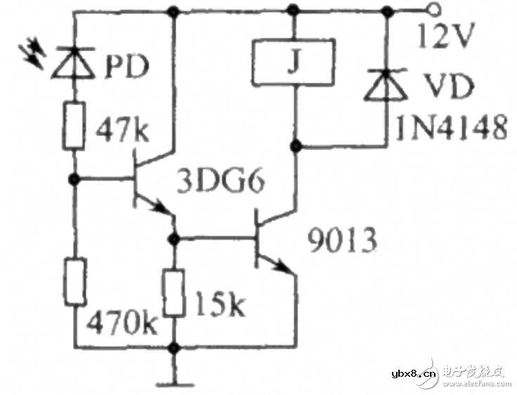
光敏二极管是常用的光敏元件之一。它与普通的半导体二极管相比,相似之处是管心都是一个PN结,具有单向导电性能;不同之处是从外形上看时,光敏二极管管壳上有一个能射人光线的“窗口”。当光线透过“窗口”照射到光敏二极管管芯上时,PN结反向漏电流增大,此时的发电流称为光电流;而无光照时,PN结反向漏电流很小,此时的漏电流称为暗电流。我们就是利用光敏二极管的这一特点,演变出许许多多的经典光敏二极管控制电品路,从本例开始的数例介绍光敏二极管的应用电路。
光敏二极管的典型应用电路如图234所示:

图a为常见的几种光敏二极管的外形;图b为光敏二极管的电路图形符号,其文字符号(即代号)用VDP表示;图c为光敏二极管结构剖面图,光线经有机玻璃透镜(即“窗口”}聚焦,照射到管心上,引起管心PN结的阻值变化,而后接到图d所示电路上,即会引起光电流变化。从图d所示典梨应用电路中可以看出,光敏二极管工作时必须加上。反向电压,在这里,R1为光敏二极管的负载电阻,Uo为输出电压。
光电二极管、光电三极管是电子电路中广泛采用的光敏器件。光电二极管和普通=极管- -样具有一个PN结, 不同之处是在光电二极管的外壳上有一个透明的窗口以接收光线照射,实现光电转换,在电路图中文字符号一般为VD。光电三极管除具有光电转换的功能外,还具有放大功能,在电路图中文字符号一般为VT。光电三极管因输入信号为光信号,所以通常只有集电极和发射极两个引脚线。同光电二极管一一样, 光电三极管外壳也有一个透明窗口,以接收光线照射。

基于瑞萨触摸按键型遥控器设计(原理图+源代...
时间:2026-03-07
三极管开关电路改进接法电路图
时间:2026-03-07
自动关机电路,自动关机原理分析
时间:2026-03-07
RC电路简介,RC串并联电路的工作原理及应用
时间:2026-03-07
反极性Buck-Boost为什么输出的是一个负压呢...
时间:2026-03-07
稳压管与普通二极管的区别
时间:2026-03-07
五大电子技术知识详解(逻辑门电路 可控硅 ...
时间:2026-03-07
介绍三种恒流电路的原理图
时间:2026-03-07
二极管的结构和分类
时间:2026-03-07
降压型开关稳压器的工作方式介绍
时间:2026-03-07
玻璃釉电容器的结构与特点
时间:2026-03-05
电容器入门教程
时间:2026-03-05
关于STM32WL LSE 添加反馈电阻后无法起振的...
时间:2026-03-05
暑期买元器件下单立减还送华为P30pro
时间:2026-03-05
电阻的标称阻值和允许偏差
时间:2026-03-05
使用过滤器电容器和诱导器来抑制受辐射的EM...
时间:2026-03-05
LED固晶机龙头直面“寒冬”
时间:2026-03-05
浅谈高压贴片电容分类与性能参数
时间:2026-03-05
聚四氟乙烯电容器的结构与特点
时间:2026-03-05
漆膜电容器的结构与特点
时间:2026-03-05