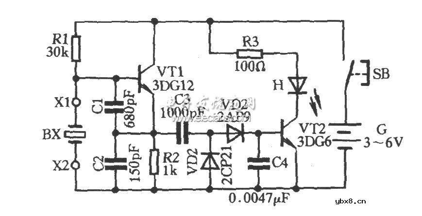
BX为待测石英晶体(又名晶振),插入插座X1、X2,按下按钮SB,如果BX是好的,则由三极管VT1、电容器C1、C2等构成的振荡器工作,振荡信号从VT1发射极输出,经C3耦合到VD2进行检波、C4滤波,变成直流信号电压,送至VT2基极,使VT2导通,发光二极管H发光,指示被测石英晶体是好的。若H不亮,则表明石英晶体是坏的。适当改变C1、C2的容值,即可用于测试不同频率的石英晶体。石英晶体挑选电路:

相关热词:#石英晶体
数码管显示电压电路图大全(六款数码管显示...
时间:2026-03-07
模拟电路之单极点电路 极点对不同频率小信号...
时间:2026-03-07
浅谈模拟电路之电路零点
时间:2026-03-07
基本π网络之三电容电路和零极点分析
时间:2026-03-07
基于运放CA3140的峰值检测电路的设计
时间:2026-03-07
电子管音调电路图大全(六款电子管音调电路...
时间:2026-03-07
211电子管功放电路图大全(八款模拟电路设计...
时间:2026-03-07
807电子管功放电路图大全(十款模拟电路设计...
时间:2026-03-07
最简单音调电路图大全(八款模拟电路设计原...
时间:2026-03-07
三线制负压传感器接线
时间:2026-03-07
彩灯电路
时间:2026-03-05
三相异步电动机原理
时间:2026-03-04
三相异步电动机的七种调速方式
时间:2026-03-04
转角测量电路
时间:2026-03-05
经典的正弦波发生电路
时间:2026-03-05
电动机单线远程正反转控制电路图
时间:2026-03-04
三相异步电动机的拆装详讲
时间:2026-03-04
USB转232电路图
时间:2026-03-04
电度表的工作原理
时间:2026-03-04
电风扇红外遥控器2
时间:2026-03-04