监测传感器
在输出端输出经过放大和整形的电信号,这样就直接将传感器的输出端接入ADμC7024内部集成的12位ADC进行模数转换。再经过软件处理得到血压值。该传感器采用离子注入工艺,内部集成了放大器,滤波器等信号处理单元电路,外部只需要很少的元件即可工作。考虑到本系统可穿戴式的特点,在传感器的选型方面,尽量选用集成化,灵敏度和精度高的产品,这样既能减少系统电路的面积,便于穿戴,又能提高系统的稳定性和可靠性。

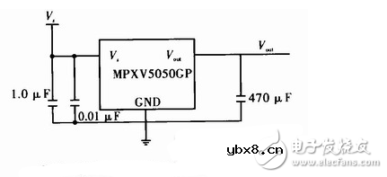
血压采集模块采用MPXV5050GP压电传感器,将其置于衣袖中部肘关节内侧,这样可以直接将动脉血液对血管壁的压力转换为输出电信号,具体电路如图所示。
蓝牙模块
本系统采用蓝牙模块实现与内嵌蓝牙功能的外部设备的数据交换。为减小系统体积、减轻系统质量和降低功耗,本蓝牙模块采用Class-2设计方案,USB输出,传输距离为10 m,支持蓝牙2.0版本协议能够满足系统的需求。蓝牙芯片采用CSR公司的BC417413,芯片内部集成了8 MB闪存,主要存放的是基带、链路管理层和主机控制接口的软件,还包括一些API,用于对芯片进行配置。前端射频带通滤波器选用MDR771F-CSR- T,巴伦采用TDK公司的HHM-1517完成系统的差分射频信号和天线输入输出信号之间的转换。具体设计方案原理图如图5所示。

相关热词:#蓝牙
无线遥控器电路图制作
时间:2026-03-07
无线电遥控门铃电路原理图
时间:2026-03-07
NE555过流保护检测器电路图
时间:2026-03-07
串联谐振升压原理
时间:2026-03-07
谐振回路的工作原理
时间:2026-03-07
电容降压电路原理
时间:2026-03-07
实用的电容降压电路
时间:2026-03-07
低成本的阻容降压电路原理图分析
时间:2026-03-07
阻容降压原理及电路
时间:2026-03-07
阻容降压电路的误区
时间:2026-03-07
彩灯电路
时间:2026-03-05
三相异步电动机原理
时间:2026-03-04
三相异步电动机的七种调速方式
时间:2026-03-04
转角测量电路
时间:2026-03-05
经典的正弦波发生电路
时间:2026-03-05
电动机单线远程正反转控制电路图
时间:2026-03-04
三相异步电动机的拆装详讲
时间:2026-03-04
USB转232电路图
时间:2026-03-04
电度表的工作原理
时间:2026-03-04
电风扇红外遥控器2
时间:2026-03-04