系统采用超声波测距原理。超声波测距仪器一般由发射器、接收器和信号处理器三部分组成。工作时,超声波发射器发出超声波脉冲,超声波接收器接收遇到障碍物反射回来的反射波,准确测量超声波从发射到遇到障碍物反射返回的时间,根据超声波的传播速度,可以计算出障碍物距离。作为一种非接触式的检测方式,超声波具有空气传播衰减小、反射能力和穿透性强的特点。超声波测距具有在近距离范围内有不受光线和雨雪雾的影响、结构简单、制作方便和成本低等优点。高性能的单片机结合超声波测距,可以实现功能强大、使用方便的倒车雷达。TI公司的16位单片机MSP430F2274功耗极低,片上资源丰富,同时利用JTAG接口技术,可以对片上闪存方便的编程,便于软件的升级,非常适合作为倒车雷达系统的微控制器。
硬件系统设计
系统以MSP430F2274微控制器为核心,外围电路由超声波发射电路、超声波接收电路、声光报警电路、通信接口电路、键盘液晶显示电路五部分组成,下面逐一介绍。

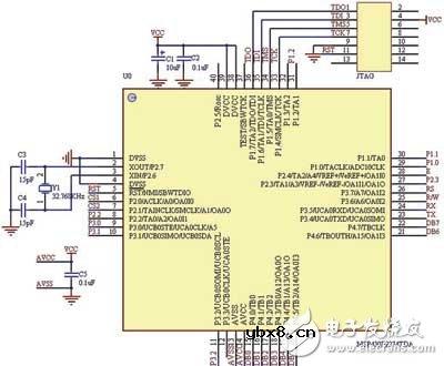
图2 倒车雷达系统主控电路图
系统的主控电路图如图2所示。本系统中选用的MSP430F2274片内有32Kb闪存和1Kb RAM,因此无须外扩存储器。外接的32.768kHz晶振作为CPU关闭状态Basic-Timer的时钟源,同时也作为系统的车载时钟使用。
超声波发送模块电路如图3所示,由超声波产生和发射两部分组成。超声波的产生方法有两种:硬件发生法和软件发生法。常用的硬件发生法常采用如下方案:超声波由CD4011构成的振荡器振荡产生,经升压变换推动超声波换能器而发射出去,振荡器的起振和停振由单片机来控制。本设计采用软件发生法,因为通过软件发生法既可以减少硬件的复杂程度,降低系统的成本,又具有灵活性强、容易实现、稳定性好的优点。本系统利用MSP430F2274单片机的定时器功能来产生稳定的PWM(40Hz)脉冲波,并通过I/O端口P2.3输出到超声波发射部分。在超声波发射电路中CD4049一共包括了6个非门,图3中线路仅使用了3个,为了防止干扰或被静电击穿导致整个CD4049损坏,把没有使用的那一侧的3个非门串起来做接地处理。当控制端输出一系列固定频率脉冲时,在压电陶瓷型超声波发射换能器UCM-40-T上就固定频率的加正电压和反电压,发出大功率的超声波,所得到的波形比其他方式效果更理想。

图3 倒车雷达超声波发送模块
相关热词:#传感器
无线遥控器电路图制作
时间:2026-03-07
无线电遥控门铃电路原理图
时间:2026-03-07
NE555过流保护检测器电路图
时间:2026-03-07
串联谐振升压原理
时间:2026-03-07
谐振回路的工作原理
时间:2026-03-07
电容降压电路原理
时间:2026-03-07
实用的电容降压电路
时间:2026-03-07
低成本的阻容降压电路原理图分析
时间:2026-03-07
阻容降压原理及电路
时间:2026-03-07
阻容降压电路的误区
时间:2026-03-07
彩灯电路
时间:2026-03-05
三相异步电动机原理
时间:2026-03-04
三相异步电动机的七种调速方式
时间:2026-03-04
转角测量电路
时间:2026-03-05
经典的正弦波发生电路
时间:2026-03-05
电动机单线远程正反转控制电路图
时间:2026-03-04
三相异步电动机的拆装详讲
时间:2026-03-04
USB转232电路图
时间:2026-03-04
电度表的工作原理
时间:2026-03-04
电风扇红外遥控器2
时间:2026-03-04