当前位置:首页 > 电路图基础 > 正文

LTC6802与MCU的连接器电路设计详解

来源:网络  发布者:电工基础  发布时间:2026-03-07 16:08
  随着环境和能源问题日益严峻,电动汽车及混合动力汽车已经成为了当今世界关注的焦点。蓄电池是EV的动力环节,但其单体端电压及容量都较小,比如广泛应用的磷酸铁锂(LiFePO4)电池端电压一般不超过3.65 V,因

  随着环境和能源问题日益严峻,电动汽车及混合动力汽车已经成为了当今世界关注的焦点。蓄电池是EV的动力环节,但其单体端电压及容量都较小,比如广泛应用的磷酸铁锂(LiFePO4)电池端电压一般不超过3.65 V,因此常需多单体串并联组合使用来满足车辆的需求。对于车载电池包而言,一个功能完备的监控系统是非常必要的。目前国内的电池组监控设备存在两大问题:一是电池电压检测精度不高,二是电池组均衡控制的实现较复杂。针对这些问题,本文应用Linear Technology 公司新推出的电池组监控芯片LTC6802,设计了一套面向锂离子电池组的硬件监控平台。该平台设计实现的功能包括单体电压/ 温度检测、电池组均衡以及分布式CAN 通信等。

  电池监控系统整体结构

  电池组监控平台的整体结构如图1 所示。本平台设计采用分布式CAN 总线结构,首先,LTC6802 用于实现对单体电压的采集以及串联电池组的被动均衡控制;主控芯片负责接收来自LTC6802 的电压采集信息,并对LTC6802 的相关参数进行设置,此外MCU 还用于实现电池包节点温度以及电流的采集;最后MCU 将电池包的组态信息发送到CAN 通信网络

  

LTC6802与MCU的连接器电路设计详解

  图1 电池组监控平台整体结构

  LTC6802 与MCU 的连接电路设计

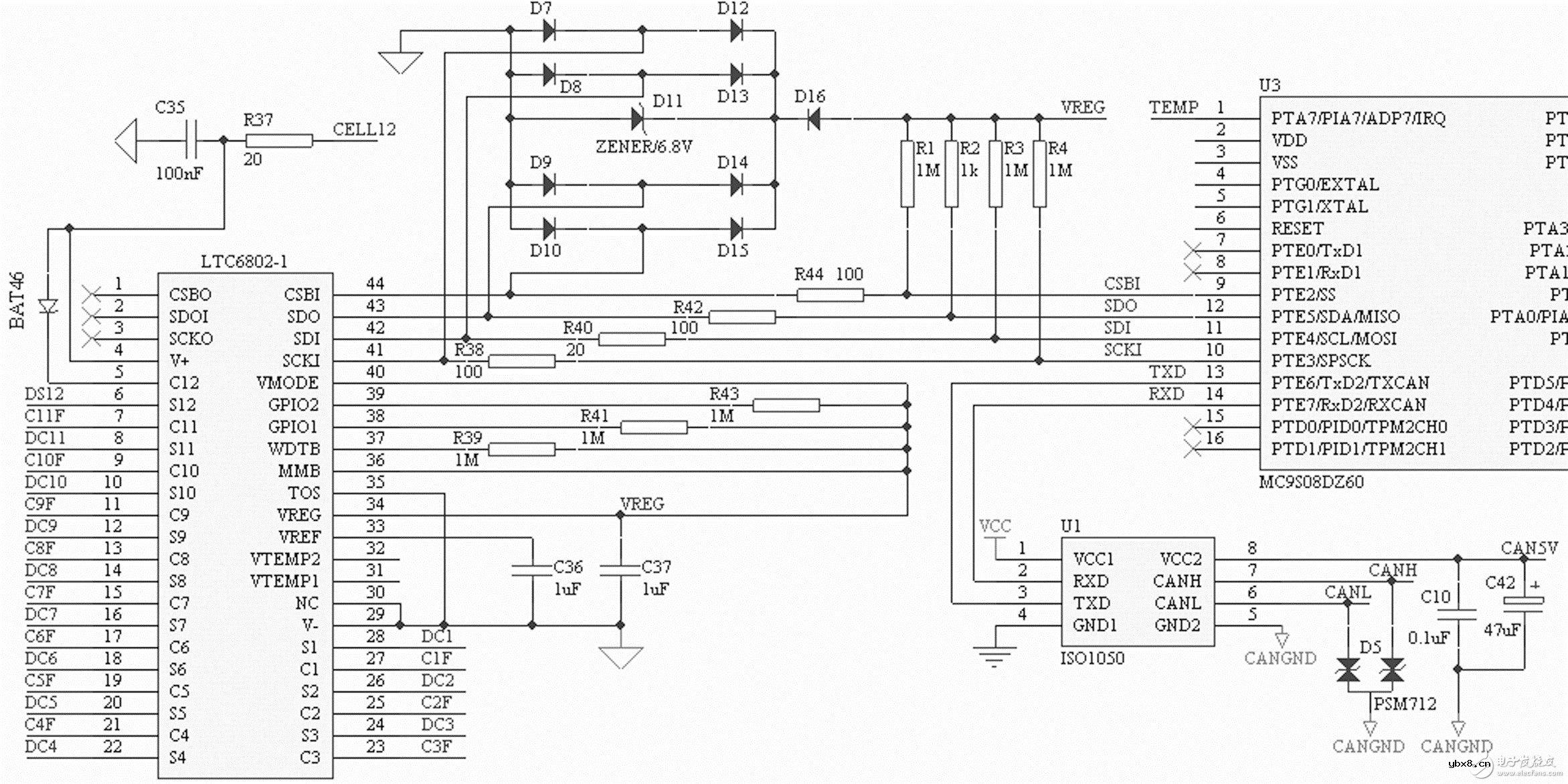
  LTC6802 的外围电路及其与微控制器之间的连接电路如图2 所示。本电路中MCU 选取的是Freescale 系列单片机MC9S08DZ60,其主要功能是进行电流和温度采集、接收来自LTC6802 的信息并将电池包组态信息发送到分布式CAN 通信网络中。

  

LTC6802与MCU的连接器电路设计详解

  图2 LTC6802 与MCU 的连接电路

  LTC6802 可通过其自身与SPI 兼容的串行接口实现与MCU 的通信。对于LTC6802 而言,CSBI 为片选信号SDO 为串行数据输出;SDI 为串行数据输入;SCKI 为串行时钟输入。

  此外,为了保证通信过程稳定可靠,本设计中还引入了静电干扰抑制电路,见图2 中的D7-D15.该电路由8 个二极管和一个齐纳二极管组成,实际也可以采用专用的ESD 静电保护器件PRTR5V0U4D 来实现。

  MCU 的另一项任务是将电池包组态信息发送到CAN 通信网络中。在此本设计选取了CAN 隔离驱动芯片ISO1050,见图2 中的U1.为了进一步提高CAN 通信的抗干扰性能,在平台的CAN 输出端还采用了瞬态电压抑制芯片PSM712。

  ----------------------------------------

  以太网技术资料集锦——让以太网技术迈向工业物联时代!

  


相关热词:

最新文章
无线遥控器电路图制作无线遥控器电路图制作

时间:2026-03-07

无线电遥控门铃电路原理图无线电遥控门铃电路原理图

时间:2026-03-07

NE555过流保护检测器电路图NE555过流保护检测器电路图

时间:2026-03-07

串联谐振升压原理串联谐振升压原理

时间:2026-03-07

谐振回路的工作原理谐振回路的工作原理

时间:2026-03-07

电容降压电路原理电容降压电路原理

时间:2026-03-07

实用的电容降压电路实用的电容降压电路

时间:2026-03-07

低成本的阻容降压电路原理图分析低成本的阻容降压电路原理图分析

时间:2026-03-07

阻容降压原理及电路阻容降压原理及电路

时间:2026-03-07

阻容降压电路的误区阻容降压电路的误区

时间:2026-03-07

热门文章
彩灯电路彩灯电路

时间:2026-03-05

三相异步电动机原理三相异步电动机原理

时间:2026-03-04

三相异步电动机的七种调速方式三相异步电动机的七种调速方式

时间:2026-03-04

转角测量电路转角测量电路

时间:2026-03-05

经典的正弦波发生电路经典的正弦波发生电路

时间:2026-03-05

电动机单线远程正反转控制电路图电动机单线远程正反转控制电路图

时间:2026-03-04

三相异步电动机的拆装详讲三相异步电动机的拆装详讲

时间:2026-03-04

USB转232电路图USB转232电路图

时间:2026-03-04

电度表的工作原理电度表的工作原理

时间:2026-03-04

电风扇红外遥控器2电风扇红外遥控器2

时间:2026-03-04