TRF7970A用于13.56MHz RFID/近场通信系统的集成模拟前端和数据组帧器件。内置编程选项使得此器件适合于广泛的相邻或者附近识别系统的应用。它能够执行以下三种模式中的任一模式:RFID/NFC 读取器、NFC 对等点、或者卡仿真模式。内置用户可配置编程选项使得此器件适合于范围宽广的应用。通过在控制寄存器中选择所需的协议可对TRF7970A。到所有控制寄存器的直接存取可根据需要对不同的读取器参数进行微调。
应用电路图解

一个并行或者串行接口(SPI) 可被用于MCU 和TRF7970A读取器间的通信。当使用内置的硬件编码器和解码器的时候,发射和接收功能使用一个128 字节FIFO 寄存器。对于直接发射或者接收功能,由于编码器或者解码器可被旁路绕开,所以MCU 可实时的处理数据。对于MCU I/O 接口,TRF7970A支持从1.8V 至5.5V 的数据通信电平。当使用一个5V 电源时,发射器有一个等同于50Ω 负载的100 mW (+20 dBm) 或者200 mW (+23 dBm) 的可选输出功率水平。发射器支持具有可选调制深度的通断键控(OOK) 和幅移键控(ASK) 调制。TRF7970A还有一个数据传输引擎,此引擎包含针对ISO15693,ISO14443A/B 和FeliCa 的低阶编码。发送数据编码包括自动生成的帧开始(SOF)、帧结束(EOF)、循环冗余校验(CRC)、和奇偶校验位。几个集成的电压稳压器确保了对于完整读取器系统适当的电源噪声抑制。内置的可编程辅助电压稳压器VDD_X(引脚32)为微控制器和读取器系统内的附加外部电路提供高达20mA 的电源。
TRF7970A使用并行微控制器接口的读取器系统
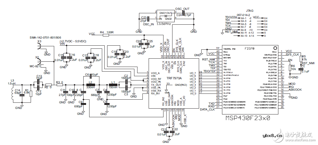
图4-1显示了最灵活的TRF7970A应用电路原理图。ISO15693,ISO14443 和FeliCa 系统都可被设定址。由于DATA_CLK 线路上的低时钟频率,并行接口是将TRF7970A连接至MCU 的最稳健耐用的方法图4-1显示了匹配至一个50Ω 端口,这样可实现到一个适当匹配的50Ω 天线电路或者RF 测量设备的连接(例如,一个频谱分析仪或者一个功率计)。
电路原理图
图4-1显示了一个并行MCU 接口的示例应用电路原理图。

图4-1. 应用电路原理图- 并行MCU 接口
一个MSP430F2370(32kB 闪存,2k BRAM)显示在图4-1中。最小MCU 需求取决于应用要求和编码风格。如果只需支持一个ISO 协议或者一个协议的有限命令集,则对于MCU 闪存和RAM 的要求将会大大减少。请注意递归目录和防冲突命令比单槽运行要求更多的RAM。例如,ISO15693(含主机接口)目前的基准固件大约为8kB,使用512B RAM;对于所有支持的协议(具有同样的主机接口),此基准固件接近12kB 并且最少使用1kB 的RAM。为了实现直接模式0 运行需要一个GPIO 运行频率能达到13.56MHz 的MCU。
----------------------------------------
以太网技术资料集锦——让以太网技术迈向工业物联时代!
相关热词:#RFID
无线遥控器电路图制作
时间:2026-03-07
无线电遥控门铃电路原理图
时间:2026-03-07
NE555过流保护检测器电路图
时间:2026-03-07
串联谐振升压原理
时间:2026-03-07
谐振回路的工作原理
时间:2026-03-07
电容降压电路原理
时间:2026-03-07
实用的电容降压电路
时间:2026-03-07
低成本的阻容降压电路原理图分析
时间:2026-03-07
阻容降压原理及电路
时间:2026-03-07
阻容降压电路的误区
时间:2026-03-07
彩灯电路
时间:2026-03-05
三相异步电动机原理
时间:2026-03-04
三相异步电动机的七种调速方式
时间:2026-03-04
转角测量电路
时间:2026-03-05
经典的正弦波发生电路
时间:2026-03-05
电动机单线远程正反转控制电路图
时间:2026-03-04
三相异步电动机的拆装详讲
时间:2026-03-04
USB转232电路图
时间:2026-03-04
电度表的工作原理
时间:2026-03-04
电风扇红外遥控器2
时间:2026-03-04