74LS138 为3 线-8线译码器,共有 54LS138和 74LS138 两种线路结构型式。54LS138为军用,74LS138为民用。他的工作原理是一下四点:
①当一个选通端(E1)为高电平,另两个选通端((/E2))和(/E3))为低电平时,可将地址端(A0、A1、A2)的二进制编码在Y0至Y7对应的输出端以低电平译出。(即输出为Y0至Y7的非)比如:A2A1A0=110时,则Y6输出端输出低电平信号。
②利用 E1、E2和E3可级联扩展成 24 线译码器;若外接一个反相器还可级联扩展成 32 线译码器。
③若将选通端中的一个作为数据输入端时,74LS138还可作数据分配器。
④可用在8086的译码电路中,扩展内存。
编辑推荐:74LS138中文资料pdf完整版免费下载
54LS138和74LS138 为3 线-8 线译码器共有 54LS138 和74LS138 两种型式,其主要电特性的典型值如下:
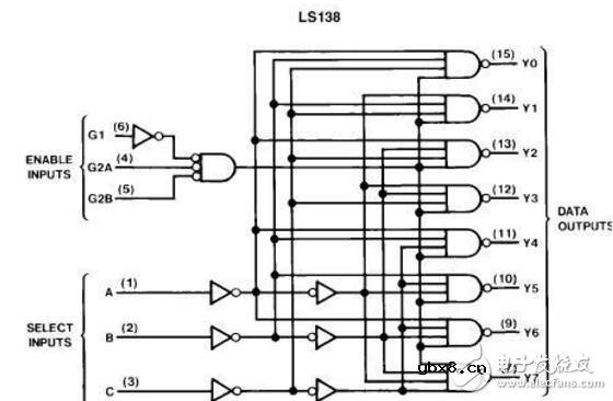
54LS138 /74LS138 传播延迟时间22ns功耗32mW,原理:当一个选通端(G1)为高电平,另两个选通端(/(G2A)和/(G2B))为 低电平时,可将地址端(A、B、C)的二进制编码在一个对应的输出端以低 电平译出。
利用 G1、/(G2A)和/(G2B)可级联扩展成 24 线译码器;若外接一个反 相器还可级联扩展成 32 线译码器。若将选通端中的一个作为数据输入端时,138 还可作数据分配器。


图2 内部逻辑管脚图
编辑推荐:74LS138中文资料pdf完整版免费下载
A、B、C 译码地址输入端,G1 选通端/(G2A)、/(G2B) 选通端(低电平有效);Y0~Y7 译码输出端(低电平有效)真值表:

建议操作条件

电气参数

动态特性表

相关热词:#74ls138
无线遥控器电路图制作
时间:2026-03-07
无线电遥控门铃电路原理图
时间:2026-03-07
NE555过流保护检测器电路图
时间:2026-03-07
串联谐振升压原理
时间:2026-03-07
谐振回路的工作原理
时间:2026-03-07
电容降压电路原理
时间:2026-03-07
实用的电容降压电路
时间:2026-03-07
低成本的阻容降压电路原理图分析
时间:2026-03-07
阻容降压原理及电路
时间:2026-03-07
阻容降压电路的误区
时间:2026-03-07
彩灯电路
时间:2026-03-05
三相异步电动机原理
时间:2026-03-04
三相异步电动机的七种调速方式
时间:2026-03-04
转角测量电路
时间:2026-03-05
经典的正弦波发生电路
时间:2026-03-05
电动机单线远程正反转控制电路图
时间:2026-03-04
三相异步电动机的拆装详讲
时间:2026-03-04
USB转232电路图
时间:2026-03-04
电度表的工作原理
时间:2026-03-04
电风扇红外遥控器2
时间:2026-03-04