当前位置:首页 > 电路图基础 > 正文

两列双限温度报警器电路图

来源:网络  发布者:电工基础  发布时间:2026-03-07 17:11
  双限温度报警器电路(一)   采用热敏电阻器和运算放大器集成电路等元器件制作而成,具有灵敏度高、稳定性好等特点,其温度控制范围为0.80℃,能在受控温度达到设定温度的上限值或下限值时发出声光报警信

  双限温度报警器电路(一)

  采用热敏电阻器运算放大器集成电路元器件制作而成,具有灵敏度高、稳定性好等特点,其温度控制范围为0.80℃,能在受控温度达到设定温度的上限值或下限值时发出声光报警信号,可用于禽蛋孵化、食用菌培育等方面。该双限温度报警器电路由温度检测放大电路、超低频振荡器、声音报警电路和电源电路组成,如图所示。

  

两列双限温度报警器电路图

  元器件选择R1~R16选用1/4W金属膜电阻器或碳膜电阻器。RT选用负温度系数的热敏电阻器。RPl和RP2均选用小型多圈电位器。C1~C4、C6、C7均选用耐压值为16V的铝电解电容器;C5选用涤纶电容器独石电容。VD1~VD3均选用1N4148型硅开关二极管。VL1~VL3均选用φ3mm的高亮度发光二极管,VL1为黄色,VL2为红色,VL3为绿色。UR选用lA、50V的整流桥堆。V1选用S9013或3DG6型硅NPN晶体管;V2选用S8550或C8550、3CG8550型硅PNP晶体管。ICl选用LM324型运算放大器集成电路;IC2选用LM7806型三端稳压集成电路。T选用3.5W、二次电压为10V的电源变压器。BL选用0.25W、812的电动式扬声器。

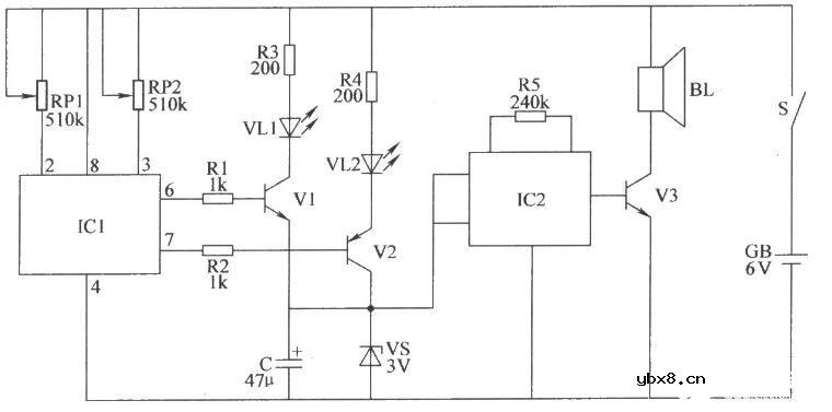
  双限温度报警器电路(二)

  该双限温度报警器电路由温度检测控制电路、温度指示电路和声音报警电路组成,如图所示。

  

两列双限温度报警器电路图

  元器件选择R1~R5选用1/4W金属膜电阻器或碳膜电阻器。RP1和RP2均选用小型有机实心电位器。C选用耐压值为10V的铝电解电容器。VL1和VL2均选用φ3mm的高亮度发光二极管,VL1为红色,VL2为绿色。VS选用1/2W、3V的硅稳压二极管。V1和V3选用S9013或C8050型硅NPN晶体管;V2选用S9015或C8550型硅PNP晶体管。IC1选用TC602型温度传感器集成电路;IC2选用KD9561型音效集成电路。BL选用0.25W、8Ω的微型电动式扬声器。S选用小型单极拨动式开关。GB选用6V叠层电池。

相关热词:#电路图

最新文章
无线遥控器电路图制作无线遥控器电路图制作

时间:2026-03-07

无线电遥控门铃电路原理图无线电遥控门铃电路原理图

时间:2026-03-07

NE555过流保护检测器电路图NE555过流保护检测器电路图

时间:2026-03-07

串联谐振升压原理串联谐振升压原理

时间:2026-03-07

谐振回路的工作原理谐振回路的工作原理

时间:2026-03-07

电容降压电路原理电容降压电路原理

时间:2026-03-07

实用的电容降压电路实用的电容降压电路

时间:2026-03-07

低成本的阻容降压电路原理图分析低成本的阻容降压电路原理图分析

时间:2026-03-07

阻容降压原理及电路阻容降压原理及电路

时间:2026-03-07

阻容降压电路的误区阻容降压电路的误区

时间:2026-03-07

热门文章
彩灯电路彩灯电路

时间:2026-03-05

三相异步电动机原理三相异步电动机原理

时间:2026-03-04

电动机单线远程正反转控制电路图电动机单线远程正反转控制电路图

时间:2026-03-04

三相异步电动机的七种调速方式三相异步电动机的七种调速方式

时间:2026-03-04

转角测量电路转角测量电路

时间:2026-03-05

经典的正弦波发生电路经典的正弦波发生电路

时间:2026-03-05

三相异步电动机的拆装详讲三相异步电动机的拆装详讲

时间:2026-03-04

USB转232电路图USB转232电路图

时间:2026-03-04

电度表的工作原理电度表的工作原理

时间:2026-03-04

电风扇红外遥控器2电风扇红外遥控器2

时间:2026-03-04