DT809C+、CM3920型直流电压测量电路图
电路图基础2026-03-06
DT809C+、CM3920型直流电压测量电路图
DT809C型3,1 2位AD转换电路图
电路图基础2026-03-06
DT809C型3,1 2位AD转换电路图
DT809C型3,1 2位数字万用表的总电路图
电路图基础2026-03-06
DT809C型3,1 2位数字万用表的总电路图
DT809C型电容测量电路图
电路图基础2026-03-06
DT809C型电容测量电路图
DT809C型交流电压测量电路图
电路图基础2026-03-06
DT809C型交流电压测量电路图
DT809C型小数点与低电压指示符的驱动电路图
电路图基础2026-03-06
DT809C型小数点与低电压指示符的驱动电路图
DT809C型直流电流测量电路图
电路图基础2026-03-06
DT809C型直流电流测量电路图
DT809C型直流电压测量电路图
电路图基础2026-03-06
DT809C型直流电压测量电路图
DT890B型二极管及蜂鸣器电路图
电路图基础2026-03-06
DT890B型二极管及蜂鸣器电路图
DT890D、CM3900型3,1 2位数字万用表的总电路图
电路图基础2026-03-06
DT890D、CM3900型3,1 2位数字万用表的总电路图
DT940C型3,1 2位数字万用表总电路图(之二)
电路图基础2026-03-06
DT940C型3,1 2位数字万用表总电路图(之二)
DT940C型3,1 2位数字万用表总电路图(之一)
电路图基础2026-03-06
DT940C型3,1 2位数字万用表总电路图(之一)
DT940C型电导测量电路图
电路图基础2026-03-06
DT940C型电导测量电路图
DT940C型电容测量电路图
电路图基础2026-03-06
DT940C型电容测量电路图
DT940C型电阻测量电路图
电路图基础2026-03-06
DT940C型电阻测量电路图
DT940C型晶体管hFE测量电路图
电路图基础2026-03-06
DT940C型晶体管hFE测量电路图
真空荧光显示器电路图
时间:2026-03-14
安全电压电热毯电路图
时间:2026-03-14
超声波雾化器电路图
时间:2026-03-14
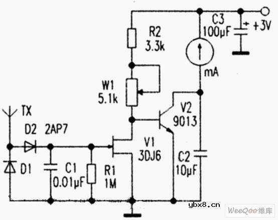
高灵敏度场强仪电路
时间:2026-03-14
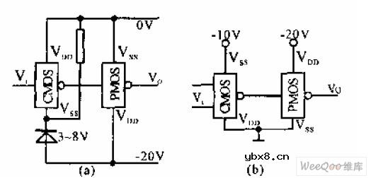
CMOS-PMOS接口电路
时间:2026-03-14
CMOS-发光二极管LED的接口电路
时间:2026-03-14
CMOS高电平驱动电路
时间:2026-03-14
CMOS与晶体三极管接口电路
时间:2026-03-14
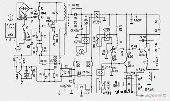
立邦EC16NA电磁炉电路图
时间:2026-03-14
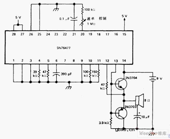
蒸汽机车/螺旋桨飞机声发生器电路图
时间:2026-03-14
三相异步电动机的拆装详讲
时间:2026-03-04
彩灯电路
时间:2026-03-05
电动机单线远程正反转控制电路图
时间:2026-03-04
三相异步电动机原理
时间:2026-03-04
基于逻辑门的构成解释如何完成任意逻辑的管...
时间:2026-03-08
转角测量电路
时间:2026-03-05
NE555的有趣电路设计分享
时间:2026-03-08
经典的正弦波发生电路
时间:2026-03-05
电度表的工作原理
时间:2026-03-04
三相异步电动机的七种调速方式
时间:2026-03-04