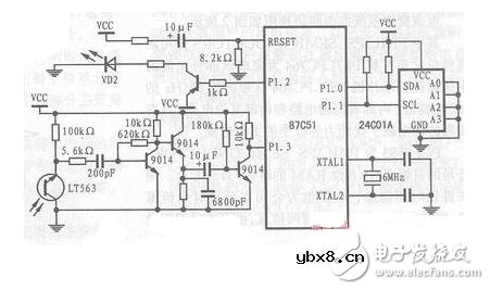
光电开关发光与接收电路图
电路图基础2026-03-07
本文介绍了一种高可靠性的光电开关(光电传感器)电路,带有稳频调制光以抗各种干扰,具有大功率驱动电路和光电三极管的自动增益控制特性,检测电路的输出级带有放大和施密特迟滞特性,确保整机的高抗干扰能力
剖析正弦波振荡电路
电路图基础2026-03-07
正弦波振荡电路是一个没有输入信号,依靠自激振荡产生正弦波输出信号的电路。正弦波振荡电路也称为正弦波振荡器,其实质是放大器引正反馈的结果。正弦波振荡电路一般由放大电路、选频网络、正反馈电路、稳幅环
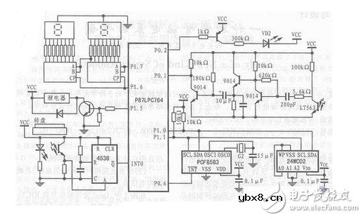
花样广告灯电路设计
电路图基础2026-03-07
系统功能:8路彩灯控制系统框图如图1所示。由时钟产生电路产生频率约为1 Hz的时钟信号,以时钟产生电路的输出信号作为地址生成器的CP脉冲,控制地址生成器产生自动加1且循环变化的地址信号。地址生成器生成的
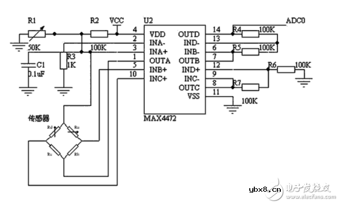
可穿戴腕式电子血压计传感电路设计图
电路图基础2026-03-07
电路原理:本电路采用BP01型压力传感器和运放MAX4472。BP01型压力传感器是为检测血压而专门设计的,主要用于便携式电子血压计。它采用精密厚膜陶瓷芯片和尼龙塑料封装,具有高线性、低噪声和外界应力小的特点
电路图天天读(11):常见可穿戴血压计电路设计
电路图基础2026-03-07
BP01 型压力传感器是为监测血压而专门设计的,主要用于便携式电子血压计。它采用精密厚膜陶瓷芯片和尼龙塑料封装,具有高线性、低噪声和外界应力小的特点;采用内部标定和温度补偿方式,从而提高了测量的精度、
一种新型智能电表的电路设计图
电路图基础2026-03-07
智能电表属机电式智能电表,它由硬件电路、相应软件及发行系统三部分构成,可实现某一电力公司不同时间段不同电价的计费,从而可实现用电监管的智能化。用户的购电信息实行微机管理,方便进行查询、统计、收费
电表费率系统电子电路设计
电路图基础2026-03-07
电表费率系统需要完成的功能主要如下: 接收手持单元发送的用户购电信息;将新收到的用户购电信息与费率系统的自有用户用电信息进行合并计算以得到新的信息;动态计算以得出剩余电量,以提醒用户购电,并
电路图基础2026-03-07
整流管必须选择恢复速度高的肖特基整流管,具体的选择是依据各路的输出电压水平和输出电流容量,整流管的额定工作电流至少为该支路最大输出电流的三倍以上,管子的反向耐压也需要在最低耐压值的基础上留够裕量
电路图基础2026-03-07
MEMS加速度计模块:采用ADI公司三轴加速度传感器ADXL362。ADXL362既能测量动态加速度也能测量静态加速度,具有超低功耗,采用SPI通信。通过配置可以使ADXL362工作在不同的模式:测量模式(正常模式、低噪声模
电路图基础2026-03-07
定位卡的设计:定位模块以STM32为主控制核心。在该定位模块中使用的是ST(意法半导体)STM32WCBU6x芯片,该芯片采用32位 ARMCortex-M3内核;STM32WCBU6x集成了2.4GHz IEEE8.2.15.4兼容的收发器,拥有128KB的F
电路图基础2026-03-07
一个实际的光接收机的结构较为复杂,但从整体上看不外乎由如图2所示的三部分组成。其前端电路即光电变换模块常包括一个光电检测器和一个前置放大器;AGC部分是主放大器部分,但对于纯粹的语音通信这种低速率或
电路图基础2026-03-07
采用STM32F103作为微控制器有很多优势,STM32F系列属于中等容量增强型,是32位基于ARM核心的带64或者128KB闪存的微控制器,在市场上是性价比很高的产品。本设计主要有控制模块、WiFi无线模块、音频解码模块 V
电路图天天读(12):可穿戴脉搏测试仪模块电路设计
电路图基础2026-03-07
脉搏是常见的生理现象,是心脏和血管状态等重要的生理信息的外在反映;因此,脉搏测量不仅为血压测量、血流测量及其他生理检测提供了生理参考信息,而且脉搏波本身也能给出许多有诊断价值的信息。
穿戴式血糖测试模块电路分析
电路图基础2026-03-07
血糖测试电路分析:为了检测葡萄糖氧化酶和葡萄糖反应所生成的自由电子数,需要在电极两端施加一固定偏压,而后检测该偏压驱动自由电子产生的电流来计算血糖质量浓度值。根据测试片上所涂化学材质的不同,所需
采用MSP430单片机的可穿戴式血糖仪电路设计
电路图基础2026-03-07
介绍了一种便携式血糖仪的设计。该设计主要从低功耗及精确性的角度出发,以MSP430系列单片机为核心,葡萄糖氧化酶电极为测试传感器,较快地测试出血糖浓度。此外,所设计的血糖仪还具有储存功能,有助于用户查
智能手机遥控电路整体模块设计
电路图基础2026-03-07
电源电路:由于本系统电源电路要为单片机、语音模块ISD1820两个相对来说要对电源要求较高的模块供电,所以采用了变压器降压经整流滤波后由集成稳压器7805稳压后给整个系统提供+5V电圧的方式。电路图如图所示,
五大电子技术知识详解(逻辑门电路 可控硅 ...
时间:2026-03-07
单相全桥pwm整流电路及工作原理
时间:2026-03-07
1.5v电池无线话筒制作(六款无线话筒电路图...
时间:2026-03-07
三极管开关电路设计汇总(十一款开关电路设...
时间:2026-03-07
二极管学习笔记
时间:2026-03-07
9018无线话筒电路图(四款无线话筒电路图)
时间:2026-03-07
理想二极管IC的优点和缺点
时间:2026-03-07
二极管的工作原理和结构
时间:2026-03-07
红外开关电路设计汇总(六款设计电路原理详...
时间:2026-03-07
简单9018无线发射电路详解
时间:2026-03-07
彩灯电路
时间:2026-03-05
三相异步电动机原理
时间:2026-03-04
三相异步电动机的七种调速方式
时间:2026-03-04
转角测量电路
时间:2026-03-05
经典的正弦波发生电路
时间:2026-03-05
电动机单线远程正反转控制电路图
时间:2026-03-04
USB转232电路图
时间:2026-03-04
电度表的工作原理
时间:2026-03-04
电风扇红外遥控器2
时间:2026-03-04
三相异步电动机的拆装详讲
时间:2026-03-04