5G终端LTE和NR互干扰来源于哪里?应如何去解决?(2)
时间:2024-05-22 21:56 来源:[db:来源] 作者:admin 点击:次
图2 B3与3.5 GHz互干扰
下面将对互干扰情况做进一步的分析。为简化分析,假定终端同时支持LTE和5G,在天线架构上分为LTE与5G共天线和独立天线两种架构。下面将依次分析谐波干扰、互调干扰及谐波混频干扰。 3 谐波干扰3.1 共天线架构
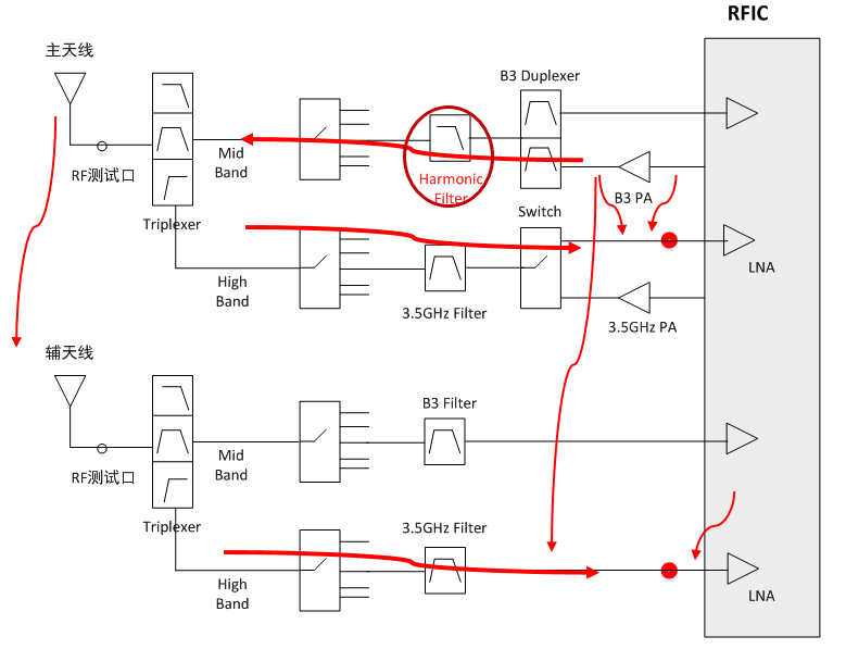
当LTE与5G采用共天线架构时,B3 PA输出的二次谐波对3.5 GHz接收通路的影响主要分为以下三部分,具体干扰路径如图3所示。
一部分谐波经过B3 Duplexer-》Harmonic Filter-》Switch-》Triplexer-》Switch-》3.5 GHz Filter-》Switch-》LNA,之后进入RFIC主接收通道,带来干扰。
一部分谐波与上述类似,经过天线空口辐射耦合进入辅接收通道。
另有一部分B3 PA输出的谐波经过PCB板直接耦合进入3.5 GHz主接收和辅接收通道,带来干扰。
对于上述经发射和接收通路进入3.5 GHz LNA输入端的谐波干扰,一般采用谐波抑制滤波器(Harmonic Filter)来降低干扰。
图3 共天线谐波干扰表1为前端器件的典型参数,可用于对谐波干扰进行分析计算。
表1 前端器件谐波参数
表2是谐波干扰强度的计算结果:
表2 共天线谐波干扰
二次谐波加载到LNA输入口带来了终端底噪的抬升,造成了灵敏度的相应回退。当工作带宽为5 MHz时,主辅接收链路经最大比合并后灵敏度回退达22.5 dB。当带宽为20 MHz时,主辅接收链路经最大比合并后灵敏度回退16.5 dB。可见在共天线架构下,B3二次谐波对3.5 GHz的灵敏度带来了很大的回退。 3.2 独立天线架构当LTE与NR采用独立天线设计时,B3发射信号的2次谐波将经过如图4所示的红色路线进入3.5 GHz的接收通路造成谐波干扰。相比共天线架构,B3 PA输出的谐波将经天线耦合进入辅接收通路,造成谐波干扰。除谐波抑制滤波器可以带来一定的谐波抑制外,天线间隔离也进一步降低了谐波干扰。 (责任编辑:admin) |


