2W×2功率放大器(LM1877)(2)
时间:2025-01-10 15:25 来源:[db:来源] 作者:admin 点击:次
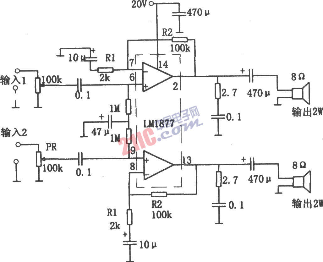
| 2kΩ=50。该电路的电源电压为20V,每一路的输出功率均为2W,电源电流约为500mA,因此两路输出时,其电源电流可达1A。LM1877的电源电压的工作范围很宽,约为6~24V,需要小功率输出时,可适当降低电源电压,其开环输入差模电阻约为4MΩ。
|
- 上一篇:LM380构成的2W音频功率放大器
- 下一篇:7W音频功率放大器(LF356)
| 2kΩ=50。该电路的电源电压为20V,每一路的输出功率均为2W,电源电流约为500mA,因此两路输出时,其电源电流可达1A。LM1877的电源电压的工作范围很宽,约为6~24V,需要小功率输出时,可适当降低电源电压,其开环输入差模电阻约为4MΩ。
|