电子元件2026-03-06
电力变压器容量如何选择 所谓的变压器容量其实指的是一个功率单位,也就是通常所说的视在功率。视在功率在工作中用伏安或千伏安表示,它是交流电压和交流电流有效值的乘积,计算公式为S=UI。通常情况下,
电子元件2026-03-06
自耦变压器是一种圈式变压器,初级和次级共同用一个绕组,也就是共同用一个零线,其变压比有固定的和可调的两种。
电子元件2026-03-06
自耦变压器简介 自耦变压器是指它的绕组是初级和次级在同一条绕组上的变压器。根据结构还可细分为可调压式和固定式。自耦的耦是电磁耦合的意思,普通的变压器是通过原副边线圈电磁耦合来传递能量,原副边
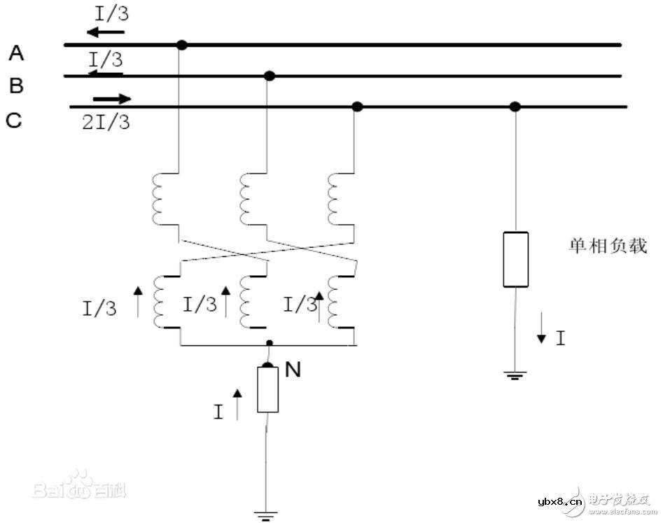
接地变压器的原理及作用
电子元件2026-03-06
接地变压器的原理 接地变压器简称接地变,根据填充介质,接地变可分为油式和干式;根据相数,接地变可分为三相接地变和单相接地变。
接地变压器的接线方法_接地变压器参数
电子元件2026-03-06
接地变压器接线方式 接地变压器按接线方式分为ZNyn接线(Z型)或YNd接线两种,其中性点可接人消弧线圈或接地电阻接地。现在多采用Z型(曲折型)接地变压器经消弧线圈或小电阻接地。
电子元件2026-03-06
led变压器 led变压器主要是LED产品旗下的部件之一,参与构成了完整的产品,由此它对于用户而言也是极具有价值的。
控制变压器怎么安装_控制变压器怎么选择
电子元件2026-03-06
控制变压器怎么安装 1.控制变压器的安装 首先打开包装箱,然后取出本机、备件以及说明书等技术资料,要对说明进行仔细阅读。
电子元件2026-03-06
什么是环形变压器 环形变压器是电子变压器的一大类型,已广泛应用于家电设备和其它技术要求较高的电子设备中,它的主要用途是作为电源变压器和隔离变压器。环形变压器在国外已有完整的系列,广泛应用于计
电子元件2026-03-06
环形变压器绕制方法 环形变压器是电子变压器的一大类型,已广泛应用于家电设备和其它技术要求较高的电子设备中,它的主要用途是作为电源变压器和隔离变压器。环形变压器在国外已有完整的系列,广泛应用于
电子元件2026-03-06
环形变压器怎么接线 单绕组环型变压器接线问题可能对大多数人来说是没有什么难度,倘若是双绕组或多绕组的变压器也许就有人犯难了,变压器上的引线颜色不同,大小不一,条数很多,这时候问题就来了——这
R型变压器结构组成_R型变压器应用
电子元件2026-03-06
R型变压器结构组成 R型变压器是当代国际上最新型的变压器产品。此种变压器打破了传统的C型、E型、环型变压器铁芯截面为方型的结构型式,采用了由一根由窄到宽,由宽到窄均匀过渡的优质硅钢带连续卷绕而成
电子元件2026-03-06
音频变压器工作原理 音频变压器就是在音频工作中,通过音频变压器内的频带频率响应均匀,来让音频在通过电流输出的时候,不导致信号的。而变压器能够减少音频运输过程中的干扰。
电子元件2026-03-06
升压变压器的工作原理 升压变压器是将低交流电压、大电流、小阻抗相应变换为高交流电压、小电流和大阻抗的器件,当初级线圈中通有交流电流时,铁芯(或磁芯)中便产生交流磁通,使次级线圈中感应出电压(
电子元件2026-03-06
有载调压变压器 变压器存在阻抗,在功率传输中,将产生电压降,并随着用户侧负荷的变化而变化。系统电压的波动加上用户侧负荷的变化将引起电压较大的变动。在实现无功功率就地平衡的前提下,当电压变动超
电子元件2026-03-06
配电变压器 配电变压器简称“配变”,指配电系统中根据电磁感应定律变换交流电压和电流而传输交流电能的一种静止电器。有些地区将35千伏以下(大多数是10KV及以下)电压等级的电力变压器,称为“配电变压
一文图解电源变压器检测操作方法
电子元件2026-03-06
电源变压器 电源变压器是一种软磁电磁元件,功能是功率传送、电压变换和绝缘隔离,在电源技术中和电力电子技术中得到广泛的应用。根据传送功率的大小,电源变压器可以分为几档:10kVA以上为大功率,10kV
继电保护装置状态分类_继电保护装置的作用介...
时间:2026-03-06
桥传感器发送、接收电路图
时间:2026-03-06
桥传感器和XTR104的基本连接电路图
时间:2026-03-06
载重测力传感电路图
时间:2026-03-06
继电保护实验有哪些
时间:2026-03-06
555流水彩灯电路
时间:2026-03-06
继电保护装置的概念_继电保护装置的作用及组...
时间:2026-03-06
双稳态控制电路图
时间:2026-03-06
控制继电器的作用是什么
时间:2026-03-06
三角波发生器实验电路
时间:2026-03-06
彩灯电路
时间:2026-03-05
三相异步电动机原理
时间:2026-03-04
转角测量电路
时间:2026-03-05
经典的正弦波发生电路
时间:2026-03-05
袖珍节拍器电路图
时间:2026-03-05
电度表的工作原理
时间:2026-03-04
电动机单线远程正反转控制电路图
时间:2026-03-04
三相异步电动机的拆装详讲
时间:2026-03-04
三相异步电动机的七种调速方式
时间:2026-03-04
USB转232电路图
时间:2026-03-04