3266电位器有时也称之为3266可调电阻。3266电位器是电子产品中不可或缺的一种电子元器件不仅使用广泛,且产品性价比高,成本比较低,每种电子元件都有各自的参数和规格,不同电子元器件有不同的型号,不同型号下还划分了很多,同一个东西还还有还几个参数值,如3266电位器的阻值有1K、2K、5K、10K等多个,这也是其参数之一。
一、3266电位器的物理参数
1、总机械行程: 250°±10°
2、标准包装 :50pcs/管
3、起动力矩: ≤20mN•m
4、止档力矩: ≥50 mN•m
二、3266电位器的环境特征参数
1、70℃电气耐久性:0.5W,1000h △R≤±3%R
气候顺序: △R≤±3%R,R1≥100MΩ
2、机械耐久性:50周,△R≤±3%R
额定功率(较高工作电压300V): 70℃ 0.5W, 125℃ ow
3、工作温度范围: -55℃ ~ 125℃
4、碰撞:390m/s2,4000次 , △R≤±2%R
5、振动:10~2000Hz,0.75mm ,6h△R≤±1%R,△(Uab/Uac)≤±2%
6、稳态湿热:△R≤±3%R,R1≥100MΩ
7、温度系数: ±200ppm/℃
8、温度变化:△R≤±2%R,△(Uab/Uac)R≤±2%
三、3266电位器性能参数
1、耐电压:101.3Kpa 500V,8.5Kpa 350V
2、有效电行程 : 210°±10°
3、接触电阻变化: ≤3%R or 3Ω
4、阻值变化特征: B
5、阻值偏差: ±10%
6、阻值范围(Ohms) : 10~1M
7、绝缘电阻: R1≥1GΩ
8、终端电阻: ≤1%R or 2Ω
3266电位器规格由其规格书确定,不同的规格由不同的规格书,规格书也叫做图纸。3266电位器在友兴达电子有细分为3266W、3266P、3266X、3266M等多个型号,它们的基础参数是一致的。但是他们的规格书是有一定差异的,具体区别如下(规格书可以很直观的反应出这这几种型号的规格书区别):
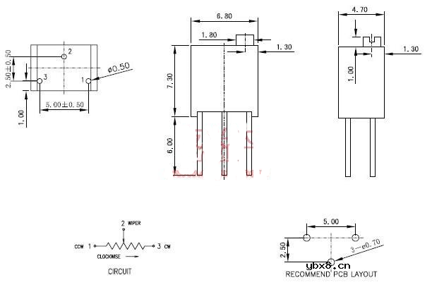
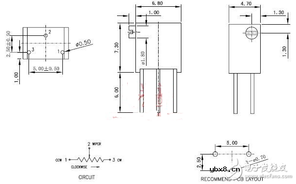
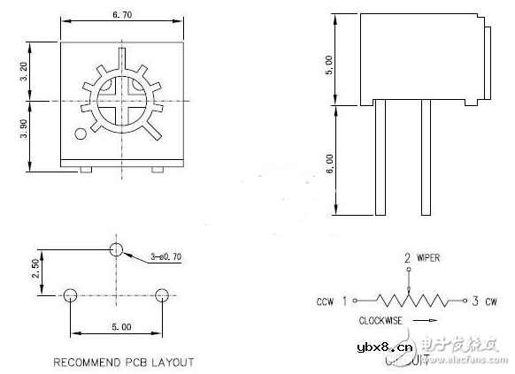
1、3266W电位器规格书

2、3266X电位器规格书

3、3266P电位器规格书

4、3266W电位器规格书

投影机类型
时间:2026-03-06
投影机技术类型及规格
时间:2026-03-06
投影机的ANSI流明
时间:2026-03-06
投影机ISO流明
时间:2026-03-06
投影机的标准分辨率
时间:2026-03-06
投影机的最大分辨率
时间:2026-03-06
投影机的投影技术
时间:2026-03-06
投影机的对比度
时间:2026-03-06
投影机的投影镜头
时间:2026-03-06
光投影机的亮度均匀值
时间:2026-03-06
玻璃釉电容器的结构与特点
时间:2026-03-05
关于STM32WL LSE 添加反馈电阻后无法起振的...
时间:2026-03-05
电阻的标称阻值和允许偏差
时间:2026-03-05
使用过滤器电容器和诱导器来抑制受辐射的EM...
时间:2026-03-05
如何区分电容的正负极
时间:2026-03-05
瓷片电容的意义以及电容抗扰电路设计与分析
时间:2026-03-05
电容电感区别在哪里?特性差异是什么?可编...
时间:2026-03-05
浅谈高压贴片电容分类与性能参数
时间:2026-03-05
聚四氟乙烯电容器的结构与特点
时间:2026-03-05
漆膜电容器的结构与特点
时间:2026-03-05