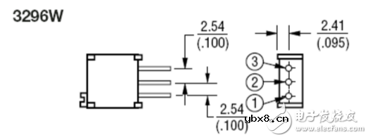
阻值范围(Ohms) :10~2M 欧 Ω
阻值偏差: ±10%
阻值变化特征: B
终端电阻: ≤1%R or 2Ω
接触电阻变化: ≤3%R or 3Ω
绝缘电阻: R1≥1GΩ
耐电压:101.3Kpa 600V,8.5Kpa 250V
有效电行程 : 25± 2turns
额定功率(最高工作电压300V):+70℃ 0.25W,+125℃ ow
工作温度范围: -55℃ ~+125℃
温度系数: ±200ppm/℃
温度变化:△R≤±2%R,△(Uab/Uac)R≤±2%
碰撞:390m/s2,4000次 , △R≤±2%R
振动:10~500Hz,0.75mm or98m/s,6h△R≤±1%R,△(Uab/Uac)≤±2%
气候顺序: △R≤±3%R,R1≥100MΩ 70℃电气耐久性:0.5W,1000h △R≤±3%R
机械耐久性:50cycles,△R≤±3%R
稳态湿热:△R≤±3%R,R1≥100MΩ
总机械性能: 28± 2turns
起动力矩: ≤36mN•m
止档力矩: ≥36 mN•m
标准包装:50pcs/管


K2电源稳压电路图
时间:2026-03-06
LM331N内部等效电路与外围电路图
时间:2026-03-06
LM331精密能隙基准电源及其简化电路图
时间:2026-03-06
LM352 HA17349内部电路图
时间:2026-03-06
LMI1203N典型应用电路图
时间:2026-03-06
VR404调至D405正端时简化电路图
时间:2026-03-06
场幅自动控制电路
时间:2026-03-06
场锯齿波电压形成级与场线性校正电路图
时间:2026-03-06
场震荡级IC外部简化等效电路图
时间:2026-03-06
错位电路图
时间:2026-03-06
关于STM32WL LSE 添加反馈电阻后无法起振的...
时间:2026-03-05
玻璃釉电容器的结构与特点
时间:2026-03-05
3PEAK高压零漂放大器契合精密应用
时间:2026-03-05
绝缘电阻表原理_绝缘电阻表的作用
时间:2026-03-05
绝缘电阻用什么来测量_绝缘电阻测量方法
时间:2026-03-05
贴片电阻的阻值识别方法
时间:2026-03-05
零欧电阻的功能
时间:2026-03-05
PPTC热敏电阻在电池中的应用
时间:2026-03-05
水泥电阻规格及型号
时间:2026-03-05
气敏电阻的型号命名方法是怎样的
时间:2026-03-05