当前位置:首页 > 电子元件 > 正文

CCM下的FLYBACK电源拓扑开关尖峰形成过程

来源:网络  发布者:电工基础  发布时间:2026-03-06 22:59
1.FLYBACK的EMC特性 FLYBACK(反激变换器)的开关功率管在开通和关断时刻形成的电压震荡尖峰和电流震荡尖峰是开关电源中的主要干扰源,对开关电源的传导干扰和辐射干扰起着决定性的作用,本文对CCM条件下的开关尖峰

1.FLYBACK的EMC特性

FLYBACK(反激变换器)的开关功率管在开通和关断时刻形成的电压震荡尖峰和电流震荡尖峰是开关电源中的主要干扰源,对开关电源的传导干扰和辐射干扰起着决定性的作用,本文对CCM条件下的开关尖峰形成过程进行说明。

2.FLYBACK的基本工作原理

(1)在MOSFET管开通时,输入电压对变压器原边充电而副边DIODE承受反向电压截止;

(2)在MOSFET管关断时,原边储存的能量转移到副边使DIODE承受正向压降开始导通,向输出负载提供能量;

(3)在开关功率管开通和关断瞬间,会产生变化率非常高的dv/dt和di/dt,不仅会对管子的耐压耐流要求高,而且会产生频谱很宽(开关电源的干扰频谱一般在200 MHz以下)的电磁干;

(4)实际的反激变换器的功率开关管的开关波形的影响因素比较复杂,不仅受自身寄生参数的影响,还会受外界的干扰;

3.FLYBACK在CCM下开关过程分析

下面主要在其自身寄生参数的影响下来分析干扰波形的成因。

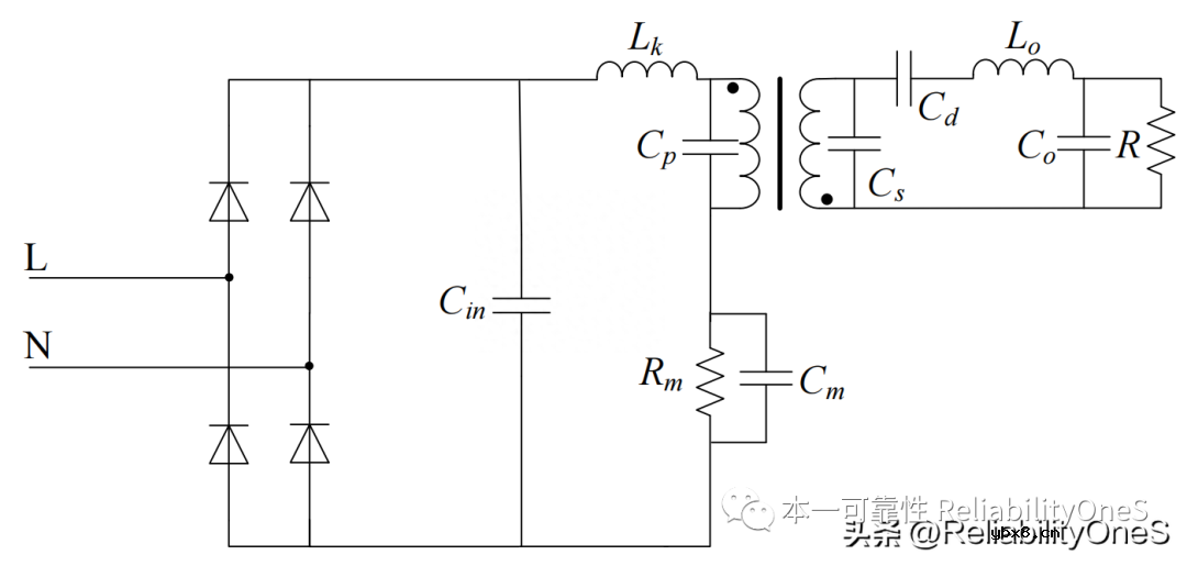
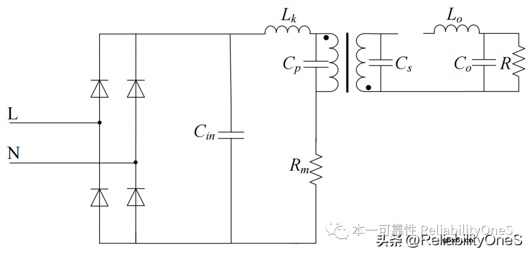
3.1 FLYBACK电路寄生参数特性

FLYBACK实际工作波形受PCB寄生电感、变压器的漏感、变压器的寄生电容、器件自身的寄生参数等因素的影响。

图3-1表示了FLYBACK寄生参数的示意图。其中Cin和Co为输入输出电容,Lk为变压器漏感和原边侧PCB走线的寄生电感,Cp和Cs分别为变压器原副边绕组的寄生电容,Cm和Cd为开关管的寄生电容,Lo为副边PCB走线和副边等效漏感的寄生电感。

CCM下的FLYBACK电源拓扑开关尖峰形成过程

图3-1 反激变换器寄生参数

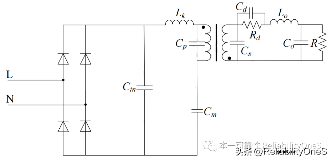
3.2 MOS管在CCM下的关断过程分析

3.2.1 CCM模式下初始状态

STEP1:T0前MOSFET管处于导通状态,DIODE处于截止状态;

STEP2:T0时刻驱动信号为低电平,使MOSFET由关断进入截止状态;

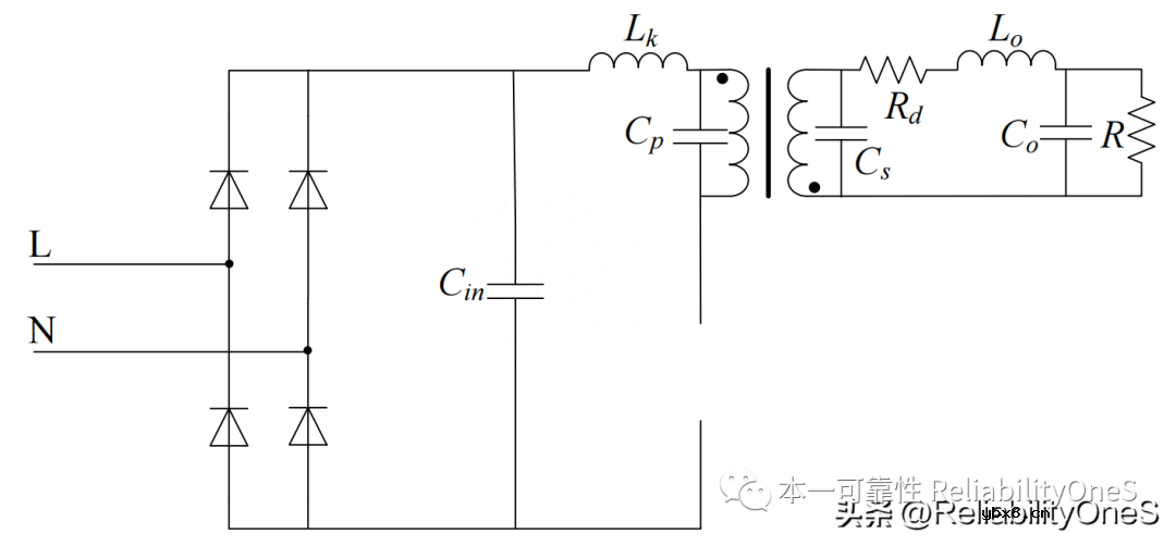
注:图3-2为T0时刻MOSFET管开始关断到截止过程示意图,图中Rm为MOSFET的导通电阻,Rd为DIODE的导通电阻。

CCM下的FLYBACK电源拓扑开关尖峰形成过程

图3-2 MOSFET在T0时刻由关断到截止过程示意图-T0前时刻

CCM下的FLYBACK电源拓扑开关尖峰形成过程

图3-2 MOSFET在T0时刻由关断到截止过程示意图-T0关断时刻

CCM下的FLYBACK电源拓扑开关尖峰形成过程

图3-2 MOSFET在T0时刻由关断到截止过程示意图-T0后截止时刻

3.2.2 MOSFET的关断到截止过程

STEP1:当T0前时刻,输入端对Lk、Cp、Cin进行充电;

STEP2:当T0关断时刻,Lk、Cp、Cin要进行能量释放,在输入环路与Cm等形成LC强烈的震荡电压与震荡电流,叠加在MOSFET的电压和电流波形上,形成较大的电压尖峰震荡和较大的电流尖峰震荡,这就是我们在实际波形测试时,MOSFET管出现关断时刻电压尖峰震荡和电流尖峰震荡的原因;

STEP3:截止时刻时,Lk、Cp能量释放为零,MOSFET管完全截止;

3.2.3 DIODE的开通到导通过程

由于FLYBACK的特点,DIODE与MOSFET在T0时刻的过程相反。

STEP1:当T0前时刻,DIODE处于截止状态,并对Cs充电;

STEP2:T0时刻DIODE开始导通,Cs开始放电与Cd、Lo、Co形成LC震荡回路,但是由于T0前Lo、Cd的能量为零及Cs为pF级的储存的能量少,使得LC回路形成很小的电压尖峰震荡和电流尖峰震荡,当这就是我们观测DIODE的电压和电流时在开通时刻有比较小的电压和电流尖峰震荡的原因;

STEP3:MOSFET完全截止时,DIODE完全导通时,并对Cd、Lo、Co、Cs进行充电。

3.3 MOS管在CCM下的开通过程分析

3.3.1 CCM模式下初始状态

STEP1:T1前MOSFET管处于截止状态,DIODE处于导通状态;

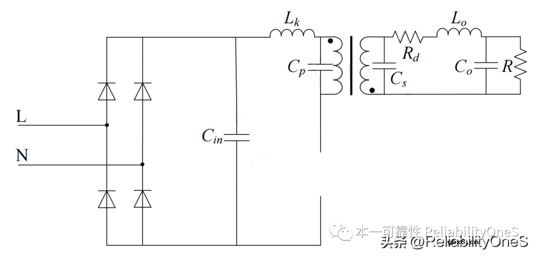
STEP2:T1时刻驱动信号为高电平,使MOSFET由开通进入导通状态,图3-3为T1时刻MOSFET管从开通到导通过程示意图;

CCM下的FLYBACK电源拓扑开关尖峰形成过程

MOSFET在T1时刻由开通到导通过程示意图-T1前时刻

CCM下的FLYBACK电源拓扑开关尖峰形成过程

CCM下的FLYBACK电源拓扑开关尖峰形成过程

3.3.2 MOSFET的开通到导通过程

MOSFET的开通到导通的时刻正是DIODE由关断到截止的过程;

STEP1:当T1前时刻,输出回路对Lo、Cs、Co、Cd进行充电;

STEP2:当T1开通时刻,Lo、Cs、Co、Lo要进行能量释放,在输出环路形成LC强烈的震荡电压与震荡电流,叠加在DIODE的电压和电流波形上,形成较大的电压尖峰震荡和较大的电流尖峰震荡,这就是我们在实际波形测试时,DIODE管出现关断时刻电压尖峰震荡和电流尖峰震荡的原因;

STEP3:导通时刻时,Cs、Lo能量释放为零,DIODE管完全截止。

3.3.3 DIODE的关断到截止过程

由于FLYBACK的特点,DIODE与MOSFET在T1时刻的过程相反;

STEP1:当T1前时刻,MOSFET处于截止状态,并对Cp充电;

STEP2:T1时刻MOSFET开始导通,Cp开始放电与Cin、Lk、Cm形成LC震荡回路,但是由于T1前Lk、Cm的能量为零及Cp为p F级的储存的能量少,使得LC回路形成很小的电压尖峰震荡和电流尖峰震荡,当这就是我们观测MOSFET管的电压和电流时在开通时刻有比较小的电压和电流尖峰震荡的原因;

STEP3:MOSFET完全导通时,就是DIODE完全截止时,并对Cin、Lk、Cm、Cp进行充电;

4.思考与启示

(1)FLYBACK的噪声源为功率管开关形成的dV/dt和di/dt;

(2)功率回路的寄生参数是形成开通和关断尖峰的主要原因,设计端要尽量规避,减小寄生参数;

(3)分析开通和关断过程,能够更好的进行理解噪声源特征;