绝对不可以!
锂电池由于其能量密度大,化学性质比较特殊等原因,出于安全和寿命的考虑,必须使用电源管理芯片,也就是充电芯片(charger IC) ;另外充电芯片可以最大程度优化充电曲线,再配合软件的算法,可以在快充的条件下保证电池的使用寿命,同时大大提高了充电过程的安全性。下面我们先来看一款常用的充电芯片。
电源管理

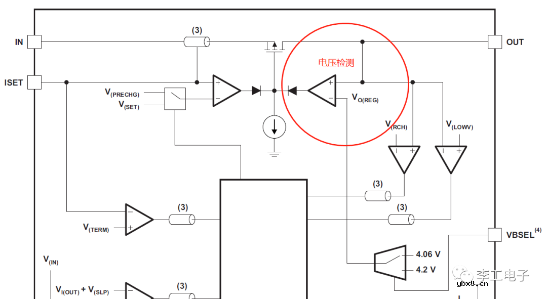
这是TI的一款充电IC,主要用于给消费电子产品的锂电池充电,红色部分即是锂电池包(有的内部装有温度传感器),芯片通过OUT引脚给电池包供电,同时也是整个系统的主电源,其ISET引脚可以设定充电电流的最大值,以防电流超出电池包所能承受的最大值。我们继续来看下充电IC的内部结构。
充电芯片

这样就比较清楚了,红色标记部分对于锂电池充电过程起到了关键作用,通过OUT端, 它能实时检测出电池包的电压值,再加上对充电电流的计算,即可得出电池包此时的电量(相当于电量计) 。当确定了电池包当前的状态,即可根据修正后的电量计模型来决定选用哪种充电模式。
充电曲线
那什么是充电模式呢?这里先简单地科普下,我们喜欢玩数码的朋友应该经常听说手机快充吧(什么充电五分钟,通话两小时之类的术语……), 快充一般指的是3C充电模式 ,比如一块锂电池的容量是580mAh,当充电电流的大小为电池容量值的3倍时(3*580),即3C充电,约1.7A的充电电流。了解清楚什么是快充,接下来就是常见的锂电池充电模式了。

这是一条充电曲线,从左往右看(虚线是电压,实线是电流),电池刚开始充电的时候,充电电流很小,相当于给电池“预热”,可以延长电池寿命,这个阶段称为“ 涓流充电 ”,也就是预充电;当电池准备好了以后,就可以开始大电流(3C)充电了,这个阶段称为“ 恒流充电 ”, 而如果此时芯片检测到电池包的温度过高,充电电流会降为2C或者1.5C等,当温度降下去,再恢复3C充电,如此往复循环 。
如果电池包电压达到了某个拐点(通常由芯片决定),比如说12V的电池,假设它的拐点是9V,就是说当电池包的电压达到9V左右的时候,充电芯片会进入到下一个阶段,即“ 恒压充电 ”, 此时充电电压值变化很小,电流值却下降很快 。
这个原理很简单,打个比方,我们用一个水桶来装水,刚开始水龙头不要开太大(涓流),因为空的水桶水花会溅起来,当桶底有一定的水位,就可以把水龙头开到最大(恒流),以最快速度注水。最后,水桶里的水快要满了,为了不让水泼洒出来,我们是不是要将水龙头调小?水流就好比电流,这就是“ 恒压充电 ”了。
电池模型
充电的最后一步“截止”也非常重要,每种充电芯片都有默认的截止电压(有的是通过软件调整)。我们如何来判断什么时候应该截止充电呢?这又要科普一个新概念:电池模型。
因为由充电芯片或者电量计计算出来的充电量,与电池实际的充电量是存在偏差的 。我们计算出来的电量值只是一个理想状态的值,还需要结合电池厂家提供的电池模型,以此来综合判断电池的电量值。 如果计算值与实际值偏差过大,则需要根据电池模型来修正电量计模型,把计算值无限逼近实际值 。
而厂家给出的电池模型,是根据复杂的验证测试得出的, 比如电池的高温和低温测试,高海拔测试,温度瞬间变化等测试,用以验证电池在不同环境下的容量变化 ,最后才得出这个精确的电池模型。依据这个模型,我们可以预估电池目前的电量值,以及何时能充满,“截止”点就可以计算出来了。
因此回到上面你的提问,即使你通过完美的BUCK得到一个稳定的直流12V电源, 但是没有电源管理芯片,没有严格的软件算法,又如何能保证电池在什么状态下用什么模式来充电呢,更进一步来说,你连电池有没有完全充满电(100%)都无法确定,因为最后的1%的电量往往需要很长时间 。
另外从充电安全的角度来看,无法实时监控电池包内部的温度,无疑是增加了安全隐患!
继电器几个典型常用的接线图
时间:2026-03-06
为什么直流继电器要并联二极管呢?
时间:2026-03-06
更换或使用继电器时需要注意哪些事项?
时间:2026-03-06
学习PCB设计需要知道的16个原则
时间:2026-03-06
光伏控制器简介
时间:2026-03-06
PLC现场安装和维护的注意事项介绍
时间:2026-03-06
继电器的工作原理以及驱动电路解析
时间:2026-03-06
三菱PLC功能指令介绍(二)
时间:2026-03-06
三菱PLC辅助继电器和定时器介绍
时间:2026-03-06
HTCC:半导体封装的理想方式
时间:2026-03-06
关于STM32WL LSE 添加反馈电阻后无法起振的...
时间:2026-03-05
电阻的标称阻值和允许偏差
时间:2026-03-05
玻璃釉电容器的结构与特点
时间:2026-03-05
瓷介电容器的结构与特点
时间:2026-03-05
超级电容器在汽车控制中的应用
时间:2026-03-05
表贴电容的分类
时间:2026-03-05
告诉你电容器那些鲜为人知的秘密
时间:2026-03-05
合金电阻与贴片电阻有什么区别?你知道合金...
时间:2026-03-05
3PEAK高压零漂放大器契合精密应用
时间:2026-03-05
绝缘电阻表原理_绝缘电阻表的作用
时间:2026-03-05