1 整流电源
整流电源原理是利用二极管的单向性,将AC转换为DC。
整流电源常用的有单相半波整流电路、单相桥式整流电路、三相整流电路及其波形。
1.1 单相半波整流电路
单相半波整流电路是最简单的一种整流电路。
原理模型如下:

原理如下:
正半周期时, 二极管外加正向电压,因而处于导通状态。
负半周期时,二极管外加反向电压,因而处于截止状态。

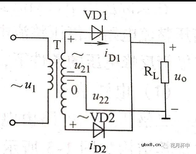
1.2 单相全波整流电路
单相全波整流电路是两套单相半波整流电路组成。
原理模型如下,原理类似半波整流:

1.3 单相桥式整流电路
桥式整流是对单相全波整流电路的一种改进。
原理模型如下:

原理如下:
利用四个二极管,两两对接。
正半周期时,D1、D3两只管导通,得到正的输出;
负半周期时,D2、D4两只管导通,所以输出还是正弦波的正半部分。
桥式整流器对输入正弦波的利用效率比半波整流高一倍。

1.4 三相桥式整流电路
三相桥式整流电路是将三相交流电源,做AC/DC转换。
三相交流电源,是由三个频率相同、振幅相等、相位依次互差120°的交流电组成的电源。
原理模型如下:

原理如下:
三相交流电源经三相变压器变压后,接于三相桥式电路a、b、c端。
图中六个二极管分成两组。第一组D1、D3、D5为共负(阴)极连接,第二组D2、D4、D6为共正(阳)极连接。
每一组中三个二极管轮流导通。共负极组中,正极电位最高的那个二极管导通;共正极组中,负极电位最低的那个二极管导通。
同一时刻,各组中只有一个二极管导通,其他的不导通。

1.5 三相半波整流电路
三相半波整流电路是三相桥式整流电路简化版。
原理模型如下,原理类似三相全波整流电路:

1.6 五种整流电路对比分析
1)半波整流电路最简单,但输出电压低、波动大,效率低;用在对电源波形要求不高的场合;
2)单相全波整流输出电压高,通过二极管电流小,但需要两个三极管、需要变压器抽头、二极管承受的反向电压高,因此应用较少;
3)单相桥式整流输出电压高,通过二极管的电流小,波形好,效率高,二极管承受反向电压低;缺点是需要4个二极管;但这种电路优点突出,应用十分广泛,特别是整流桥的出现,使电路更加简洁。
4)三相半波整流电路,电路简单,电压脉动程度比单相好,使用三极管少;
5)三相桥式整流电路,电压脉动程度最低,输出电压最高;

继电器几个典型常用的接线图
时间:2026-03-06
为什么直流继电器要并联二极管呢?
时间:2026-03-06
更换或使用继电器时需要注意哪些事项?
时间:2026-03-06
学习PCB设计需要知道的16个原则
时间:2026-03-06
光伏控制器简介
时间:2026-03-06
PLC现场安装和维护的注意事项介绍
时间:2026-03-06
继电器的工作原理以及驱动电路解析
时间:2026-03-06
三菱PLC功能指令介绍(二)
时间:2026-03-06
三菱PLC辅助继电器和定时器介绍
时间:2026-03-06
HTCC:半导体封装的理想方式
时间:2026-03-06
关于STM32WL LSE 添加反馈电阻后无法起振的...
时间:2026-03-05
电阻的标称阻值和允许偏差
时间:2026-03-05
玻璃釉电容器的结构与特点
时间:2026-03-05
瓷介电容器的结构与特点
时间:2026-03-05
超级电容器在汽车控制中的应用
时间:2026-03-05
表贴电容的分类
时间:2026-03-05
告诉你电容器那些鲜为人知的秘密
时间:2026-03-05
合金电阻与贴片电阻有什么区别?你知道合金...
时间:2026-03-05
3PEAK高压零漂放大器契合精密应用
时间:2026-03-05
绝缘电阻表原理_绝缘电阻表的作用
时间:2026-03-05