太阳能路灯电路包括光伏电池、蓄电池、路灯和控制器四部分。设计中采用AT89S52单片机,并将其作为智能核心模块。外围电路主要包括太阳能电池电压采样模块、蓄电池电压采样模块、键盘电路模块、LED显示模块、充放电控制模块等。
1描述TPS61165的工作输入电源电压介于3V~18V之间,可提供高达38V的输出电压。该器件具有额定40V集成型开关FET,可驱动多达10个串联LED。其可在1.2MHz固定开关频率下工作,不仅能够显著降低输出纹波、提升转换效率,而且还允许使用小型外部组件。在默认情况下,白光LED(WLED)的电流由外部感测电阻RSET设定,反馈电压稳定在200mV。
无论采用数字还是PWM调光方法,TPS61165在输出电容上的输出纹波均非常小,而且不会产生普通开启/关闭控制调光所产生的音频噪声。为了在开路LED条件下提供保护,TPS61165可禁用开关,以防止输出超过最大绝对额定值。PMP3598将TPS61165用于非同步升压设计。在运算放大器周围构建的额外电路不仅能实现电池欠压/充电指示功能,而且还能在太阳能板和电池输入之间提供ORing功能。此外,该电路还集成了必备的过热与过流保护功能,并具备负载断连特性。

该设计的重要优势在于拥有极高的效率和良好的LED稳流性能。TPS61165可在能够稳定LED电流的恒流模式下工作。CTRL引脚可同时用于数字与PWM调光的控制输入。每次启用器件时即可选择TPS61165的调光模式。通过改变反馈参考电压也可实施模拟调光。可使用20k欧的可变电阻来改变LED电流,以达到调光的目的。转换器可在350mA条件下将电压从6V提升至10.5V,转换效率不低于85%。该电路可用于驱动三个1W的LED或输入总功率不超过3W的多个50mA的LED。
2硬件电路设计
选择DS1302计时器、AT24C02存储器、4位数码显示器、过充过放电路、STC12C2051单片机等组成智能控制系统。根据各部分电路的功能不同,整体电路可分为以下几个部分:太阳能电池板组件、过充过放电路、STC12C2051单片机、蓄电池、时控光控电路、照明负载和时间显示电路。
电源电路设计
电源电路如下图所示。系统由太阳能电池板供电,24V蓄电池电压经过7805稳压后产生5V电压,作为控制器的主电源。电容C2作为高频旁路电容,将高频信号旁路到地。同样电容C1为滤波电容。

方案选择
采用时钟控器型的路灯控制器,要预先设定开关时间,使路灯按时亮灯、准时熄灯,从而达到自动控制的目的。优点是定时开关预先设定的开关时间不受外界干扰,除本身故障外不会产生误动作。缺点是不能根据季节变化和特殊的天气情况自动变换开关时间,需人工调整开关时间,费时费力,不利于节能。定时开关又分为机械钟表型和电子钟表型,机械钟表型以石英钟为主,走时精准,但是由于机芯内使用塑料齿轮在高温下会变形,从而导致停机现象。
电子钟表型定时开关使用的也较多,常用LR6818、LM8650、LM8561等集成块为中心的电子钟电路。下图为与单片机的连接图,其中VCC1为主电源,VCC2为后备电源。在一般情况下,SCL、I/O、RST与单片机连接实现1302的读写控制。

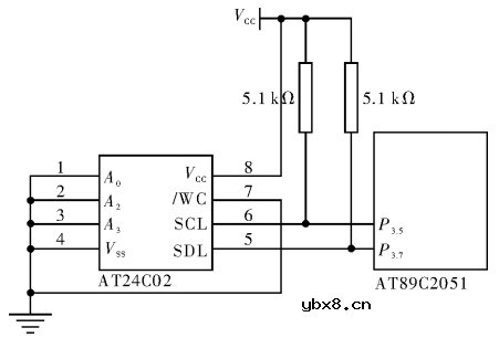
存储器AT2402的1,2,3脚为空脚,4脚为接地端,5脚为数据端,6脚为时钟端,7脚为写保护端口,8脚为电源。
AT24C02在设计中的作用是掉电存储器,是为防止电源突然断开时,用户信息不会丢失,存储当前设定的信息。AT24C02是Atmel公司的2kB的电可擦除存储芯片,由于AT24C02的数据线和地址线是复用的,采用串口的方式传送数据,所以只用两根线SCL(移位脉冲)和SDA(数据/地址)与单片机传送数据。电压最低可达2.5V,额定电流为1mA,静态电流10μA(5.5V),芯片内的资料可在断电的情况下保存相当长的时间,而且采用8脚的DIP封装,使用方便。其与单片机的连接如下图所示。

太阳能路灯与普通路灯控制电路功能基本相同,均是为了完成晚上亮灯,早晨熄灯以及对蓄电池的充电管理。国内外常用的控制器有单独的光控制型、时钟控器型、经纬型控制器型等,但由于其工作原理不同,各有优缺点。
3太阳能路灯控制器设计
路灯控制系统工作原理:白天光伏电池向蓄电池充电,晚上蓄电池提供电力供路灯照明。所以蓄电池将构成一个充放电循环。太阳能路灯照明控制电路包括光伏电池、蓄电池、路灯和控制器四部分。设计中采用AT89S52单片机,并将其作为智能核心模块。外围电路主要包括太阳能电池电压采样模块、蓄电池电压采样模块、键盘电路模块、LED显示模块、充放电控制模块等。下图是太阳能路灯控制器结构设计图。

单片机智能控制模块
太阳能路灯控制器选择ATMEL公司的8位单片机AT89S52为核心的智能控制模块,在整体上具有低功耗、性能高的特点。
单片机振荡电路
单片机振荡电路如下图所示。

复位电路
复位电路如下图所示,电路结构简单,稳定可靠。

电源电路模块设计
系统正常工作电压为5V,系统采用12V/24V的铅酸蓄电池供电,蓄电池电压不稳定,所以需要对电源进行稳压。本系统采用LM7805三端稳压器,其输入电压在5~24V时均可以保证输出为稳定的+5V。LM7805组成稳压电源只需要很少的外围元件,使用起来非常方便,工作稳定可靠J。系统电源电路如下图所示。

采样模块设计
太阳能电池采样和蓄电池采样对于系统正常运行起着非常重要的作用。太阳能路灯控制器要对蓄电池充放电进行合理控制,即需对蓄电池、太阳能电池板电压进行采样。为此,AT89S52单片机就要外接A/D转换模块,把电压转换为数字信号,系统选用v/F转换芯片LM331组成数模转换电路。在系统采样设计中,为了防止因为外部因素导致AT89S52程序跑飞或死机,提高系统稳定性,在LM331与单片机之间还需增加单通道的高速光电隔离器6n137J。下图为太阳能电池板采样电路图。系统蓄电池采样和太阳能电池板采样电路相同。

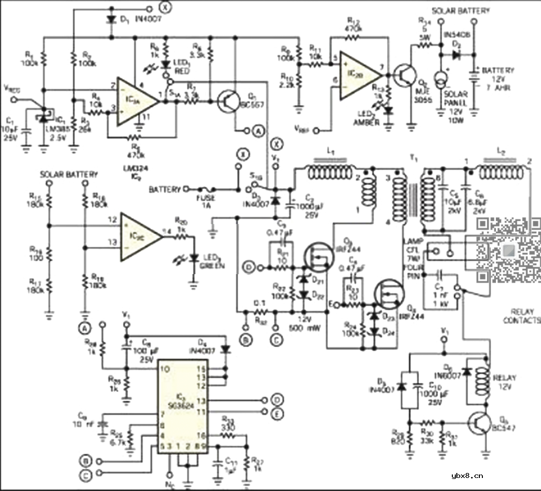
4下图所示太阳能灯电路是一种低损耗电路,使用一只7W四引脚CFL(小型荧光灯)和一块12V、7-Ahr密封免维护电池。逆变器的效率大于85%,静态电流小于2mA。它有一个带电池过放电保护功能和过充电保护功能的并联充电控制器。低静态电流、过放电保护功能和过充电保护功能三者确保电池使用寿命很长。逆变器的预热功能可以避免CFL两端变黑,从而延长其使用寿命。这一电路可在农村地区用作一种可靠小巧的便携式光源,在城市用作应急灯系统。并联充电控制器电路包括IC1(低电流2.5V电压基准源LM385)和IC2(LM324比较器)。配有电阻R1 ~ R8和三极管Q1的IC2A可防止电池过放电。

这种太阳能供电的电灯驱动器可用作应急灯系统。
当电池电压低于10.8V时,该电路切断负载(逆变器和灯管),从而防止电池过放电。在无负载状况下,电池放电后的电压约为12.2V,因此,为防止出现振荡现象,电路提供的过放电复位电压为12.3V。红发光二极管LED1指示低电压状态。配有电阻R9 ~ R14和三极管Q2的IC2B可防止电池过充电。当电池电压超过14.8V时,Q2导通,并使太阳能电池阵列旁流,从而防止电池过充电。当电池电压低于12.5V时,Q2截止,太阳能板电池阵列对电池进行充电。D2为一支反向阻隔二极管。它能防电池在太阳能电池不产生电能时对太阳能电池放电。黄发光二极管LED2指示电池充满电。绿发光二极管LED3与IC2c和电阻R15 ~ R20一起,提供充电指示。
审核编辑:汤梓红
相关热词:
三极管用饱和Rce,而MOSFET用饱和Vds?
时间:2026-03-08
这两种PNP与NPN三极管使用方法你知道吗?
时间:2026-03-08
一文了解三极管的开关作用
时间:2026-03-08
关于短路保护的三极管详解
时间:2026-03-08
一文详解变压器的连接方法和联结组别
时间:2026-03-08
基于逻辑门的构成解释如何完成任意逻辑的管...
时间:2026-03-08
有源钳位技术解析
时间:2026-03-08
从0学电路,万用表演示测量三极管方法
时间:2026-03-08
NE555的有趣电路设计分享
时间:2026-03-08
电路系统常用的图形符号
时间:2026-03-08
彩灯电路
时间:2026-03-05
三相异步电动机的拆装详讲
时间:2026-03-04
电动机单线远程正反转控制电路图
时间:2026-03-04
三相异步电动机原理
时间:2026-03-04
三相异步电动机的七种调速方式
时间:2026-03-04
USB转232电路图
时间:2026-03-04
转角测量电路
时间:2026-03-05
电风扇红外遥控器2
时间:2026-03-04
经典的正弦波发生电路
时间:2026-03-05
电度表的工作原理
时间:2026-03-04