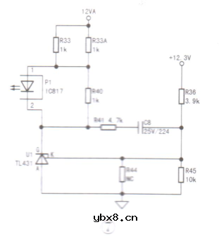
一台长虹40Q1N型液晶电视出现三无故障的维修。 分析检修:此机采用MPM50S-1M2-3A0型电源。上电,测电源输出的12V电压只有5.9V;断开主板,此电压仍很低,说明电源板有故障。测电源芯片IC1⑤脚供电只有12.6V,明显偏低。检测整流电路及供电电路,未发现异常,转而检查稳压电路,如图7所示,怀疑R36阻值减小或漏电。拆下R36检测阻值正常,除去R36下面的粘胶并安装好后试机,故障排除。
|
相关热词:#液晶维修
电场激活原位掺杂平面光伏型胶体量子点红外...
时间:2026-03-09
什么是硅片或者晶圆?一文了解半导体硅晶圆
时间:2026-03-09
集成电路的几纳米代表了什么?
时间:2026-03-09
金刚石基GaN问世 化合物半导体行业进入第三...
时间:2026-03-09
实用模拟电路小常识浅析
时间:2026-03-09
寄存器是什么?怎么操作寄存器点亮LED灯?
时间:2026-03-09
一文详解MOS管驱动电路拓扑的设计
时间:2026-03-09
汽车芯片业应汲取的教训
时间:2026-03-09
半导体光刻工艺 光刻—半导体电路的绘制
时间:2026-03-09
电阻的原理和作用 电阻色环识别图 电路中电...
时间:2026-03-09
豆浆机更换电机全过程
时间:2026-03-09
电信 IPTV 常见故障排除方法与检修实例 (三...
时间:2026-03-08
三相电的相序 怎样才能分辨ABC
时间:2026-03-09
分享一下解决TV远程各种问题的工具方法,你...
时间:2026-03-09
格兰仕G90F25CN3LV-Q6(GO)变频 微波炉,按启...
时间:2026-03-09
九阳电压力锅维修过程
时间:2026-03-09
《洗衣机维修从入门到精通》电子书PPT之三
时间:2026-03-09
安装师傅却说:他只是帮忙的,并表示这个线...
时间:2026-03-09
电气电工专业就业前景,如果再给你一次机会...
时间:2026-03-09
电工师傅说,“干的农民工搬砖的活儿,挣的...
时间:2026-03-09