FAN6755(丝印号:6755) 反激式绿色模式PWM控制器 FAN6755(丝印号:6755)是飞兆半导体(Fairchild)公司生产的一款反激式绿色PWM控制器,内置绿色模式控制器,能在轻负载下降低开关频率,以提高工作效率,其引脚功能与实测数据见表1。 表1 FAN6755(丝印号:6755)引脚功能与实测数据
说明:1.开路电阻是指在集成块各脚均处于悬空状态下,用万用表的一只表笔接IC的接地端,另一只表笔与其他引脚相接的电阻值。2.开路电阻阻值系MF47型万用表R×1k挡测得。 该IC具有低电压保护、欠压锁定(UVLO)、过压保护( OVP)、过载保护(OLP)和过温保护(OTP)、过流保护(OCP)和过流限制(OCL)。VDD过压保护(VP)功能,广泛用于多型液晶彩电中,尤其是康佳液晶彩电,如在康佳LED32F1100PD液晶彩电开关电源中,主电源芯片采用FAN6755,如图1所示。该机无PFC电路,也无副电源电路,输出12V和24V两组电压,12V供主板,24V供背光驱动板。
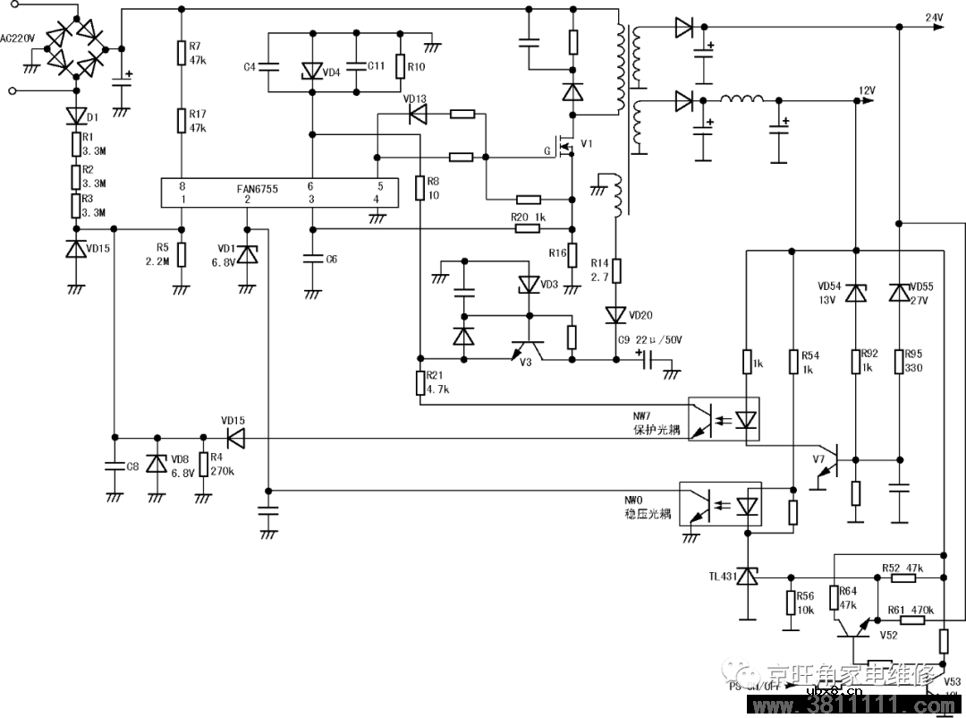
图1 FAN6755典型应用电路 上电后,300V直流电压通过R7、R17给芯片8脚供电,通过内部有恒流源向6脚外接电容C11充电。当6脚电压达到16V时,芯片启动,5脚输出驱动脉冲,开关管开始工作,开关变压器副绕组的感应电压经VD20整流、C9滤波,再由VD3、V3串联稳压后给6脚供电,这时芯片8脚内部的恒流源关闭。 芯片的1脚和外围元件构成市电电压过低保护及12V、24V过压保护电路。该脚正常电压在0.9V~5V之间,低于0.7V芯片不工作,高于5.2V芯片进入保护状态。 2脚为稳压控制端,外接光耦。该脚具有光耦开路保护功能(0LP),如果反馈回路断开,当2脚电压上升到4.6V时,芯片进入保护状态,并自锁在5.3V高电平上。该脚还能根据光耦反馈信号自动调整芯片的工作状态,当负载很轻时,光耦导通加深;当该脚电压低于2.4V时,芯片自动进入绿色节能状态;当工作频率降到23kHz,且当负载增加致使该脚电压上升到3V时,芯片转到正常模式,工作频率为65 kHz。 3脚为过流保护检测端,外接过流保护电阻R16。当开关管工作电流太大超过芯片阀值时,芯片进入保护状态(OCP)。芯片3脚保护阀值与1脚电压有关,当1脚电压为1V时,3脚过流保护阀值为0.85V;当1脚电压为3V时,3脚阀值为0.7V。这个特性称为恒功率输出控制,因为现在液晶电视适应的电源电压输入范围很宽(AC100V~250V),而电源负载在正常使用情况下变动不大,这样最低电压下开关管的工作电流约为最高电压时的2.5倍(不计损耗 效率等因素),如按最低电压(最大电流)选择取样电阻(R16),则在最高电压时(最小电流),过流保护将形会同虚设。为解决此问题,该芯片将3脚的阀值和1脚市电电压检测值挂钩,市电电压越高,3脚阀值电压越低,这样过流保护就能在较宽范围内起作用,实际上就是间接设定了一个恒定的最大输出功率。 5脚为驱动脉冲输出脚,具有软启动功能。当开关管截止时,VD13可以加快G极放电,加速开关管截止,从而降低功耗。 6脚为供电端,当电压为16V时,芯片启动;当该脚电压低于10V时,芯片关闭;当该脚电压高于22V时,芯片过压保护(OVP)。该脚的最大允许电压为30V。 8脚为高压恒流源输入端,内部恒流源提供3.5mA电流给6脚外接电容充电。当芯片启动后,该脚停止工作。 开/待机过程:待机时主板PS ON为低电平,V53截止、V52导通,R64经V52并联在12V取样电阻R52上,输出电源电压降到原来的一半,从而达到降低功耗的目的。当主板发出开机信号,PS ON变为高电平,V53导通、V52截止,取样电阻只有R52,输出电压恢复正常。 市电电压过低保护:输入的市电电压先经D1半波整流,再由R1~R3和R4、R5分压,然后送入芯片1脚。当市电电压过低,1脚电压低于0.7V时,芯片关闭。 输出电压过高保护:当12V或24V电压太高时,VD54或VD55击穿,V7导通,保护光耦NW7导通,15V电压经NW7、R21及VD15送给芯片1脚,当1脚电压超过5.3V时,芯片停止工作,进入锁定状态。 提示:电源芯片采用FAN6755的康佳液晶彩电易出现以下故障:有时能开机有时不能开机,冷机开机困难,或者不定时自动开关机等。实修时,先断电检测FAN6755(1)脚外接电阻是否正常,如正常,则更换FAN6755试试。 | |||||||||||||||||||||||||||||||||||||||||||||||
相关热词:#液晶维修
电场激活原位掺杂平面光伏型胶体量子点红外...
时间:2026-03-09
什么是硅片或者晶圆?一文了解半导体硅晶圆
时间:2026-03-09
集成电路的几纳米代表了什么?
时间:2026-03-09
金刚石基GaN问世 化合物半导体行业进入第三...
时间:2026-03-09
实用模拟电路小常识浅析
时间:2026-03-09
寄存器是什么?怎么操作寄存器点亮LED灯?
时间:2026-03-09
一文详解MOS管驱动电路拓扑的设计
时间:2026-03-09
汽车芯片业应汲取的教训
时间:2026-03-09
半导体光刻工艺 光刻—半导体电路的绘制
时间:2026-03-09
电阻的原理和作用 电阻色环识别图 电路中电...
时间:2026-03-09
豆浆机更换电机全过程
时间:2026-03-09
电信 IPTV 常见故障排除方法与检修实例 (三...
时间:2026-03-08
三相电的相序 怎样才能分辨ABC
时间:2026-03-09
《洗衣机维修从入门到精通》电子书PPT之三
时间:2026-03-09
电气电工专业就业前景,如果再给你一次机会...
时间:2026-03-09
电工师傅你知道变送器标准信号是多少吗?百...
时间:2026-03-09
TCL王牌 LE50D8810型液晶电视图像抖动故障应...
时间:2026-03-09
TCL L39E5090-3D型液晶电视自动关机故障检修...
时间:2026-03-09
长虹55Q2R型液晶电视,上电后指示灯亮,二次...
时间:2026-03-09
MT23机芯特别之处
时间:2026-03-09