| PLC控制的基本电路 1 单输出自锁控制电路 启动信号I0.0和停止信号I0.1持续为ON的时间般都短。该电路最主要的特点是具有“记忆”功能。
2 多输出自锁控制电路(置位、复位) 多输出自锁控制即多个负载自锁输出,有多种编程方法,可用置位、复位指令
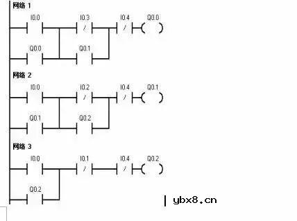
单向顺序启停控制电路 1. 单向顺序启动控制电路是按照生产工艺预先规定的顺序,在各个输入信号的作用下,生产过程中的各个执行机构自动有序动作。只有Q0.0启动后,Q0.1方可启动,Q0.2必须在Q0.1启动完成后才可以启动。
2. 单向顺序停止控制电路就是要求按一定顺序停止已经执行的各机构。只有Q0.2被停止后才可以停止Q0.1,若想停止Q0.0,则必须先停止Q0.1。I0.4为急停按钮。
4 延时启停控制电路 1.延时启动控制 设计延时启动程序,要利用中间继电器(内部存储器M)的自锁状态使定时器能连续计时。定时时间到,其常开触点动作,使Q0.0动作。
2.延时停止控制 定时时间到,延时停止。I0.0为启动按钮、I0.1为停止按钮。
3.延时启停控制电路该电路要求有输入信号后,停一段时间输出信号才为ON;而输入信号0FF后,输出信号延时一段时间才OFF。T37延时3 s作为Q0.0的启动条件,T38延时5 s作为Q0.0的关断条件。 3.延时启停控制电路该电路要求有输入信号后,停一段时间输出信号才为ON;而输入信号0FF后,输出信号延时一段时间才OFF。T37延时3 s作为Q0.0的启动条件,T38延时5 s作为Q0.0的关断条件。
经验设计法及注意事项 应用程序设计过程中,应正确选择能反映生产过程的变化参数作为控制参量进行控制;应正确处理各执行电器、各编程元件之间的互相制约、互相配合的关系,即互锁关系。应用程序的设计方法有多种,常用的设计方法有经验设计法、顺序功能图法等。 1 经验设计法 经验设计法要求设计者具有较丰富的实践经验,掌握较多的典型应用程序的基本环节。根据被控对象对控制系统的要求,凭经验选择基本环节,并把它们有机地组合起来。其设计过程是逐步完善的,一般不易获得最佳方案。程序初步设计后,还需反复调试、修改和完善,直至满足被控对象的控制要求。 经验设计法的设计不规范,没有一个普遍的规律可循,具有一定的试探性和随意性。 编写梯形图程序时应遵循的规则: (1)“输入继电器”的状态由外部输入设备的开关信号驱动,程序不能随意改变它。 (2)梯形图中同一编号的“继电器线圈”只能出现一次,通常不能出现,但是它的触点可以无限次地重复使用。
编写梯形图程序时应遵循的规则: (3)几个串联支路相并联,应将触点多的支路安排在上面;几个并联回路的串联,应将并联支路数多的安排在左面。按此规则编制的梯形图可减少用户程序步数,缩短程序扫描时间。
(4) 程序的编写按照从左至右、自上至下的顺序排列。一个梯级开始于左母线,终止于右母线,线圈与右母线直接相连。 ①桥式电路必须修改后才能画出梯形图。
②非桥式复杂电路必须修改后才能画出梯形图
2注意事项 (1)先编制I/O分配表,后设计梯形图。先对输入、输出信号及内部线圈进行编号分配,再确定PLC各输入/输出接线端子的实际接线图。 (2)合理排列梯形图,使输入/输出响应滞后现象不影响实际响应速度。通常可根据工艺流程图按动作先后顺序排列各输出线圈,同时兼顾内部线圈、时间继电器等线圈的排列顺序,使输入/输出延迟响应不影响实际输出对响应速度的要求。 (3)高速计数指令、高速脉冲输出指令应尽量放在整个用户程序的前部。由于高速计数器和高速脉冲串发生器与CPU之间的信息交换是在I/O扫描时进行的,所以在执行其他命令时就可能影响高速计数器、高速脉冲串发生器与CPU之间的信息交换,甚至有可能丢失脉冲。 (4)在PLC输入端子接线图中,对于同一个发信元件,通常只需选其中某一触点(例如常开触点或常闭触点)接入输入端子,即对一个发信元件,它只能占一个输入地址编号。 (5)合理接入输入信号的触点(常开或常闭触点),提高设备的可靠性、安全性。PLC实际I/O接线图中,某输入信号(如按钮)究竟是接入电器的常开触点还是常闭触点,应从设备的可靠性、安全性角度考虑。当输入端接线故障断线时,设备状态应向着安全的状态发展。因此,停止按钮应以常闭触点接入PLC输入接线端子,而启动按钮应以常开触点接入PLC输入接线端子(为便于理解,本书前面章节各图均按常开触点接入处理)。 (6)从安全考虑,重大安全部分不接入PLC的输入端,而做硬件处理。例如,紧急停车按钮、互锁触点、紧急限位开关、热继电器控制触点等,接至PLC的输出端子上,直接对输出负载(KM1、KM2)进行控制,以保证PLC故障时不损坏设备,不造成重大安全事故。 (7)应保证有效输入信号的电平保持时间。要保证输入信号有效,输入信号的电平保持时间必须大于PLC一个扫描周期。除非对开关量输入信号设置允许脉冲捕捉功能,这样就允许PLC捕捉到持续时间很短的脉冲。 (8)PLC指令的执行条件有信号电平有效和跳变有效的区别,编程时应加以注意。 (9)由电气控制图转换为梯形图时应注意:对旧设备改造时可借鉴原继电器控制电路图转换为梯形图。继电器控制电路图中的电器触点大多为先断后合型,而PLC梯形图中的“软继电器”的常开触点和常闭触点的状态的转换是同时发生的。设计梯形图时可使用延迟电路(如利用内部时间继电器延迟或利用PLC循环扫描工作方式而产生的输入/输出延迟响应)来模拟先断后合型电器的功能。 顺序功能图与设计法 功能图及其组成 功能表图(Function Chart Diagram)是用图形符号和文字叙述相结合的方法,全面描述控制系统,含电气、液压、气动和机械控制系统或系统某些部分的控制过程、功能和特性的一种通用语言。在功能表图中,把一个过程循环分解成若干个清晰的连续阶段,称为“步”(Step),步与步之间由“转换”分隔。当两步之间的转换条件满足,并实现转换,上一步的活动结束,而下一步的活动开始。一个过程循环分的步越多,对过程的描述就越精确。
功能表图的组成 1.步 在控制系统的一个工作周期中,各依次顺序相连的工作阶段,称为步或工步,用矩形框和文字(或数字)表示。步有两种状态:“活动步、“非活动步” 、“初始步”:一系列活动步决定控制过程的状态。对应控制过程开始阶段的步,每一个功能表图至少有一个初始步,初始步用双线矩形框表示。 |
电工基础
2.动作 在功能表图中,命令(Command)或称动作(Action)用矩形框文字和字母符号表示,与对应步的符号相连。一个步被激活,能导致一个或几个动作或命令,亦即对应活动步的动作被执行。若某步为非活动步,对应的动作返回到该步活动之前的状态。对应活动步的所有动作被执行,活动步的动作可以是动作的开始、继续或结束。若有几个动作与同一步相连,这些动作符号可水平布置,也可垂直布置。 3.有向连线 有向连线将各步按进展的先后顺序连接起来,它将步连接到转换,并将转换连接到步。有向连线指定了从初始步开始向活动步进展的方向与路线。有向连线可垂直或水平布置。为了使图面更加清晰,个别情况下也叫用斜线。在功能表图中,进展的走向总是从上至下、从左至右,因此有向连线的箭头可以省略。如果不遵守上述进展规则,必须加注箭头。若垂直有向连线与水平有向连线之间没有内在联系,允许它们交叉,但当有向连线与同一进展相关时,则不允许交叉。在绘制功能表图时,因图较复杂或用几张图表示有向连线必须中断,应注明下一步编号及其所在的页数。 4.转换 在功能表图中,生成活动步的进展是按有向连线指定的路线进行的,进展由一个或几个转换的实现来完成。转换的符号是一根短画线,与有向连线相交,转换将相邻的两个步隔开。如果通过有向连线连接到转换符号的所有前级步都是活动步,该转换为“使能转换”,否则该转换为“非使能转换”。只有当转换为使能转换且转换条件满足时,该转换才被实现。某转换实现,所有与有向连线和相应转换符号相连的后续步被激活,而所有与有向连线和相应转换符号相连的前级步均为非活动步。 5. 转换条件 转换条件标注在转换符号近旁,转换条件可以用3种方式表示。 (1)文字语句:b、c触点中任何一个闭合,触点a同时闭合。 (2)布尔表达式:a(b+c)。(3)图形符号: 所谓转换条件是指与该转换相关的逻辑变量,可以是真(1),也可以是假(0)。如果逻辑变量为真,转换条件为“l”,转换条件满足;如果逻辑变量为假,转换条件为“0”,转换条件不满足。只有当某使能步转换条件满足时,转换才 功能表图的基本结构 功能表图的基本结构:单序列结构、选择序列结构、合并序列结构
选择序列的开始称为分支,转换符号只能标在水平线之下,每个分支上必须具有一个或一个以上的转换条件,且具有优先级。 选择序列的结束称为合并,几个选择序列合并到一个公共序列时,转换符号只能标在水平线之上。
并行序列用双水平线表示,转换符号在双水平线之上,为公共转换条件。 并行序列的结束称为合并。转换符号在水平线以下,当双水平线之上的所有前级都处于活动状态时,且转换条件成立,则下一步被激活。同时所有前级步都变为不活动步。 绘制原则及注意事项 1.控制系统功能图的绘制必须满足以下规则。 (1)状态与状态不能相连,必须用转移分开。 (2)转移与转移不能相连,必须用状态分开。 (3)状态与转移、转移与状态之间的连接采用有向线段,自上向下画时,可以省略箭头。当有向线段从下向上画时,必须画上箭头,以表示方向。 (4)一个功能图至少要有一个初始状态。 2.注意事项 (1)顺控指令仅对元件S有效,顺控继电器S也具有一般继电器的功能,所以对它能够使用其他指令。 (2)SCR段程序能否执行取决于该状态器(s)是否被置位,SCRE与下一个LSCR之间的指令逻辑不影响下一个SCR段程序的执行。 (3)不能把同一个S位用于不同程序中,例如:如果在主程序中用了S0.1,则在子程序中就不能再使用它了。 (4)在SCR段中不能使用JMP和LBL指令,就是说不允许跳入、跳出或在内部跳转,但可以在SCR段附近使用跳转和标号指令。 (5)在SCR段中不能使用FOR、NEXT和END指令。 (6)在状态发生转移后,所有的SCR段的元器件一般也要复位。如果希望继续输出,可使用置位/复位指令。 (7)在使用功能图时,状态器的编号可以不按顺序编排。 用SCR指令的顺序控制梯形图设计方法 单序列顺序功能图的编程 这是最简单的功能图,其动作是一个接一个地完成的。每个状态仅连接一个转移,每个转移也仅连接一个状态。如图示为单流程的功能图、梯形图和语句表。 选择序列编程 在生产实际中,对具有多流程的工作,要进行流程选择或者分支选择。即一个控制流可能转入多个可能的控制流中的某一个,但不允许多路分支同时执行。到底进入哪一个分支,取决于控制流前面的转移条件哪一个为真。 并行序列编程 在许多实例中,一个顺序控制状态流必须分成两个或多个不同分支的控制状态流,这就是并行分支。当一个控制状态流分成多个分支时,所有的分支控制状态流必须同时激活。当多个控制流产生的结果相同时,可以把这些控制流合并成一个控制流,即并行分支的连接。在合并控制流时,所有的分支控制流必须都是完成了的。这样,在转移条件满足时才能转移到下一个状态。并行顺序一般用双水平线表示,同时结束若干个顺序也用双水平线表示。
|
相关热词:#电工论坛
电场激活原位掺杂平面光伏型胶体量子点红外...
时间:2026-03-09
什么是硅片或者晶圆?一文了解半导体硅晶圆
时间:2026-03-09
集成电路的几纳米代表了什么?
时间:2026-03-09
金刚石基GaN问世 化合物半导体行业进入第三...
时间:2026-03-09
实用模拟电路小常识浅析
时间:2026-03-09
寄存器是什么?怎么操作寄存器点亮LED灯?
时间:2026-03-09
一文详解MOS管驱动电路拓扑的设计
时间:2026-03-09
汽车芯片业应汲取的教训
时间:2026-03-09
半导体光刻工艺 光刻—半导体电路的绘制
时间:2026-03-09
电阻的原理和作用 电阻色环识别图 电路中电...
时间:2026-03-09
豆浆机更换电机全过程
时间:2026-03-09
电信 IPTV 常见故障排除方法与检修实例 (三...
时间:2026-03-08
三相电的相序 怎样才能分辨ABC
时间:2026-03-09
九阳电压力锅维修过程
时间:2026-03-09
《洗衣机维修从入门到精通》电子书PPT之三
时间:2026-03-09
别等到连技术工人都没了,但技术工人的待遇...
时间:2026-03-09
电气电工专业就业前景,如果再给你一次机会...
时间:2026-03-09
电工师傅你知道变送器标准信号是多少吗?百...
时间:2026-03-09
二合一电源OB5269CP+AP3041方案----原理与维...
时间:2026-03-09
TCL王牌 LE50D8810型液晶电视图像抖动故障应...
时间:2026-03-09