恒温电烙铁的工作原理及制作方法
电工基础2026-03-07
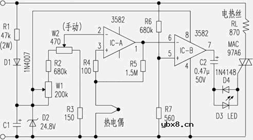
恒温电烙铁的工作原理及制作方法 本文以有代表性的广州黄花电子电器厂905C型恒温电烙铁为例,对恒温烙铁的工作原理加以介绍。 该电烙铁控温范围是100℃~400℃,调温标志标明低、中、高位,控温精度
4×4键盘模块电路图
时间:2026-03-07
电子保鲜器电路图
时间:2026-03-07
酸奶生成器电路图
时间:2026-03-07
电子打鱼器电路图
时间:2026-03-07
全集成电路制成的可预置的电子电位器
时间:2026-03-07
将同步信号添加到标清视频信号的通道设计方...
时间:2026-03-07
电子管RC有源分频器的制作
时间:2026-03-07
IPM门极驱动隔离电路
时间:2026-03-07
CW117/CW217/CW317构成的交流峰值削波电路图
时间:2026-03-07
SST8803、UM3758-108A组成的数据传输调制/解
时间:2026-03-07
彩灯电路
时间:2026-03-05
三相异步电动机原理
时间:2026-03-04
三相异步电动机的七种调速方式
时间:2026-03-04
转角测量电路
时间:2026-03-05
经典的正弦波发生电路
时间:2026-03-05
电动机单线远程正反转控制电路图
时间:2026-03-04
电度表的工作原理
时间:2026-03-04
电风扇红外遥控器2
时间:2026-03-04
三相异步电动机的拆装详讲
时间:2026-03-04
USB转232电路图
时间:2026-03-04