三相异步电动机正反转控制电路图
电路图基础2026-03-07
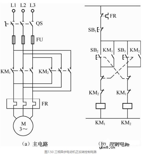
三相异步电动机正反转控制电路如图7.50所示。在主电路两个接触器KM1和KM2的主触头的连线中,L1相和L3相的主触头互相反接。电动机正转时,由接触器KM1控制,通入电动机定子绕组的电源相序为L1→L2→L3;电动机反
电子元件2026-03-07
变压器和异步电动机都是电力系统和工业自动化领域中非常重要的设备,它们在能量转换和控制方面发挥着关键作用。尽管它们在某些方面有相似之处,如都涉及到电磁感应原理,但它们的工作原理、结构和应用场景有着明显的
无线遥控器电路图制作
时间:2026-03-07
无线电遥控门铃电路原理图
时间:2026-03-07
NE555过流保护检测器电路图
时间:2026-03-07
串联谐振升压原理
时间:2026-03-07
谐振回路的工作原理
时间:2026-03-07
电容降压电路原理
时间:2026-03-07
实用的电容降压电路
时间:2026-03-07
低成本的阻容降压电路原理图分析
时间:2026-03-07
阻容降压原理及电路
时间:2026-03-07
阻容降压电路的误区
时间:2026-03-07
玻璃釉电容器的结构与特点
时间:2026-03-05
电容器入门教程
时间:2026-03-05
关于STM32WL LSE 添加反馈电阻后无法起振的...
时间:2026-03-05
暑期买元器件下单立减还送华为P30pro
时间:2026-03-05
电阻的标称阻值和允许偏差
时间:2026-03-05
使用过滤器电容器和诱导器来抑制受辐射的EM...
时间:2026-03-05
LED固晶机龙头直面“寒冬”
时间:2026-03-05
浅谈高压贴片电容分类与性能参数
时间:2026-03-05
聚四氟乙烯电容器的结构与特点
时间:2026-03-05
漆膜电容器的结构与特点
时间:2026-03-05