电工问答2026-03-07
GPS分类和特点有哪些? GPS分类 GPS卫星接收机种类很多,根据型号分为测地型、全站型、定时型、手持型、集成型;根据用途分为车载式、船载式、机载式、星载式、弹载式。
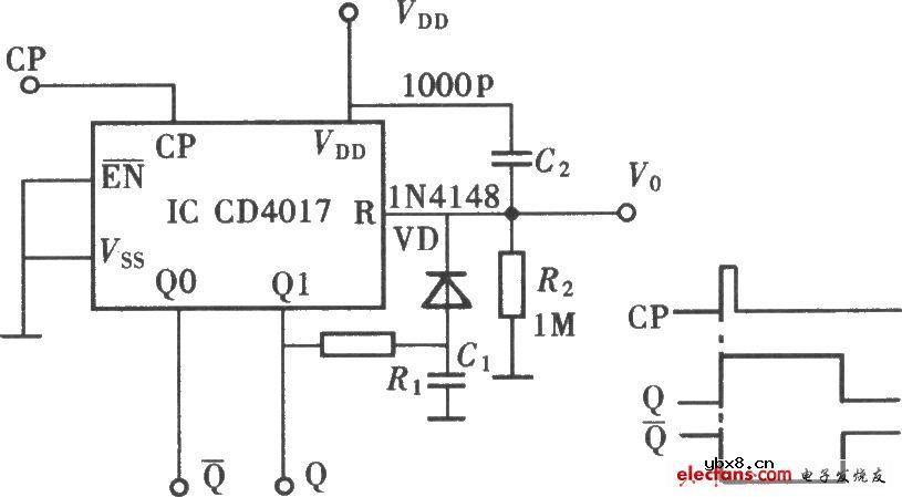
用CD4017组成单稳态触发器
时间:2026-03-07
Littelfuse SP3012系列瞬态抑制二极管阵列新...
时间:2026-03-07
Vishay推可抵御200W高浪涌的新款SMD ESD保护...
时间:2026-03-07
用CD4046组成的方波信号发生器
时间:2026-03-07
东芝扩大650V碳化硅肖特基势垒二极管产品阵...
时间:2026-03-07
Littelfuse推出新型瞬态抑制二极管阵列
时间:2026-03-07
Littelfuse公司推出低电容型瞬态抑制二极管...
时间:2026-03-07
Littelfuse宣布其瞬态抑制二极管阵列系列将...
时间:2026-03-07
Littelfuse为AEC-Q101标准车用二极管增添两...
时间:2026-03-07
Vishay新款ESD保护二极管可为汽车应用节省大...
时间:2026-03-07
什么是追踪缓存/转接卡?
时间:2026-03-06
瞬间抑制二极管(TVS)/瞬间抑制二极管(TVS)是...
时间:2026-03-04
什么是EPIC
时间:2026-03-06
什么是联合并行处理二级缓存?
时间:2026-03-06
什么是Speculative execution/SQRT?
时间:2026-03-06
什么是霍尔传感器
时间:2026-03-05
双向二极管起什么作用?
时间:2026-03-04
半导体材料的主要种类有哪些?
时间:2026-03-04
高级封装,高级封装是什么意思
时间:2026-03-04
数字比较器,数字比较器是什么意思
时间:2026-03-04