XTR104管脚电路图
时间:2026-03-06
传感器4~20mA放大电路图
时间:2026-03-06
大气压力传感器信号调节电路图
时间:2026-03-06
单电源大气压力传感器信号调节电路图
时间:2026-03-06
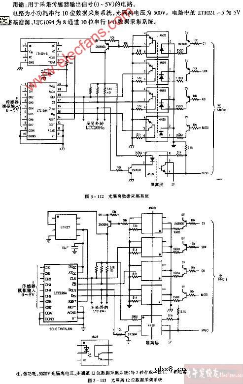
光隔离12位数据采集系统电路图
时间:2026-03-06
光吸收率测量电路图
时间:2026-03-06
继电器怎么切换电路_继电器切换电路图解
时间:2026-03-06
光耦继电器型号有哪些_光耦继电器的作用(工...
时间:2026-03-06
光隔离数据采集系统电路图
时间:2026-03-06
具有桥激励的应变计信号调节器电路图
时间:2026-03-06
瞬间抑制二极管(TVS)/瞬间抑制二极管(TVS)是...
时间:2026-03-04
什么是追踪缓存/转接卡?
时间:2026-03-06
什么是联合并行处理二级缓存?
时间:2026-03-06
什么是EPIC
时间:2026-03-06
什么是Speculative execution/SQRT?
时间:2026-03-06
什么是霍尔传感器
时间:2026-03-05
技术前沿:让我们来谈一谈封装
时间:2026-03-05
半导体材料的主要种类有哪些?
时间:2026-03-04
高级封装,高级封装是什么意思
时间:2026-03-04
数字比较器,数字比较器是什么意思
时间:2026-03-04