石英灯电子变压器电路原理
电子元件2026-03-06
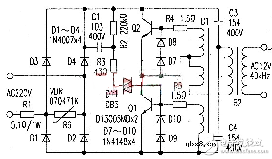
石英灯电子变压器主要是在高频电子镇流器电路的基础上研制出来的一种灯用变压器电路。电子变压器就是开关稳压电源。实际上就是一种逆变器。主要由保护电路、桥式整流电路、振荡电路、隔离输出电路组成。它首先把交
电子元件2026-03-06
一、什么是电子变压器 电子变压器(PowerElectronicTransformer,PET)又称电子电力变压器(ElectronicPowerTransformer,EPT),固态变压器(SolidStateTransformer,SST)和柔性变压器(FlexibleTrans
电子元件2026-03-06
电子变压器走技术进步之路 “有电就有变压器”,随着电子产品应用的不断丰富,电子变压器行业的前景将更加美好。未来,我国电子变压器行业将呈现以下几个发展态势:
电子元件2026-03-06
电子变压器主要是由高频变压器磁芯(铁芯)与两个或两个以上的线圈组成,它们互不改变位置,从一个或两个以上的电回路中,通过交流电力借助电磁感应作用,转变成交流电压及电流。在电子线路中起着升压、降压、
电工问答2026-03-04
电子变压器,电子变压器是什么意思 电子变压器简介 电子变压器,输入为AC220V,输出为AC12V,功率可达50W。它主要是在高频电子镇流器电路的基础上研制出来的一种变压器电路,其性能稳定,体积小,功率大,因而克服了
京东联手魅族发布平板JDtab,两年前的配置也...
时间:2026-03-06
Dell发布2017首款新品:可翻转的XPS 13二合...
时间:2026-03-06
明年的ipad pro或将延迟发布 原因竟然是这个...
时间:2026-03-06
可以当平板的笔记本 联想2017X1系列强势来袭
时间:2026-03-06
CES 2017戴尔新款XPS 13二合一变形本被曝光
时间:2026-03-06
还有谁!双GTX1080+全球首款曲面屏+性能怪兽...
时间:2026-03-06
华硕新品秒Macbook,国产笔电工艺无人不服!
时间:2026-03-06
【CES 2017】联想来搞事情了,推出全新的游...
时间:2026-03-06
三星发布最新款配备触控笔的Chromebook笔记...
时间:2026-03-06
首款骁龙835手机是小米6?笔记本方面这些最...
时间:2026-03-06
瞬间抑制二极管(TVS)/瞬间抑制二极管(TVS)是...
时间:2026-03-04
什么是EPIC
时间:2026-03-06
什么是追踪缓存/转接卡?
时间:2026-03-06
什么是Speculative execution/SQRT?
时间:2026-03-06
什么是联合并行处理二级缓存?
时间:2026-03-06
什么是霍尔传感器
时间:2026-03-05
技术前沿:让我们来谈一谈封装
时间:2026-03-05
半导体材料的主要种类有哪些?
时间:2026-03-04
高级封装,高级封装是什么意思
时间:2026-03-04
数字比较器,数字比较器是什么意思
时间:2026-03-04